Le monde de l'information






Jean Zin
2004






Sommaire

Introduction
1. Changer d'ère (information et communication)
2. De la société thermodynamique à la société informationnelle
3. Le pouvoir de l'information : le paon et le putois

Qu'est-ce que l'information ?
1. Le système de l'information (séparation et communication)
- l'information n'est qu'un élément d'un système
- l'organisation de l'information (émetteur/récepteur-mémoire-réaction)
- l'in-formation intériorise l'extériorité (message)
- l'extériorité du monde de l'in-formation (indirect)
- l'effacement du sujet (quantité d'information)
2. La fonction de l'information (la lutte contre l'entropie)
- l'information est relative (subjective et temporaire)
- l'information vient du récepteur (décodage, feedback)
- l'information est réactive (lutte contre l'entropie)
- l'information est une réduction de l'incertitude (improbabilité)
- information et degrés de liberté (aide à la décision)
- l'information est imparfaite (rétroaction et organisation)
- récapitulation
3. Signal matériel et information (théorie du signal)
- l'information comme redondance improbable
- l'information comme discontinuité, effet de seuil disproportionné
- du signal analogique à la reproduction numérique (la transmutation de la matière en esprit)
- entropie, bruit, correction d'erreurs et reproduction (la révolution néguentropique)
- information, énergie, entropie
- les caractéristiques de l'information
4. La régulation cybernétique (corriger ses erreurs)
- information et régulation cybernétique
- reproduction, rétroaction, finalités
- synthèse des principes cybernétiques (direction par objectifs)
- l'idéologie cybernétique

La révolution informationnelle (effets et nouvelles responsabilités)
1. L'émergence du concept d'information (aperçu historique)
- la théorie de l'information et la cybernétique
- théorie des systèmes et de la complexité
- chronologie
2. Les nouvelles technologies (effets concrets)
- les technologies informationnelles (informatique, biotechnologies, nanotechnologies)
- l'économie de l'information (gratuité, développement humain, direction par objectifs, précarité, revenu garanti, autorégulation)
- la société en réseaux ("informations", pouvoir des médias, publicité, pornographie, politique spectacle, terrorisme, démocratie, idéologie des réseaux)
- la fracture numérique
3. Petite philosophie de l'information (enjeux cognitifs, éthiques et politiques)
- philosophie, éthique, responsabilité, finalités
- dualisme, ignorance et liberté (la lutte contre l'entropie)
- note sur évolution et liberté, contrôle de soi et psychothérapie

- politique, écologie, sciences, projet (nos tâches actuelles)

Annexe (l'entropie et la lutte contre l'entropie)
1. L'entropie
- la dégradation de l'énergie
- l'entropie n'est pas l'énergie
- gain et perte d'énergie entropique (ordre et désordre)
- les deux sources de l'entropie (mécanique et statistique)
- l'entropie est statistique (loi des grands nombres)
- l'entropie est une perte de contrainte (retenez-moi ou je travaille!)
2. La lutte contre l'entropie (la néguentropie)
- l'entropie c'est le contraire de l'information
- le démon de Maxwell et la lutte contre l'entropie
- l'incertitude entropique




 
Introduction


1. Changer d'ère (information et communication)

Une société peut être dite nouvelle quand il y a transformation structurelle dans les relations de production, dans les relations de pouvoir, dans les relations entre les personnes.

L'ère de l'information, Manuel Castells

        Science et Vie 1981
La révolution informatique 1981Nous vivons une révolution comme l'humanité en a connu bien peu dans son histoire, un véritable changement d'ère qui se produit à une rapidité inouïe et dont nous arrivons difficilement à prendre toute la mesure. Les technologies numériques et informatiques ont bouleversé nos modes de vie et de production, au point qu'on a peine à imaginer que l'utilisation d'Internet remonte à moins de dix ans. C'est donc depuis relativement peu de temps que nous sommes entrés vraiment dans l'ère de l'information, de la communication et du spectacle. S'il n'y a pas forcément de quoi s'en extasier, on ne peut faire non plus comme s'il ne s'était rien passé et que tout pouvait continuer comme avant. Il faut se rendre à l'évidence, la société, les conditions de travail et les protections sociales en sont durablement affectées mais c'est l'ensemble de notre monde qui en est profondément transformé.

CommunicationsLa plupart du temps on ne voit cette rupture majeure qu'à travers la question des communications dont l'importance semble effectivement croître de façon exponentielle. Le développement des réseaux couvre et globalise la planète entière, que ce soit pour l'information, le commerce, les relations sociales et politiques. Le terrorisme international en constitue une des manifestations les plus "spectaculaires". Ce que ce livre voudrait montrer pourtant, c'est que là ne se situe pas l'essentiel de la révolution anthropologique que nous vivons. L'intensification des communications ne rend pas compte du fait que ce sont bien les règles du jeu qui changent, les forces productives, les processus de valorisation, les rapports sociaux, nos représentations, nos valeurs et jusqu'à notre horizon collectif.

MatrixLe secret de ce monde, c'est l'information en tant qu'elle s'oppose à l'énergie et à l'entropie. Cela ne veut pas dire que l'information explique tous les bouleversements actuels, mais qu'il faut prendre la mesure de tout ce qu'elle permet d'expliquer. En effet, sur de nombreux plans nous quittons le monde matériel, de l'énergie et de la lutte, pour intégrer l'univers de l'immatériel, le monde de l'information et de la coopération. On passe ainsi d'une société de la peine à une société de la panne ! Pour caractériser l'opposition entre l'ancien et le nouveau monde, nous utiliserons classiquement les termes de "société thermodynamique" et de "société de l'information" (ou bien l'ère de l'énergie et l'ère de l'information). Il y a toujours une part d'arbitraire dans la nomination mais si l'on doit préférer cette formulation à celle qui opposerait par exemple une économie industrielle à une économie de service (ou même une économie cognitive), c'est qu'on trouvera dans l'opposition de l'énergie et de l'information l'origine d'un certain nombre de ruptures brutales que nous subissons, et qui vont bien au-delà de l'économie ou de la révolution industrielle. Nous ne ferons que souligner ici les conséquences de cette opposition qui nous servira de fil conducteur, comme elle a servi à Jacques Robin tout au long de sa vie pour souligner par contraste la portée de nouvelles technologies informationnelles qui nous font véritablement "Changer d'ère" (Seuil, 1989).

Terre Bien sûr, ce n'est pas parce qu'il y a un développement sans précédent de l'immatériel et une relative dématérialisation de l'économie qu'il faudrait aller s'imaginer que le monde matériel ou énergétique n'existe plus et que nous n'aurions plus qu'à nous évader dans un monde virtuel et déshumanisé. Tout au contraire, on verra que le monde de l'information c'est aussi le monde de l'écologie et du développement humain, de notre responsabilité envers les générations futures face aux informations dont nous disposons, de régulation des cycles vitaux et de sortie d'un productivisme salarial insoutenable, au profit d'une logique d'investissement dans l'avenir, d'un développement humain intégrant le long terme au-delà de la productivité immédiate. C'est l'information sur l'état de la planète qui nous rend responsables écologiquement de notre avenir commun alors que le besoin de formation induit par les technologies informationnelles rend indispensable la réorientation de l'économie vers le développement humain.

Thermostat
 

 
Il faut souligner, en effet, que l'information introduit une dimension de "lutte contre l'entropie", grâce à ses capacités de régulation et de correction d'erreurs. L'information a pour fonction l'anticipation et l'investissement dans l'avenir (à l'opposée de la vision à court terme du libéralisme et de l'irresponsabilité des marchés). Ainsi, les informations sur les catastrophes qui nous guettent permettent d'éviter la violence de leur pression sélective, d'une sélection darwinienne qui opère par contrainte extérieure, en lui substituant une anticipation intériorisée, une adaptation autonome et en douceur (passage de l'évolution à l'apprentissage). Les informations qui nous parviennent nous rendent donc responsables et nous obligent à fixer des finalités collectives explicites afin de mettre en place un pilotage par objectif capable de moduler notre action sur ses effets. C'est absolument essentiel et devrait mobiliser toute notre réflexion.

PyloneIl ne faut voir là aucune utopie technologique, comme si tout était gagné d'avance. Il n'y a aucune raison que tout se passe bien. Ce n'est pas une question de hardware. Ceux qui s'imaginent que l'intensification des communications, la multiplication des réseaux, le haut débit supprimeront les hiérarchies en égalisant les conditions se trompent lourdement alors qu'il est démontré au contraire que c'est un facteur d'instabilité et d'augmentation des inégalités locales. Le monde de l'information est aussi le monde de l'incertitude, de la précarité, de la discontinuité, de processus non-linéaires et d'emballements plus ou moins catastrophiques si on ne cultive pas soigneusement son jardin.

bombe Prendre conscience de notre entrée dans l'ère de l'information ne signifie aucunement vouloir embellir la situation et s'en faire le spectateur enthousiaste, c'est bien plutôt vouloir prendre en main notre destin, assumer notre responsabilité collective, corriger le tir, surmonter nos échecs. Ce n'est pas parce que, à l'opposée des tentations d'un impossible retour en arrière, j'appelle à tirer parti de la nouvelle logique coopérative des réseaux, à s'adapter au passage à l'immatériel, à construire une démocratie cognitive et des régulations écologiques que je tombe dans une quelconque technophilie. Rien ne se fera tout seul, ce qui se fera sans nous se fera contre nous. Il n'y a pas de déterminisme technologique, seulement de nouvelles possibilités que nous pouvons transformer en opportunités mais qui peuvent aussi bien se retourner contre nous, détruire de fragiles équilibres. C'est à nous de savoir tirer parti des nouvelles potentialités de régulation, de coopération et de développement humain ouvertes par les technologies informationnelles, ainsi que de lutter contre leurs côtés pervers (précarité, flexibilité, temps réel, dictature du court terme, fracture numérique, insignifiance). Seulement, pour construire un monde plus humain et s'adapter à ses transformations, il faut d'abord l'interpréter correctement, essayer d'en comprendre la nouvelle logique.


2. De la société thermodynamique à la société informationnelle

Cellule Bien sûr le rôle de l'information a toujours été considérable dans les sociétés, l'économie ou les phénomènes biologiques qui mêlent indissolublement information, matière et énergie. Il y a évidemment une continuité de la vie, de l'humanité, de nos sociétés et de l'économie mais il y a aussi du nouveau, des seuils irréversibles, des émergences historiques, des changements de niveau. Notre conviction est que nous subissons une rupture majeure avec la généralisation de l'informatique et de la numérisation ou l'émergence des biotechnologies, rupture dont les caractéristiques peuvent être largement reliées aux spécificités du concept d'information plus encore qu'à l'explosion des communications, ou la complexification de nos sociétés.

Puit de pétrole en IrakNous voulons donc attirer l'attention sur le fait qu'au-delà de la communication et des réseaux qui permettent de relier ce qui était séparé, le monde de l'information dans lequel nous sommes entrés s'oppose entièrement au monde de l'énergie dont nous sortons à peine. Bien qu'on en éprouve tous les jours les conséquences et les contradictions, on ne se rend pas bien compte encore à quel point ce sont des mondes aux logiques incommensurables. S'il y a rupture c'est entre l'ère énergétique et l'ère de l'information à cause de ce changement complet de logique et de perspectives. C'est un point où j'insiste, je me répète, introduisant assez de redondance pour forcer l'attention.

    Norbert Wiener 1894-1964
Norbert WienerC'est par le contraste entre l'ancien et le nouveau monde qu'on peut mettre en évidence la rupture d'ordre civilisationnelle que nous vivons de trop près pour nous en rendre vraiment compte. Nous verrons plus loin ce qui justifie de ramener cette rupture à l'opposition de l'énergie et de l'information mais on peut dire qu'il n'y a là rien de nouveau car cette opposition entre la "société thermodynamique" basée sur l'énergie, la domination, la croissance, et la "société informationnelle" autogérée, où chacun participe aux décisions, aux circuits de l'information, est déjà préfigurée chez Norbert Wiener, le père de la cybernétique (1948). Elle a été souvent reprise depuis, par Henri Laborit notamment (La nouvelle grille). Il était clair dès cette époque que les transformations sociales attendues étaient directement reliées aux caractéristiques de l'information, dans son opposition à l'énergie. En effet, "l'information n'est qu'Information, elle n'est ni masse ni énergie". Hélas, de nombreuses confusions ou exagérations finiront par obscurcir considérablement les choses, jusqu'à rejeter aux enfers le concept de cybernétique devenu trop suspect. La pertinence de ces concepts ne fait pourtant que se confirmer, en premier lieu dans la production, avec le passage effectif d'une société à l'autre.

Travailleurs La société de l'énergie, c'est ce que nous connaissons depuis le néolithique sans doute, mais surtout depuis la révolution industrielle et thermodynamique. Les guerres du pétrole se situent encore entièrement dans ce contexte, retour de la vieille Amérique dominée par le pétrôle, bien loin de la nouvelle économie. C'est le domaine matériel de la force, de la contrainte, de la lutte, de la compétition, de l'appropriation, du nombre, de la quantité, du travail et de la peine. C'est le monde industriel de la mécanique et des machines, d'une productivité immédiate mesurée par le temps salarié.

PcLa société de l'information c'est l'univers immatériel du savoir, de la direction par objectifs, du contrôle, de la persuasion, de la coopération, de la qualité, de la résolution de problème et donc des pannes... C'est, au niveau du software, aussi bien la programmation et les communications que l'éducation ou le spectacle, et, pour le hardware, les automatismes aussi bien que les média ou les appareils numériques en attendant les biotechnologies. On n'y a plus tant besoin de force de travail contrainte et subordonnée mais de formation, d'innovation, d'autonomie, d'un travail virtuose qui ne se mesure pas à son temps d'exécution, pas plus qu'un travail de recherche ou un travail créatif dont les résultats restent complètement aléatoires par définition.

Quand c'est la force de travail qui est dominante, elle peut être soumise à une discipline, à des contraintes. Quand c'est l'information qui devient cruciale et qu'on fait appel à la subjectivité, le travail devient en grande partie autonome, mobilisant la liberté et la motivation du travailleur pour atteindre ses objectifs. Ce n'est pas toujours un progrès car cela peut se traduire par une aliénation de toute la vie en plus de produire précarité ou exclusion, en tout cas ce n'est plus un travail contraint mais seulement valorisé ou sanctionné après-coup.

Henri Laborit 1914-1995
Henri LaboritOn peut trouver prémonitoire ce que disait Henri Laborit au début des années 1970, prévoyant que nous aurions besoin de plus en plus de temps libre car "l'individu doit passer le plus clair de son temps à recueillir des informations" 313. "Il faut propager au plus vite cette notion que l'homme n'est pas une force de travail, mais une structure qui traite l'information." 329. "La plus-value, ce qu'abandonne le "travailleur" à quelque niveau hiérarchique où il se situe, c'est surtout de l'information. Plus un travail est "intellectualisé", plus le travailleur est exploité." 142

Just in timeCe qui n'avait pas été prévu, certes, et qui est pourtant sans doute ce qui oppose le plus le monde de l'information à celui de la force, c'est qu'on y perd toute proportionnalité entre la cause et l'effet, entre le travail et sa productivité devenue non-linéaire. Dès lors, on ne peut plus assurer la continuité purement quantitative de la production de masse, qui est remplacée par la discontinuité qualitative d'une économie de la demande (flux tendus). C'est un monde incertain, monde de la précarité, de la flexibilité et de l'intermittence. On en donnera plus loin les raisons mais on admettra qu'il peut être utile de comprendre que ce n'est pas une situation transitoire que nous connaissons actuellement, et plutôt que d'entretenir l'illusion d'un retour en arrière, prendre acte de cette discontinuité de l'emploi pour organiser la protection sociale en conséquence, en assurant la continuité du revenu en premier lieu.

LinuxDe même, reconnaître les possibilités illimités de la reproduction numérique et les nécessités de la circulation des savoirs, milite pour une économie de la gratuité et de la coopération dans le domaine immatériel, ce qui implique une politique favorable aux logiciels-libres et vigoureusement opposée aux brevets logiciels. Il est absurde de développer des techniques de reproduction si performantes et de vouloir mettre en même temps des barrières à la communication. Ce sont des questions concrètes qui se posent dans l'immédiat et touchent notre vie quotidienne.

On voit déjà toute l'étendue des conséquences de la révolution en cours, mais ce n'est pas parce que nous entrons dans l'ère de l'information que l'information n'était pas déjà omniprésente auparavant dans les sociétés humaines comme dans la nature. Avant de nous attaquer aux caractéristiques de l'information, nous allons donc poursuivre le panorama en l'abordant par ses effets les plus spectaculaires dans le règne animal, puisque la vie elle-même est entièrement basée sur l'information.

3. Le pouvoir de l'information : le paon et le putois

ADNCertains se croient encore dans la jungle, dans un monde dominé par la force, l'énergie ou le nombre alors que nous sommes bel et bien dans une société du spectacle et de l'information, mais la jungle elle-même, n'est pas tant qu'on le dit le règne de la force, c'est déjà celui de l'information, de l'apparence, de l'odeur, des cris. La perception y est vitale. On sait que la cellule elle-même est complètement liée à l'information génétique, à la redondance des deux brins d'ADN, à ses capacités de reproduction et de correction d'erreurs, caractéristiques essentielles de l'information comme on le verra.

Gorille Derrière leurs éprouvettes, les biochimistes ne voient bien sûr aucune information, aucune perception du monde mais seulement une interaction chimique et les évolutionnistes habitués à l'idéologie de la lutte pour la survie et de la sélection du plus fort, pensent encore l'évolution comme un rapport de force dans une sélection aveugle. Les préjugés de l'ère énergétique et d'une vision mécaniste du monde ont la vie dure. La théorie darwinienne de la lutte pour la survie se révèle pour ce qu'elle est, l'idéologie de son époque et du capitalisme sauvage qu'on trouvait déjà chez Spencer avant Darwin. L'insuffisance d'une telle conception saute pourtant aux yeux, contredite de mille façons. La nature, ce n'est pas toujours la loi du plus fort, sinon l'homme ne serait pas né si fragile et dépourvu de tout... En fait la fragilité est un facteur adaptatif (faire d'une faiblesse une force) et les phénomènes de renforcement ou de stabilisation sont plus importants que les phénomènes d'élimination dans la sélection naturelle.

pornoLe monde biologique n'est pas celui de la lutte mais de la communication et de la coopération, de la reproduction et de la séduction, voire de la vérité et du mensonge. C'est un monde plein de leurres, d'erreurs et de mirages car c'est un monde connu par ouï-dire, indirectement, à travers nos sens et laissé à notre représentation. Le monde de la vie c'est celui du paon et du putois, de l'empire des signes. La sexualité c'est déjà la dictature de l'apparence (chants, plumage, parade) livrée aux "prégnances animales" telle qu'on les retrouve dans la pornographie. La biochimie est une chimie des formes, chimie conditionnelle, sur un modèle proche des transistors : c'est ouvert ou fermé, ça s'attache à un récepteur ou ça ne s'y attache pas, c'est le signal convenu ou c'est du bruit. De par son appartenance à l'univers de l'information le monde de la vie est un monde non-linéaire, monde du tout ou rien (on est vivant ou mort).

PutoisA la différence de forces physiques, l'absence de toute proportionnalité entre la cause et l'effet dans le domaine biologique peut être illustrée par de nombreux exemples qui n'ont rien d'exceptionnel. Il suffit de constater la capacité d'une seule molécule de phéromone sexuelle d'attirer un insecte qui peut être situé à plusieurs kilomètres parfois. Ce qui est plus remarquable encore, c'est de constater le pouvoir que peut avoir l'information de triompher face à la force pure. Sur ce point, la stratégie la plus démonstrative par son économie de moyens est certainement celle du putois (selon le nom commun) qui éloigne bien plus puissants que lui grâce à son odeur nauséabonde et fait place nette sans coup férir. Les systèmes de communication sont fragiles et leur perturbation désorganise facilement l'adversaire avec une dépense infime d'énergie. 

PaonLe critère d'adaptation n'est pas toujours beaucoup plus pertinent que celui de la force s'il prétend aller au-delà d'une viabilité indispensable. L'exemple du paon était à cet égard embarrassant pour Darwin lui-même, sa parure chargée de signes trop voyants l'exposant dangereusement aux prédateurs. Il faut croire qu'il a le pouvoir d'en impressionner plus d'un, d'en mettre "plein les yeux", mais l'adaptation est un critère bien insuffisant dans ce cas. On introduit toutes sortes de biais (niche écologique, viabilité, hasards) pour rester dans une représentation mécaniste de la sélection alors qu'il faudrait y comprendre le rôle déterminant de l'information, dans son imperfection même, pour orienter les formes à travers la sexualité au moins. Le rapport de l'organisme au monde n'est pas de l'ordre du bruit et de l'agitation chaotique. Il est constitué de perceptions et de réactions conditionnelles, d'interactions et de sélections. Contrairement au monde physique, l'univers biologique est traversé de flux d'informations, de la cellule à l'organisme ou l'écosystème.

PC Les technologies de l'information n'ont donc rien inventé, elles ont seulement mis à notre disposition ce qui est au fondement de la vie, elles l'ont généralisé grâce au PC qui est une machine universelle, un GPS (General Problem Solver) un peu comme la vie elle-même. Remarquons qu'avec l'ordinateur personnel chacun peut désormais être propriétaire de son moyen de production, ce qui transforme plus qu'on ne croit le rapport salarial et la subordination à l'employeur. Si nous avons du mal à nous faire aux lois de cet univers de l'information ce n'est pas que nous n'aurions aucune familiarité avec lui, la passion des enfants pour l'informatique prouve bien le contraire, mais plus simplement parce que nous quittons une économie de l'énergie, de la force de travail et de sa productivité immédiate, de la domination et de l'appropriation, qui nous avait habitué à de toutes autres lois, lois qu'on a voulu nous faire prendre pour des lois naturelles alors que ce ne sont que les lois d'une guerre de tous contre tous intenable. Il faut du temps pour changer de croyances et de représentations sans paraître trop naïf ou ringard.


aventureNous avons vu dans cette introduction l'étrangeté de ce monde de l'information qui est pourtant le nôtre et celui de la vie, nous avons vu sur des exemples concrets ce qui distingue le monde de l'information de celui de la force ou de l'énergie. Il est temps d'essayer de définir plus précisément ce que c'est qu'une information. Prêt pour l'aventure ? Car c'en est véritablement une, je peux en témoigner.






 
Qu'est-ce que l'information ?



1. Le système de l'information (séparation et communication)

- l'information n'est qu'un élément d'un système

communicationTout le monde croit savoir ce qu'est l'information, pourtant il est bien difficile d'en donner une définition simple. L'histoire de son émergence montre à quel point c'est un concept complexe et multiforme, qui va de l'information journalistique ou boursière au bit d'information en codage binaire (0 ou 1, oui ou non), du langage humain à l'ADN. C'est un concept qui se révèle aussi général et difficile à préciser que celui d'être, de matière ou d'énergie car il peut s'appliquer à tout (y compris à la matière et l'énergie), mais, de plus, au contraire de l'être, de la matière ou de l'énergie, l'information ne désigne pas une réalité isolée. L'information ne peut se comprendre en dehors du système qui lui donne sens, puisque l'information c'est ce qui est communiqué entre un émetteur (physique ou vivant) et un récepteur (électronique ou vivant).

byte On pourrait croire qu'avec le bit (Binary digIT) qui représente la plus petite unité d'information au niveau électronique, on tient l'information dans son objectivité. C'est pourtant une évidence qu'une suite de 0 et de 1 n'a aucun sens, ce n'est une information que pour un programme qui sait l'interpréter. Le codage de l'information au niveau matériel est basé sur l'opposition de deux états électriques (on/off) qu'on fait correspondre à 0 ou 1, constituant le système numérique minimum (binaire) ainsi que la base minimum de la logique (booléenne) où le 1 et le 0 correspondent à oui ou non (vrai/faux). Il doit être clair qu'un oui ou un non n'a de sens qu'en réponse à une question et n'a aucun sens en soi. Il est donc intéressant de souligner que le minimum d'information correspond à une réponse par oui ou nontout ou rien à une question, ce qui met en relief son caractère fondamentalement discontinu, de tout ou rien (c'est oui ou c'est non, pas une valeur continue). L'information est au minimum un oui ou un non car elle sert à se décider dans l'action, c'est un facteur discriminant, mais du coup, elle n'est pas dans la réponse elle-même qui ne peut être isolée de la question à laquelle elle répond ou de la situation qui lui donne sens.

Il est donc primordial d'insister sur l'appartenance de l'information à un système de communication, sur la nécessité de situer l'information dans son contexte. La théorie des systèmes a montré aussi comme les flux d'information devaient être associés à des flux d'énergie et de matière sans lesquels l'information n'a aucune réalité. Du fait qu'on ne peut l'isoler d'un système et de la communication, le concept d'information ne semblera plus tellement mériter d'attention en lui-même alors même qu'il deviendra envahissant dans la physique (jusqu'à John Archibald Wheeler qui prétend que tout être vient de l'information, "IT from BIT"). On verra pourtant qu'il y a bien d'autres conséquences qu'on peut tirer de ses caractéristiques particulières.

- l'organisation de l'information (émetteur/récepteur-mémoire-réaction)

Système minimal
http://www.unine.ch/autogenesis/V2_fig4.jpg

Dans un système de communication il y a au moins 2 éléments et l'information qui les relie. Par rapport à ce schéma on doit faire deux observations. D'abord il ne faut pas confondre information et interaction. Les systèmes solaires ou atomiques sont bien des systèmes reliant des éléments dans un tout sans qu'intervienne aucune information, seulement des forces de liaison.

synapse- L'information se distingue d'une interaction physique comme relation logique, conditionnelle, capable de discrimination. Ainsi, la biochimie est une chimie des formes où les molécules s'emboîtent ou pas. La morphine a le même effet que les endomorphines sans avoir du tout la même composition chimique, ce qui compte c'est uniquement la similitude des formes. transistorC'est bien une chimie conditionnelle, sur un modèle proche des transistors : c'est ouvert ou fermé, ça s'attache à un récepteur ou ça ne s'y attache pas. Rien à voir avec une force plus ou moins intense. On est dans le qualitatif et pas dans le quantitatif ("Les concepts [logiques] sont de tout ou rien et donc différents des fonctions continues de l'analyse mathématique. La théorie des automates sera donc combinatoire et non analytique" Von Neumann). Cela n'empêche pas qu'il y a aussi une dimension quantitative du qualitatif : il y a un plus ou moins grand nombre de récepteurs, une plus ou moins grande sensibilité, toute mesure quantifie une qualité particulière.

- Ensuite, l'information ne se réduit pas aux relations internes d'un système qu'elle régule, sa fonction est, au moins autant, de perception de l'extérieur,oeil d'adaptation, d'échange et de coordination avec son environnement ou d'autres systèmes informationnels. Si l'information fait toujours partie d'un système ce n'est pas forcément un système complet et régulé.

- Enfin dans un système de communication il n'y a pas disparition des éléments dans le tout. Les éléments entre lesquels circule l'information restent séparés. Cette liaison entre éléments qui restent distincts est ce qu'on peut appeler l'organisation ou l'organique (en opposition à la fusion d'éléments chimiques par exemple qui perdent complètement leur individualité et leur hétérogénéité). "Cette unité hétérogène dans l'espace, c'est l'organisation. Cette unité successive dans le temps, c'est la vie" (Félix Ravaisson, De l'Habitude, p37).

En fait il y a deux systèmes impliqués dans l'information, le système de communication et l'organisation apprenante (certains parlent d'hypersystème, couplage d'un système régulé avec un système régulateur) :
synapses
* Le système de communication est formé par l'ensemble émetteur, récepteur, canal, code, message et référent (objectif),oreille bien sûr avec d'énormes différences entre la cellule et le langage humain. L'émetteur peut d'ailleurs être un simple phénomène physique comme la lumière du soleil, un bruit quelconque, ce n'est pas forcément une émission volontaire, mais c'est un signal physique qui vient de l'extérieur.

* L'organisation apprenante constitue le destinataire de l'information,stimulus-réponse l'intériorité qui lui donne sens. Pour que l'information puisse être considérée comme telle, il faut bien qu'elle intègre un système signifiant organisé, un savoir préalable, des informations accumulées au niveau du récepteur. L'information se signale par son effet sur le récepteur qui n'y reste pas indifférent, qu'elle informe intérieurement et dont elle modifie les régulations ou les arrangements. L'information n'est donc pas seulement une perception et une communication externe, c'est bien aussi la liaison interne, la structure de l'organisation dont elle provoque la réaction. La réaction stimulus-réponse se distingue d'une simple interaction par sa causalité interne qu'on peut dire subjective (il n'y a pas égalité de l'action et de la réaction comme en mécanique).

mémoireL'information ne se limite pas à l'information circulante (saillances perceptives, c'est-à-dire un signal objectif se détachant d'un bruit de fond) mais implique tout autant l'information structurante pour qui elle fait sens (formes prégnantes, instinctuelles, c'est-à-dire leur pertinence subjective). Pas d'information sans organisation, ni une sorte de mémoire. Même un mécanisme ou un organisme sans mémoire doit être considéré de ce point de vue comme le résultat évolutif de la reproduction, intégrant une mémoire des informations passées, la trace du chemin parcouru, une accumulation d'expériences (stock d'informations ou capital de formation), ce qu'illustre bien l'ADN.

organigramme
La mémoire ne suffit pas à faire information. L'ADN n'est en soi qu'un cristal inerte dont la stabilité permet de stocker durablement des informations, ce n'est pas encore une cellule vivante qui traite l'information. Pour donner vie à l'information il faut une organisation caractérisée à la fois par sa structure (organigramme, hiérarchie, réseau, mémoire) et ses fonctions (processus, flux, régulations, objectifs). La fonction première de l'organisation est le traitement de l'information, son intégration, l'échange avec l'extérieur au profit de ses objectifs propres. Un mouvement n'est une information que pour un organisme capable de réaction, de se mouvoir dans le monde extérieur.

membraneOn peut dire que la séparation entre intérieur et extérieur est constitutive de l'information, ce pourquoi il y a deux systèmes en interaction, un système externe (communication) et un système interne (sens) lui-même divisé en mémoire interne (structure) et pulsion, réactivité, objectifs externes (fonction).

- l'in-formation intériorise l'extériorité (message)

TransductionComme le mot l'indique, l'in-formation est liée à la forme, au qualitatif, mais avec l'idée d'intériorisation de la forme (in), de transmission d'une forme à un récepteur qui l'intègre activement (formation), "comprend le message". L'information implique une séparation entre intérieur et extérieur, se situant toujours entre-deux, entre un contenu (forme) et un contenant (in), un émetteur et un récepteur. L'information est donc intériorisée mais elle fait référence à l'extérieur puisqu'elle est relation, indication, communication, transduction d'un signal, c'est-à-dire son intériorisation (comme entre le système nerveux et le système hormonal par exemple, entre signaux électriques et chimiques). L'information n'est rien en soi, elle est l'élément médiateur et régulateur d'un système spécifique, ce qui le relie aux changements extérieurs en assurant sa cohésion interne.

- l'extériorité du monde de l'in-formation

signifiant Une autre propriété fondamentale de l'information, c'est son caractère de "faire signe" et de renvoyer à autre chose qu'elle-même, autre chose que sa matérialité puisque l'information n'est pas matière mais forme (peu importe en quelle matière est une croix, ce sera une croix). C'est ce qui permet au signe de se transmettre d'un émetteur à un récepteur, ce qui permet aussi sa reproduction à un coût dérisoire, d'être reproduction du signe et non pas de la chose. Cette capacité de répétition ou de reproduction est remarquable, opposant complètement les ressorts de l'information à ceux de la masse et de l'énergie, mais le caractère indirect de l'information est non moins fondamental. Le monde du signe et de l'information est le monde de la re-connaissance, d'une connaissance indirecte des choses, et donc imparfaite, d'une régulation après-coup dans un monde incertain.

Cerveau Avec l'information on quitte le royaume de l'immanence des forces vitales pour un rapport tâtonnant (par essais-erreurs) à l'extériorité. L'information nous confronte à la transcendance du monde, un réel inaccessible sur lequel on se cogne, conscience éveillée à son manque d'information, à son ignorance première mais qui n'a qu'un rapport indirect au réel, à travers une membrane comme derrière un voile, par échanges filtrés et par approximations. Avec l'information il n'y a jamais de symbiose totale, la réalité extérieure est toujours (re)construite, (re)présentée. On ne peut réduire le psychisme au mouvement du corps alors que c'est d'abord la sensation de l'extériorité, de la séparation de l'être et d'un monde propre, à l'horizon limité, qu'il faut explorer activement.

EnquêteIl y a dans l'in-formation un mouvement vers le réel, un questionnement actif. En effet, historiquement, le premier sens d'information c'est celui d'enquête (information judiciaire). C'est ce qui fait qu'on ne peut avoir d'information que s'il y a d'abord manque d'information, incertitude qui nous pousse à voir de plus près (ce que Piaget appelle accommodation et Husserl remplissage). Non seulement l'information n'est pas une donnée passive, puisque c'est une démarche active, mais l'information ne nous laisse pas indifférents : c'est ce qui fait la différence pour nous. Elle nous transforme, en participant à notre apprentissage ou bien en nous faisant réagir.

- l'effacement du sujet

            P(i) désigne la probabilité de i
H = quantité d'information = inverse de l'entropie

Formule de ShannonCe caractère actif de l'information semble s'effacer petit à petit, le mot information ne désignant plus ensuite que le résultat de la quête (détenir des informations, écouter passivement les nouvelles), pour finir par désigner une simple unité de stockage informatique (bit, octet, ko, Mo, Go) ou de capacité de transmission (Bauds), forme sous laquelle l'information apparaît complètement dénuée de sens, propriété objective et matérielle d'un support magnétique, d'autant plus détachée de tout sujet qu'elle peut être lue par de simples PC. Ce n'est pourtant pas plus objectif qu'un livre, qui existe bien comme chose mais ne devient information qu'au moment où il est lu par quelqu'un qui sait lire et pourra y trouver ce qu'il cherche. Certes, l'information a été introduite dans la science par sa quantification sous forme de probabilités, de bande passante ou de capacité de stockage, en perdant tout contenu semble-t-il, mais c'est une illusion d'optique car si on peut admettre que "l'information est un principe physique quantifiable dont on peut mesurer l'efficacité dans un système donné" (L'empire cybernétique, p45), l'essentiel c'est bien "l'efficacité dans un système donné". On peut compter aussi le nombre de mots dans un dictionnaire sans tenir compte de leur sens, cela ne veut pas dire que les mots pourraient ne pas avoir de sens ! Pas d'information sans traitement de l'information, pas d'information sans interprétation du contenu, qui n'est plus de l'ordre du quantifiable mais du qualitatif et de l'action.

enveloppeLa quantification de l'information exprime son coût en ressources physiques et sa valeur relative mais comme pour les marchandises, sa valeur ne dépend pas seulement de son coût; ni même de son utilité, elle doit trouver preneur, la valeur étant constituée finalement par une demande effective qui reste aléatoire. C'est pareil pour l'information qui doit trouver son destinataire, sinon elle fait simplement partie du bruit ambiant. En fin de compte, l'information ne peut se passer d'un sujet vivant. Les techniques informationnelles s'adressent de plus en plus à la subjectivité dans ce qu'elle a de spécifique à l'opposée des craintes qu'on pouvait avoir d'une automatisation sans âme et du règne d'une information désincarnée.

sondageLa capacité de quantifier l'information avec des sondages semble escamoter aussi, sous une apparente objectivité, la dimension qualitative et subjective de l'information, laissant croire qu'il s'agit de quantités et de proportions, établies sur une base matérielle stable, alors qu'on est dans le domaine éminemment instable du tout ou rien (faire ou ne pas faire). Il ne faut pas rester obnubilé par cet effacement apparent du sujet et se souvenir qu'il n'y a pas d'information en soi, il n'y a d'information que pour quelqu'un (ou un système informatique). C'est d'ailleurs ce caractère subjectif qui peut seul expliquer qu'on s'exprime dans les sondages en pourcentages d'une totalité (de sondés et d'opinions). L'information procède à l'évidence ici d'une totalité des possibilités de choix d'un sujet, totalité qu'elle divise en pourcentages (voir plus bas : information et degrés de liberté). Si l'information est du domaine des probabilités et des sondages, c'est qu'elle concerne les choix incertains d'un sujet entre des possibles plus ou moins probables. 
 
2. La fonction de l'information (lutte contre l'entropie)

- l'information est relative (subjective et temporaire)

intersectionL'information apparaît comme l'élément médiateur entre intérieur et l'extérieur, subjectif et objectif, à l'intersection de la communication et de l'organisation, de l'événement et de la mémoire, de l'improbable et du probable. L'information n'est donc absolument pas un caractère physique, au même titre que la matière ou l'énergie, c'est une relation (dialectique) entre choses, relation qui n'est pas forcément une relation objective mais qui peut être seulement une relation pour-nous. Ce qui est information pour moi ne l'est pas forcément pour un autre (qui le sait déjà ou n'en a rien à faire !). Tout est relatif dans l'information, sauf la relation elle-même.

relativitéLe caractère relatif de l'information apparaît sans doute mieux à voir dans l'information une indication, une position dans l'espace, position relative à la nôtre et qui changera avec le temps. L'information n'est pas seulement relative au récepteur, elle est relative au temps, ce qui fait que sa valeur dépend du temps de diffusion ou de traitement. Rien de plus éphémère en effet que l'information qui enregistre les mouvements imprévisibles du temps et signale les changements de la matière. Ce qui était vrai hier (il pleut), n'est plus vrai aujourd'hui (le soleil brille). In-formation, relation, indication, changement disent bien le caractère à la fois subjectif et objectif de l'information, ce qu'on appelle sa pertinence, ce qui signifie que l'information est relative à ce qu'on sait déjà, à ce qui précède, et que pour extraire l'information utile il faut ignorer le bruit ambiant et toutes les informations insignifiantes ou répétées. Apprendre c'est éliminer, exclure les fausses pistes. Il n'y a donc vraiment pas d'information en soi, de même qu'il n'y a pas de note en soi. La musique illustre parfaitement cette relativité de l'information sur laquelle elle joue sans cesse, la valeur d'une note étant relative à la précédente dans une dialectique subtile de rupture et de continuité qui nous tient en haleine.

oreillesOn ne peut imaginer un être pour qui tout à la fois puisse être information, submergé par un bruit infernal, puisque, pour qu'il y ait information il faut d'abord une position relative du récepteur mais aussi un manque d'information précédent, un besoin d'information dans un but pratique, pour s'orienter dans un monde incertain. L'information, c'est ce que je ne savais pas, c'est une réponse à ma question. On n'entend que ce qu'on attend. Sinon, ce qui nous entre par une oreille sort par l'autre, comme si il n'y avait eu absolument aucune information...

- l'information vient du récepteur (décodage, feedback)

Schéma de Shannon

On a déjà fait plus que le suggérer mais il faut le répéter, c'est le récepteur qui constitue l'information comme telle. C'est moins évident sans doute dans un spectacle regardé passivement ou dans la communication entre interlocuteurs que dans la simple perception car celui qui parle semble bien produire lui-même l'information, pourtant il faut qu'il s'adapte à son auditoire et seul un feed-back positif du récepteur l'assure qu'il n'a pas parlé en vain. C'est très net dans les communications informatiques où la confirmation du récepteur détermine le débit de transmission car si on dépasse sa capacité de réception (qui est toujours limitée) la transmission a échoué. Ce qui achève d'opposer le signal physique au signe, c'est que le signe est constitué comme tel par celui qui le lit et lui donne sens, "accuse réception" du message comme on dit bizarrement. C'est la réaction du récepteur, sa non-indifférence, qui constitue l'information comme telle (même dans le cas d'une transmission impérative indifférente au récepteur, lecture ou déchiffrage). Cela veut dire que l'émetteur transmet moins d'information qu'il ne le voudrait, mais aussi qu'il en donne plus qu'il ne le croit (sur lui-même et ses intentions). L'émetteur n'est pas toujours un sujet volontaire, cela peut être un simple phénomène physique (il n'y a pas d'information sans signal physique). On peut voir des signes dans les nuages ou dans un regard, dans un livre ou un enregistrement, mais il n'y a de signe que pour quelqu'un qui s'y sent concerné, interpellé, "mis en cause", poussé à y répondre et réagir. L'information est inséparable de l'inquiétude qui la précède et constitue sa pertinence subjective. L'insistance de la linguistique sur l'énonciation est trompeuse car c'est la position d'interlocuteur qui prime, à qui on s'adresse, c'est-à-dire la position de récepteur avec sa dimension émotive et affective (un dieu à qui l'on s'adresse est supposé avoir des émotions et nous aimer...). De même en économie, c'est le consommateur qui donne finalement sa valeur au produit.

- l'information est réactive (lutte contre l'entropie)

réaction Il ne suffit donc pas d'une différence physique pour faire une information, il faut qu'elle fasse sens pour un organisme, un récepteur électronique ou une organisation, il faut que ce soit "une différence qui fasse la différence" comme disait Bateson, une perception qui déclenche une réaction et ne nous laisse pas indifférent. Pas d'information sans traitement de l'information. Pas de données sans un programme capable de les exploiter. L'action, c'est-à-dire la conversion de l'information en travail énergétique, est indispensable pour donner une effectivité matérielle à l'information. Que l'information aboutisse à l'action, attestant son but pratique, révèle en fin de compte sa finalité de lutte contre l'entropie et l'incertitude.

mélange de gazLa question de l'entropie et de la lutte contre l'entropie est abordée en annexe, nous nous bornerons dans un premier temps à rappeler que l'entropie c'est que tout s'use, casse et meure, c'est à l'origine l'irréversibilité de la dégradation de l'énergie utilisable (diffusion de la chaleur) mais on verra que cette tendance au retour à l'équilibre, vers l'état le plus probable et le plus mélangé, du moins quand aucune force ne s'y oppose, relève finalement de la loi des grands nombres (du très grand nombre de particules). L'entropie est une loi statistique, probabiliste d'effacement des différences et d'évolution vers la moyenne, ce qui suppose qu'il y avait une différenciation improbable au départ. L'entropie résulte d'une perte de contrainte. Au contraire, par sa conservation et sa reproduction, la vie est un phénomène fortement différencié, hautement improbable et dont l'entropie est négative (on dit "néguentropique" que certains écrivent "négentropique"). Ce qui caractérise la vie c'est son activité et surtout sa réactivité, sa capacité à se reproduire et à faire face à l'imprévu, de maintenir son identité malgré les agressions extérieures. Il faut donc que la vie prélève de l'énergie sur son environnement pour lutter contre l'entropie, effectuer le travail incessant de réparation et d'exploration, mais c'est l'information qui oriente son action et la rend efficace, le plus souvent grâce à une boucle de rétroaction ou un mécanisme de correction d'erreur.

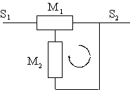
Boucle de rétroaction         
boucle de rétroactionL'information se révèle n'être à la base qu'un élément ne pouvant être isolé d'une boucle de régulation qui lui donne sens. La découverte de la cybernétique (science du pilotage ou du gouvernement) était la découverte de ce mécanisme universel de la boucle de rétroaction qui permet d'atteindre un objectif (de température par exemple) en se réglant sur l'écart avec l'information mesurée. La cybernétique constitue l'information comme élément essentiel d'un système qui se règle sur ses effets en vue d'une finalité pratique. L'information n'y prend sens que par rapport à une finalité active, anti-entropique, où l'objectif final, l'intentionalité, l'effet visé devient cause. Ce qu'illustre un simple thermostat qu'on positionne sur la température voulue. Il faut se garder de tout réduire pour autant à cette simple boucle de régulation (qu'on appelait servo-commande ou commande asservie!) en ignorant l'infinie complexité des phénomènes biologiques et humains ou bien en faisant comme si on avait affaire à des automatismes complètement autonomes. C'est l'utilisateur qui donne sens au thermostat en lui fixant l'objectif à atteindre.


Information et néguentropie
 
- l'information est une réduction de l'incertitude (improbabilité)

longue vueL'entropie c'est l'accroissement du désordre et de l'incertitude autour de l'état le plus probable. Or, ce qui fait la valeur subjective de l'information pour le récepteur, c'est son improbabilité, c'est-à-dire sa rareté et sa pertinence, sa capacité à nous orienter par une réduction de l'incertitude sur l'avenir, un gain de "visibilité de l'invisible". Plus une idée ou un événement est improbable, par rapport à ce qui précède, plus grande sera sa valeur informative. On peut donc définir l'information objectivement comme improbabilité (physique et quantitative) et subjectivement comme une réduction de l'incertitude (cognitive et qualitative) permettant de lutter contre l'entropie, d'augmenter ses chances de durer.

news"La valeur d'une information est dans son improbabilité", sa nouveauté, son côté extra-ordinaire. Il faut partir de là, de ce qui l'oppose à l'entropie qui tend vers la plus grande probabilité, et la relie au temps. L'information, c'est bien le contraire de l'entropie. En effet, la valeur d'une information n'est pas dans sa répétition, mais dans son caractère exceptionnel, réduisant l'incertitude en apportant des nouvelles décisives. Elle est dans sa singularité qui fait événement et la détache du bruit de fond ou d'un état antérieur. C'est bien en cela que l'information permet de lever ou réduire l'incertitude. Si l'information était parfaitement prévisible ou toujours la même, on pourrait s'en passer ! C'est pourquoi le cerveau ignore d'ordinaire les signaux répétés. On ne parle pas des trains qui arrivent à l'heure aux informations du soir mais des événements les plus marquants de la journée ou les plus insolites. La réduction de l'incertitude est équivalente à une entropie négative potentielle, c'est-à-dire une augmentation de nos capacités de prévision et de réaction, de résistance à l'entropie.

entropie

Il faut insister sur le fait que les caractéristiques de l'information d'improbabilité (de différenciation) et de levée de l'incertitude (ce que je ne savais pas) dépend d'une histoire passée, du savoir accumulé, des expériences vécues, au-delà même de ses différentes composantes efficientes, matérielles, formelles et finales. Il faut certes bien distinguer le niveau efficient de l'émetteur ou de la source d'information (événement ou intention signifiée), le niveau matériel de transmission d'un signal (codage, syntaxe, signifiant), le niveau formel du contenu transmis (décodage, sémantique, signification) et le niveau final de la compréhension par le récepteur et de sa réaction (pragmatique, subjectivation, référent).  Cela ne rend pas encore compte du processus qui va du savoir et de l'ignorance première à la levée de l'incertitude par le surgissement d'une nouvelle information. L'information comme événement n'est pas seulement système ou structure, c'est un moment dans un processus où l'on passe du flot de discours habituels et prévisibles à l'information qui tranche soudain et précipite la décision. L'information c'est le changement, la durée, l'attente, le temps qui passe et le temps de traitement de l'information.

- Information et degrés de liberté (aide à la décision)

TotalitéEn effet, c'est au niveau de la réception que ça se complique car le sens d'une information n'est pas dans ce qui est dit ou perçu mais se constitue dans l'écart par rapport à ce qui aurait pu être dit ou fait, à ce qu'on pouvait attendre avec une plus ou moins grande probabilité. Le concept d'information n'a pas de sens pour des messages isolés, sa valeur est complètement relative. La valeur d'une information n'est pas en elle-même mais dans la division d'une totalité de réponses possibles, des degrés de liberté qui nous sont laissés. C'est pourquoi le langage et la subjectivité procèdent par division d'une totalité (pourcentages des sondages, probabilités, théorie des jeux).

"La quantité d'information est définie [...] comme mesurée par le logarithme du nombre de choix possibles [...] ainsi une situation de choix binaire est caractérisée par une unité d'information. Elle est appelée un bit". Weaver W. Contributions récentes à la théorie mathématique de la communication.

questionLa quantité d'information, dans ce sens technique, mesure le rapport entre le nombre de réponses possibles avant la réception du message et le nombre de réponses qui restent possibles après sa réception, c'est une mesure en termes de liberté de choix, de possibilités qui restent ouvertes, mesure de notre ignorance (être libre, c'est ne pas savoir et se demander ce qu'on va faire : information = incertitude = liberté de choix). Le but de la communication est normalement de transmettre des messages qui ne sont pas complètement prévisibles pour arriver à une plus grande prévisibilité.

sondagesL'information sert à s'orienter dans la prise de décision en réduisant l'incertitude ainsi qu'à réagir aux changements extérieurs. A chaque fois, l'information procède par différenciation, distinction, sélection, séparation, division (en partant d'une totalité et non par accumulation de détails). Il y a une négativité de l'information qui est celle de l'apprentissage qui nous transforme et du temps lui-même comme complexification. La découverte de Saussure a été de comprendre que le langage n'était pas un code mais un système de différences procédant par définitions, divisions, dichotomies, spécification du sens par rapport aux autres mots qui s'opposent entre eux. On peut étendre plus généralement ce caractère dichotomique à l'information elle-même, à condition de compléter cette différenciation synchronique, structurelle et objective, par une différenciation diachronique, temporelle et subjective puisque l'information, c'est d'abord ce que je ne savais pas avant, la réponse à ma question.

- l'information est imparfaite (rétroactions et organisation)

meteoDe par son caractère "improbable" en plus d'être indirecte, il faut admettre en effet que toute information est imparfaite puisqu'elle implique une séparation avec le monde (l'émetteur) et qu'elle apparaît dans un monde complexe, imprévisible et changeant, au moins aussi incertain que la météo. C'est ce qui oblige à corriger le tir en permanence grâce à de nouvelles évaluations (c'est le principe même des régulations, d'une boucle de rétroaction, de l'adaptation ou de l'apprentissage). Non seulement l'information est imparfaite mais nos capacités d'analyse sont limitées et nos émotions ou des influences extérieures faussent notre jugement. C'est ce que Herbert Simon appelle notre "rationalité limitée" qui est un caractéristique fondamentale du monde de l'information. L'imperfection de l'information et de la connaissance devrait nous inciter à la prudence, à la vérification des données et la diversification des savoirs mais surtout à la correction de nos erreurs, sur le modèle d'un thermostat encore (ci-dessous la plus ancienne représentation d'une boucle de rétroaction).

Kupfmuller

Boucle de rétroaction
Küpfmüller, 1928


La boucle de rétroaction n'est pas seulement l'intervention de la finalité dans la chaîne des causes, c'est aussi la conscience que tout ce qu'on fait tourne mal si on ne rectifie pas le tir en permanence, et pour cela, il faut bien partir des effets négatifs, de l'écart par rapport aux objectifs. Il faut toujours lutter contre le désastre et la mort, se prémunir des accidents, rattraper le coup, aider au meilleur, éviter le pire. C'est notre rôle anti-entropique. Il ne s'agit pas d'ignorer l'entropie et le bruit, au contraire il faut en tenir compte afin de les éliminer grâce à la redondance et la correction d'erreurs. L'informatique, c'est le règne de l'erreur, et de sa correction, erreurs de transmission, bugs de programmation (jamais complètement éliminés) ou erreurs de saisie de l'utilisateur. Programmer c'est pour la plus grande part reconnaître ses erreurs et les corriger. Il faut partir de là, de nos limites, de notre inhabileté fatale, de nos échecs répétés pour avoir une chance d'aller au-delà. La rétroaction doit permettre à la fois l'ajustement aux réalités locales, la correction des dérives ou des effets pervers jusqu'au changement de stratégie s'il le faut, s'il se confirme qu'on a fait fausse route.

Organisation hiérarchiqueUne autre conséquence de l'imperfection de l'information, de notre rationalité limitée et de la division des savoirs, c'est la supériorité des organisations sur les individus isolés, ce que Philippe Herlin appelle des économies d'échelle. En effet les informations utiles (exceptionnelles) ne s'ajoutent pas seulement les unes aux autres, leur capacité de réduction de l'incertitude est de forme exponentielle (une information de position plus une information de vitesse ce n'est pas simplement une petite précision de plus). Plus l'information est concentrée, plus elle est efficace procurant un avantage décisif. La raison d'être des organisations hiérarchisées ne se réduit absolument pas à l'absence de coûts de transactions à l'intérieur de l'entreprise, comme le prétendent certains économistes (Coase). La raison d'être des organisations et des hiérarchies, c'est la synergie, la coopération, la division du travail (le tout est plus que la somme des parties) mais c'est surtout le traitement et la concentration de l'information. C'est ce qui donne un avantage comparatif considérable aux grandes sociétés pour faire face à l'incertitude, d'autant plus que l'information utile revêt un caractère statistique. Le point faible des grandes organisations c'est leur réactivité qui se ralentit inévitablement avec la taille (plus le niveau hiérarchique s'élève, plus la taille grandit et plus les rythmes sont lents, y compris les échanges d'informations, chaque niveau servant de filtre entre traitement local et "soumission" de l'information au niveau supérieur).

On voit que l'imperfection de l'information ne doit pas nous pousser au "laisser-faire" comme le prétend le néo-libéralisme de Hayek mais à redoubler d'organisation et de prudence. L'hypothèse d'un marché parfait suppose une absence totale d'organisations, une entropie maximale d'individus isolés qui représente aussi la plus faible efficacité pour faire face à l'incertitude, la plus faible capacité de produire un travail et donc de lutter contre l'entropie.


"En généralisant on peut dire que l'entropie d'un système à un instant donné est égal à l'entropie maximale diminuée de toute l'organisation incorporée, c'est à dire de toute l'information que l'on peut connaître (mesurer) sur ce système".



Récapitulons (nécessaire redondance) :

Non seulement l'information est improbable, discontinue, non proportionnelle et lève une incertitude tout en restant une indication indirecte, imparfaite et temporaire, exigeant des corrections incessantes, mais surtout, il lui faut un récepteur pour lequel elle fasse sens, récepteur qui n'y soit pas indifférent, dont l'information provoque la réaction (effet qui devient cause). L'information implique une démarche plus active qu'on ne croit, elle implique d'être "en formation", elle implique la vie et l'ignorance, l'exploration du monde par essais-erreurs ou stimulus-réponse.

C'est-à-dire qu'il n'y a pas d'information en soi et qu'on ne peut l'isoler du système pour lequel elle prend sens. L'information n'est pas un concept simple, on ne peut pas dire "c'est une caractéristique de tel objet" puisque c'est le récepteur et son ignorance préalable qui la constitue comme telle.

L'information est un élément d'un ensemble reliant émetteur (physique) et récepteur (biologique ou électronique), communication entre un extérieur et un intérieur, intériorisation de l'extériorité, boucle de rétroaction assurant sa cohésion interne selon une dialectique de la mémoire et de la nouveauté. L'information est relation, changement, médiation et organisation (système), liée à la cognition, l'apprentissage, l'adaptation, la communication et, en fin de compte, la lutte contre l'entropie grâce à ses capacités de correction d'erreur, de régulation et de reproduction.

On ne peut en éliminer la subjectivité, l'inquiétude qui précède l'information et constitue sa pertinence, ni sa capacité de réception limitée (trop d'information tue l'information). Il faut mobiliser l'attention du récepteur par rapport au bruit ambiant et donc qu'il soit "motivé", qu'il y trouve intérêt par rapport à ses finalités internes.

La signification d'une information est toujours relative. Elle dépend d'une histoire passée, du chemin parcouru, des expériences vécues, du contexte et du savoir constitué. Sa valeur est fonction des degrés de liberté, de la totalité des choix possibles, des capacités d'agir entre lesquelles nous devons choisir. Elle est reliée objectivement à son improbabilité, à une différenciation, et subjectivement à sa pertinence, à sa valeur décisive (ce que je ne savais pas), c'est-à-dire à sa fonction anti-entropique.

On peut le dire d'un automatisme, de la cellule comme de nous-mêmes ou de tout autre système informationnel au-delà des différences considérables de niveau et de complexité. Il ne s'agit en aucun cas de pousser à la confusion entre ces réalités si éloignées mais de comprendre ce que le rôle de l'information peut avoir de similaire dans chaque cas et selon des modalités bien différenciées. C'est, en tout cas, l'objet de ce petit livre.

  

3. Signal matériel et information (théorie du signal)

Bruit Au lieu d'éclaircir la question, il doit sembler plutôt que ce qu'on croyait si bien connaître de l'information s'obscurcit singulièrement entre les niveaux biologique, cognitif, informatique et médiatique. L'intégration de nouvelles informations est toujours difficile et tout ceci doit paraître bien indigeste (qui n'est pourtant pas si nouveau). Un trop plein d'information devient rapidement un bruit indistinct. L'apprentissage a besoin de répétitions comme l'information a besoin de redondance. On peut donc espérer que la complexité de l'information se clarifie un peu en examinant ses caractéristiques matérielles. Des transmissions numériques à la phonologie ou l'ADN on retrouvera en effet cette indispensable redondance de l'information ainsi que son improbabilité et sa discontinuité ou ses capacités de correction d'erreurs et de reproduction, de lutte contre l'entropie enfin, réalisant ce miracle permanent d'une existence improbable que tout condamne mais qui dure pourtant, tenace, et se reproduit même à tout va au milieu de mille menaces et de chances aussi.

- l'information comme redondance improbable

sonnerieOn a vu qu'il y a dans l'information la surprise de l'existence, d'une présence extérieure et singulière. Même au niveau sémantique et subjectif, ce qui fait information, c'est une singularité, une discontinuité qui se détache d'un fond continu monotone et du bruit environnant. C'est exactement ce qu'on retrouve au niveau matériel, par exemple avec une sonnerie qui retentit dans le brouhaha extérieur, répétition d'un son anormalement fort. Le rapport bruit aléatoire désordonné / signal improbable ordonné est ce que la théorie du signal partage avec la théorie de l'information (et l'entropie) mais si la sonnerie du réveil est bien réelle, s'il n'y a pas d'information sans un substrat matériel et qu'aucune information ne peut avoir d'effet sans énergie ou travail, on voit bien pourtant que l'information n'est pas une caractéristique de la matière elle-même ou du son. D'ailleurs, les informations ne s'ajoutent pas toujours aux informations, comme des forces qui se cumulent, au contraire : trop d'informations tue l'information (saturation du canal). L'in-formation n'est effective que pour un récepteur aux capacités limitées, qui la filtre et la distingue du bruit ambiant par sa pertinence, sa valeur d'information pour lui.

SignalIl faut bien qu'il y ait un signal matériel mais ce qui fait l'information c'est un différentiel, une rupture, un changement inattendu qui fait événement pour quelqu'un. Il n'y a pas de signe sans un signal physique mais le signe ne doit pas être identifié à son support matériel puisqu'il peut y avoir transfert d'information d'un support à l'autre, traduction ou transduction d'un système à un autre. On a vu que c'était possible parce qu'information et signe renvoient à autre chose qu'eux-mêmes, ils indiquent un événement extérieur, peu importe comment. Cela devrait nous convaincre de ne pas confondre la théorie du signal ou des communications avec la théorie de l'information dont elles ne sont qu'une composante et qui escamotent la structure formelle de l'information et la dynamique du processus, l'intériorité subjective ou cognitive, en se focalisant sur les échanges.
 
Shannon 1916-    
Shannon Il est cependant remarquable que Shannon arrive à définir l'unité d'information dans un signal comme une "redondance improbable", valeur improbable (d'intensité du courant) qui doit être répétée pour être vraiment significative ; ce qu'une sonnerie illustre (avec un nombre très élevé de répétitions cette fois !) mais aussi le double brin de l'ADN. Pour distinguer le signal émis du bruit de fond il faut qu'il se manifeste par un pic significatif, répété ou durant assez longtemps pour le distinguer d'un parasite toujours possible. C'est cette redondance qui va constituer la fiabilité de l'information, sa robustesse, en permettant de tester sa conformité et de corriger ses erreurs. Shannon travaillait d'ailleurs sur la compression de données, c'est-à-dire la réduction de la redondance à son minimum sans perte d'informations ni de fiabilité. Sa découverte, c'est que cette redondance ne peut être nulle car elle est indispensable à l'intelligibilité et doit être inversement proportionnelle à la fiabilité du canal emprunté. Redondance ne signifie pas forcément qu'on répète tout, comme les deux brins de l'ADN, mais qu'on insère au moins des contrôles par exemple une checksum (somme des bits envoyés), dont la plus simple, et universellement appliquée, s'appelle la "parité" (indiquant seulement si la somme est paire ou impaire, 0 ou 1), ce qui ne mobilise pas beaucoup de ressources mais constitue un niveau très faible de sécurité. Le respect d'une syntaxe constitue aussi un contrôle comme l'envoie d'un caractère "on" en début de transmission et "off" en fin de transmission (ce qu'on retrouve aussi dans l'ADN). Il est intéressant de noter qu'au niveau le plus matériel déjà, il faut se faire remarquer (improbabilité), se répéter (redondance) et vérifier l'information (contrôle) avant de confirmer sa réception (signal "Ack" pour acknowledgment : re-connaissance, accusé de réception).

Code La théorie du signal se prétend délivrée de tout souci sémantique mais l'information ne peut atteindre une totale objectivité car elle dépend toujours d'une capacité de réception, qu'elle soit électronique ou humaine. Elle n'ignore pas tant le contenu qu'elle le réduit à la conformité du signal à un code convenu, une syntaxe matérielle, tout comme un grammairien. Ce que l'information garde de subjectif au niveau matériel c'est le nécessaire codage - décodage ce qui correspond à la transduction entre le signal physique et l'information elle-même.


- l'information comme discontinuité, effet de seuil disproportionné

morse L'improbabilité de l'information s'oppose complètement par sa discontinuité à la continuité du signal physique (comme la sonnerie se détache du silence ou du bruit de fond sonore). L'information est une saillance qui se détache d'un bruit de fond et de l'état précédent, c'est une différence et une nouvelle. Le caractère discontinu de l'information, découpée sur un signal continu, est absolument essentiel pour éliminer l'approximation et l'inexactitude de toute mesure continue dont la précision est toujours limitée. Le morse illustre bien cette discontinuité du code signifiant, mais l'arc-en-ciel aussi dont on sait que ce n'est absolument pas un phénomène physique. L'arc-en-ciel est un phénomène uniquement perceptif, qui n'existe que pour nous, différenciant arbitrairement des longueurs d'onde proches en couleurs bien distinctes par effets de seuil des capteurs de la vision.arc-en-ciel Division du continu, "discrétisation" du réel, la discontinuité de l'information lui donne son caractère de "tout ou rien", de bifurcation, de choix entre différentes options mutuellement exclusives plutôt que d'une variation continue de plus ou de moins, sans ruptures sensibles. Ce n'est pas pour rien que les couleurs servent à marquer de pures différences (sur une carte par exemple). La discontinuité est une opposition fondamentale au monde des forces physiques et de l'énergie. On en prend difficilement toute la mesure. Pour qu'il y ait des idées claires et distinctes, il faut qu'elles soient discontinues. On peut voir les conséquences de cette discontinuité jusqu'à la flexibilité et l'intermittence que nous subissons dans le travail immatériel, nous en reparlerons.

non-linaireAu niveau matériel chaque information se vaut puisqu'on ne peut tenir compte de son contenu, ce n'est qu'une suite de 0 et de 1. Il y a pourtant des informations beaucoup plus importantes et décisives que d'autres. On doit donc bien constater qu'il n'y a aucune proportionnalité entre l'effet d'une information (tout ou rien) et l'énergie en jeu (qui reste constante que l'information soit cruciale ou inutile). On n'est pas dans un rapport de forces (calculable) mais dans un effet de seuil, des phénomènes "non-linéaires" largement imprévisibles (chaotiques). On peut illustrer cette disproportion entre l'information et ses effets par un courant très faible qui commande l'ouverture d'une alimentation électrique de grande puissance.

débordeUne image plus juste serait celle de "la goutte d'eau qui fait déborder le vase" ou du dernier mot qui décide du sens d'une longue phrase. Le caractère discontinu de l'information implique cet effet de seuil où une différence infime peut faire tout basculer, provoquant une bifurcation irréversible, alors que toute l'accumulation précédente n'avait produit aucun effet notable. trop-pleinLe "trop-plein" qui fixe le niveau d'eau d'un bassin peut être considéré comme la forme la plus simple de régulation, sans rétroaction. Comme l'information, le trop-plein tranche sur une évolution continue qu'il limite de son trait, introduisant une rupture "catastrophique" complètement disproportionnée avec la cause déclenchante.

Prédire n'est pas expliquerReconnaître le caractère non-linéaire, incalculable, disproportionné et imprévisible de l'effet d'une information nouvelle (si elle est vraiment nouvelle), revêt une grande importance pour comprendre notre monde de l'information. Si on peut relier la discontinuité de l'information à la précarité que nous subissons, on peut constater aussi qu'à l'opposée de la logique d'une "force de travail", le travail immatériel (créatif, relationnel et cognitif) perd toute proportionnalité entre le temps passé et la production effective car il y a inévitablement beaucoup de temps perdu. Les revenus aussi sont de plus en plus disproportionnés entre des chercheurs sous-payés et les revenus astronomiques de quelques vedettes qui touchent grâce aux média un marché immense. L'économie ne peut plus prétendre être une véritable science. Elle est réduite à de simples conjonctures, à des probabilités qui peuvent être remarquablement précises au jour le jour, ce qui ne les empêche pas d'être régulièrement démenties par des emballements soudains ou de grands mouvements de fond. Il n'y a pas de véritables sciences humaines car on est, avec le monde de l'information, dans le domaine de l'incalculable où les mathématiques ne sont pas pertinentes en dehors des statistiques. René Thom avait dû se résigner à ce que sa "théorie des catastrophes" reste qualitative car expliquer n'est pas prédire lorsqu'on a affaire à des discontinuités, de brusques transitions de phase ou changements de régime.

- Du signal analogique à la reproduction numérique (la transmutation de la matière en esprit)

Nicolas FlamelNous arrivons à ce moment magique de la transmutation du signal en signe, où la matière physique se fait le support d'un autre monde, celui de l'information, de la vie et de l'esprit qui ne prend appui sur la matière et le monde des causes que pour prendre son envol vers une toute autre dimension obéissant à d'autres lois, monde des formes et des idées, de la logique et de l'apprentissage, de l'éternité et de l'avenir, de la liberté et des finalités, de la folie et des illusions. Comment est-ce possible ? Comment passe-t-on de l'étendue à la pensée, du signal continu à l'information discontinue ?


NumérisationC'est tout simple. On a vu que la communication ne peut se faire sans un signal physique, un courant énergétique, une porteuse continue, sur laquelle se découpe une information numérisée, discontinue. On choisit donc de décomposer le signal continu en unités discrètes, en ignorant délibérément les variations entre deux bornes, deux limites arbitrairement découpées. C'est ce qu'on appelle le degré de définition ou d'échantillonnage d'un son ou d'une image. Pour un son, on passe d'un signal sinusoïdal à un signal carré (voir schéma ci-contre) représentant une suite de 0 et de 1 au lieu du signal analogique originel. Curieusement, par cette soustraction de la qualité initiale (nettoyée de ses plus petits détails) on obtient une bien meilleure qualité de restitution car on s'affranchit ainsi du bruit, c'est-à-dire des fluctuations non significatives qui recouvrent ces trop petites nuances. Pour obtenir une reproduction à l'identique il faut d'abord commencer par prendre une marge d'erreur suffisante. Mais, dès lors, c'est un véritable changement de nature du signal qui s'opère, ne reflétant plus du tout le son originel mais seulement une suite de codes binaires ne produisant aucun son directement. On n'est plus dans le signal physique mais bien dans l'information. Ces enregistrements numériques peuvent être compressés, transmis et reproduits complètement à l'identique mais doivent être interprétés par un lecteur numérique adapté (MP3 par exemple), achevant la transmutation d'une façon qu'on trouvera bien trop triviale sans doute.

NumériqueLa musique numérisée part d'un signal continu pour restituer un signal pseudo-continu, comme le cinéma reconstitue le mouvement par une succession d'images. C'est un cas particulier permettant d'illustrer le passage du continu au discontinu de tout support informatique mais la plupart des échanges d'information sont discontinus et n'ont aucun besoin de reconstituer un signal continu original. La numérisation binaire se révélant complètement universelle s'étend à tous les domaines (images, données, biotechnologies). C'est ce qu'on appelle l'interopérabilité, généralisant les communications entre appareils numériques grâce à une reproduction de plus en plus facile et automatisée.

téléphoneOn peut se demander ce qu'il en était avant l'avènement du numérique. Ainsi, le téléphone et les enregistrements empruntaient jusqu'à maintenant des supports analogiques. Dans ce cas, le signal n'est pas reproductible à l'infini contrairement au numérique mais il y a bien une transmission de l'information. C'est qu'une transformation discontinue, du même ordre que la numérisation, s'opère au niveau de l'auditeur, de façon semblable à la perception de l'arc-en-ciel. La parole étant une suite discontinue d'informations (phonèmes, mots) ne fait, avec un téléphone analogique, qu'emprunter la continuité du signal pour se transmettre. A la réception, la reconnaissance des phonèmes, bien différenciés malgré les bruits parasites, permet de comprendre exactement ce qui s'est dit en général, et de le répéter ensuite autant qu'on voudra.

Page bible de GutengergL'écriture utilisant un codage explicite était aussi, et ce dès l'origine, complètement reproductible, bien avant l'imprimerie ! Ce n'est donc pas une nouveauté. Ce qui est nouveau c'est la facilité et l'universalité des technologies numériques. La lettre déjà se détache de la page, à laquelle elle n'appartient pas mais au monde du sens. Non seulement une lettre est un signe discontinu sur un support lisse, mais c'est un signe qui renvoie à autre chose que lui-même (phonème, code, sens). C'est encore une fois par ce caractère indirect du signe qui n'est pas la chose elle-même qu'il peut être reproduit car il n'est pas reproduction de la chose mais seulement du signe. L'écriture appartient au monde de l'information et pas à celui de la matière ou de l'énergie. On a pris l'écriture en exemple mais bien avant l'invention de l'écriture la parole répétée de génération en génération suffisait à transmettre la tradition, les savoirs accumulées et la loi morale sans subir les injures du temps. Et, bien sûr, la vie n'a pas attendu le langage pour assurer la reproduction de l'ADN où se conserve la mémoire du passé et de ses stratégies d'adaptation réussies. La transmutation de la matière en information ne date donc pas d'hier, ni des techniques numériques.


Nous avons vu comment on passe de la matière continue dépourvue de sens à l'information discontinue, signifiante et reproductible. Il reste à voir comment l'information surmonte complètement l'entropie grâce à la redondance et à la correction d'erreurs, échappant aux dernières entraves matérielles.



- Entropie, bruit, correction d'erreur et reproduction (la révolution néguentropique)
 
signal analogique L'entropie (cf. Annexe) est omniprésente dans le domaine des communications et de l'information sous la forme du bruit qui brouille la réception et limite la portée des transmissions. Le bruit est ce qui réduit la quantité d'information transmise, accroît l'incertitude, c'est la part aléatoire inéliminable (le mouvement brownien). Il faut souligner qu'au niveau du signal (analogique) il n'y a pas de véritable correction d'erreurs, il y a inévitablement des pertes dans toute transmission et le recours à des filtres ou des amplifications ne permet jamais de restituer le signal originel. A chaque fois, on appauvrit le signal ou bien on génère un bruit de fond de plus en plus important. L'entropie y règne bien en maître, ce qui n'est absolument plus le cas dans le domaine du numérique ou du vivant qui permet une reproduction à l'identique presque entièrement délivrée de l'entropie. Comment est-ce possible ? Par la redondance et la correction d'erreurs justement qui n'ignorent pas du tout l'entropie mais en tiennent compte au contraire, afin de pouvoir s'en délivrer. Il s'agit de reconnaître ses erreurs pour les corriger. C'est le principe qui fait passer de l'entropie physique à l'activité vitale néguentropique.
 
codonLa correction d'erreurs ne vient qu'avec le numérique ou l'ADN, c'est-à-dire dès qu'on est dans un codage discontinu et non plus dans la continuité analogique. On a vu que la discontinuité était la condition de la reproduction. La correction d'erreurs est la condition de son exactitude. La discontinuité numérique permet non pas d'éviter l'entropie mais de la mettre en évidence par le contrôle de la redondance des éléments, leur comparaison. La redondance est indispensable pour valider une information qui pourrait n'être sinon qu'une anomalie aléatoire dépourvue de toute signification mais, surtout, la redondance assure la robustesse de l'information en permettant de vérifier que la transmission est correcte (parité). Il y a toujours beaucoup de redondances dans nos phrases comme dans toute communication pour éviter les malentendus innombrables. La compression de données arrive d'ailleurs à éliminer jusqu'à 90% d'un texte sans aucune perte ! On peut mesurer l'intelligibilité d'un texte à sa redondance qui est fonction inverse de la quantité d'information : moins il y a d'information plus c'est facile à retenir. Cela veut dire aussi qu'on ne peut transmettre au plus grand nombre qu'un tout petit nombre d'information car plus il faut de redondance pour surmonter le bruit général.
 
CRCLa correction d'erreur tire parti du caractère discontinu de l'information et de sa redondance pour détecter voire corriger une erreur, par exemple grâce à un CRC (Code de Redondance Cyclique) largement utilisé en informatique. Ce n'est pas comme un signal analogique plus ou moins juste mais jamais strictement identique. Avec le numérique, c'est la même valeur ou il y a une erreur qu'il faut corriger (recommencer la transmission), c'est bon ou mauvais, c'est oui ou c'est non.
 
OGMDès lors la reproduction de l'information peut se faire absolument à l'identique, se révélant capable de surmonter l'erreur et l'entropie en les intégrant. Cela veut dire aussi qu'on peut utiliser un canal de transmission non fiable pour transmettre de l'information fiable à condition d'augmenter la redondance et de réduire la vitesse de transmission pour ne pas saturer sa capacité, forcément limitée. Cette faculté de reproduction à l'identique des données numériques ou génétiques constitue la fonction anti-entropique de l'information (et de la vie), sa capacité à résister au temps. C'est paradoxalement cette capacité de reproduction qui pose problème au système marchand, aussi bien pour la musique que pour les OGM !
 
 - Information, énergie, entropie
 
Au terme de ce parcours, il faut souligner tout ce qui oppose l'information à l'énergie et l'entropie pour prendre la mesure de la rupture entre la société de l'énergie et la société de l'information.
 
envers Par rapport à l'entropie, la valeur d'une information étant dans son improbabilité, on a vu qu'il est effectivement strictement équivalent de parler d'entropie ou de quantité d'information. Sauf que la quantité d'information (H), c'est le contraire de l'entropie (S) puisque celle-ci mesure la tendance vers l'état de plus grande probabilité et que la valeur de l'information est dans son improbabilité. On a donc strictement H = -S. C'est ce qui permet à l'information de s'opposer à l'entropie pour une finalité subjective, un système cognitif, un organisme biologique, grâce aux capacités de régulation et de reproduction de l'information s'affranchissant de l'entropie par la correction d'erreur. Entropie et information s'opposent comme le passif et l'actif. Il est donc bien confusionnel d'identifier purement et simplement entropie et information comme on le fait trop souvent, confusion qui mène à la négation du caractère subjectif et anti-entropique de l'information.
information et énergie

L'opposition de l'énergie et de l'information (de la matière et de l'esprit) est bien plus radicale encore. Cette fois-ci on ne peut dire que l'un est l'envers de l'autre, ce sont vraiment deux univers aux logiques incommensurables. On peut en faire le tableau suivant qui part des caractéristiques de base pour en tirer les conséquences fonctionnelles et cognitives sur le travail et l'économie :

Energie ou signal
Information ou signe

- force continue et directe
- objective
- localisé, position absolue
- quantitatif
- effet proportionnel à la cause
- prévisible, calculable
- exactitude

- probabilité, moyenne
- entropie
- dégradation, mélange

- approche analytique et réductionniste
- fonctions

- causes, passé
- passivité

- programmation détaillée
- contrainte
- effort, travail, subordination
- productivité immédiate, salaire
- exploitation
- appropriation, compétition, violence

- rareté, épuisement
- production de masse, économie de l'offre


- événement discontinu et indirect
- subjective (récepteur, pertinence, savoir)
- relation, position relative, nouveauté
- qualitatif
- effet disproportionné (non-linéaire)
- imprévisible, incalculable
- imparfait

- improbabilité, miracle ou catastrophe
- néguentropie, régulations
- reproduction, division

- approche systémique ou statistique
- modèles

- effets, finalités, futur
- activité, réaction

- direction par objectifs
- contrôle
- formation, recherche, autonomie
- investissement dans l'avenir, revenu garanti
- développement humain
- communication, coopération, motivation

- surabondance, saturation
- flux tendus, économie de la demande

 
On aurait pu ajouter qu'avec l'ère de l'information on passe d'une démocratie majoritaire à une démocratie des minorités ou bien des mouvements de masse au pouvoir des média. On voit bien que l'information n'est pas l'envers de l'énergie (l'esprit n'est pas l'envers de la matière), ce sont deux mondes aux logiques complètement différentes. Le monde de l'énergie est le monde des causes, de l'entropie et des rapports de force alors que le monde de l'information (le monde des idées) est le monde des finalités, des régulations et de la communication.

Boulding"L'information est une troisième dimension fondamentale de la matière, au-delà de la masse et de l'énergie" s'écriait déjà en 1952, K.J. Boulding, président de l'Académie des Sciences de New-York. Il faut comprendre par là qu'on ne doit pas confondre l'information avec la masse ou l'énergie, c'est un tout autre monde même si les effets en sont bien réels. Ce sont ces différences considérables qui expliquent le changement de civilisation que nous vivons avec l'émergence des technologies de l'information sans aucune commune mesure avec les techniques énergétiques de l'ère industrielle.

- Les caractéristiques de l'information
papillon
Nous avons assisté à la transmutation du signal en signe, passage de l'analogique au numérique, de la matière à l'information, de l'étendue à la pensée... Nous avons vu que s'il n'y a pas d'information sans matière, sans entropie, sans un monde incertain, l'information est bien le contraire de l'entropie mais elle appartient à un autre monde, monde des idées inséparable d'une persistance dans l'être qui l'inscrit dans la durée, monde de la cognition ou de l'adaptation, base de la reproduction du vivant et de la régulation homéostatique.

monde de l'informationOn s'alarme de ce qu'on réduirait ainsi la pensée à bien peu de chose, un simple mécanisme biologique, en même temps qu'on brouillerait les frontières entre les machines et le vivant, mais rien ne nous oblige à de telles simplifications. La pensée humaine est d'un tout autre niveau que les réactions cellulaires, puisqu'elle est multidimensionnelle (individuelle, éthique, politique, religieuse), ancrée dans l'histoire, le langage, les relations sociales, les techniques... Personne ne confond plus un ordinateur avec un être vivant, ni la pensée avec l'intelligence artificielle, cela ne nous empêche pas de le faire calculer pour nous, de profiter de ses performances souvent bien supérieures aux nôtres sans que cela ne nous diminue ou fasse de la machine autre chose qu'un outil. L'information est d'origine biologique et ne se confirme comme information qu'à trouver un être vivant qui en tire parti. Il faut comprendre ce qui unifie le concept d'information, de la cellule, à la pensée humaine et l'informatique sans confondre leurs fonctionnements qui n'ont rien à voir entre eux ! Ce n'est pas parce qu'une cellule est vivante comme nous qu'on peut ramener notre fonctionnement à celui d'une cellule. Cela n'empêche pas le concept d'information d'en délimiter un certain nombre de propriétés communes.


Après en avoir examiné les faces objectives et subjectives, nous pouvons donc maintenant essayer de récapituler les caractéristiques de l'information (matérielles, structurelles et fonctionnelles) telles que nous les avons dégagées : improbable, discontinue, non-proportionnelle, imparfaite, indirecte, relative, constituée par le récepteur, qui doit être pertinente, faisant toujours partie d'un système, au service de ses finalités néguentropiques, de reproduction, d'apprentissage et de régulations permises par ses capacités de vision (de viser un résultat), de correction d'erreurs, de mémorisation et de rétroaction.


info

Les caractéristiques de l'information


Le concept d'information a des implications fondamentales en physique, biologie, économie, politique, philosophie, robotique, etc. L'information est un élément d'un système de communication et ne désigne donc pas une qualité simple mais une structure composée, complexe et d'origine biologique, qui se distingue fondamentalement du signal physique et de l'énergie. La définition la plus générale de l'information c'est subjectivement "ce qu'on ne savait pas" (la réponse par oui ou non à une question) et objectivement une "différenciation" (une différence qui fait la différence). On peut tenter de résumer ses propriétés :


Matérielles (transmission, code, signifiant) :
- pas d'information sans support matériel, un canal de transmission, un signal énergétique continu dont elle se détache pourtant
- l'information signale un changement, une transformation (temporelle et temporaire)
- l'in-formation ne commence qu'avec la transduction interne d'un signal extérieur (perception), son décodage
- l'information se mesure à son improbabilité (caractère anti-entropique) et se manifeste par sa discontinuité (saillance, différence, nouveauté, tout ou rien) mais aussi par sa redondance (répétition, vérification, contrôle d'erreur, confirmation)
- l'effet d'une information se révèle complètement disproportionné à l'énergie en jeu ou aux rapports de force (non calculable, effet de seuil, phénomènes non-linéaires)

- son caractère indirect de signe d'autre chose (transduction, codage numérique) rend l'information reproductible à l'opposée de la matière ou de l'énergie, reproduction à l'identique sans aucune entropie grâce à la redondance et la correction d'erreurs.

Structurelles (communication, décodage, signifié) :
- Pas d'information sans système de communication, sans récepteur pour lequel elle fait sens (filtre, décodage, réaction conditionnelle, mémoire, organisation apprenante)

- l'information est relation, elle est relative et temporaire, elle dépend du récepteur et du contexte, des enjeux de la situation et de l'état précédent, de l'attention disponible (capacité de réception) et des incertitudes de l'action (pertinence), du savoir préalable et des possibilités objectives du moment (degrés de liberté)
- l'information se signale par son imprévisibilité et donc par son imperfection (extérieure, indirecte, subjective, improbable, entropie, temporaire) qui exige une correction permanente (parer à l'imprévu, ajustement) ainsi qu'une organisation permettant de concentrer et répartir l'information
- l'information intègre une structure, un réseau organisé en niveaux hiérarchiques impliquant une séparation entre intérieur et extérieur

Fonctionnelles (pragmatique, néguentropie, objectif) :
- pas d'information sans réaction d'un récepteur, sans pertinence subjective, manque d'information, inquiétude préalable, c'est-à-dire en vue d'une finalité anti-entropique (néguentropique)
- ce qui mesure la valeur d'une information c'est la réduction de l'incertitude par intériorisation de l'extériorité (perception, sens, indication, représentation, prévision, visibilité de l'invisible) mais ce qui fait sa valeur, lui donne sens, ce sont les degrés de liberté entre lesquels il faut choisir, c'est-à-dire, les possibilités de choix qui restent. La valeur de l'information est une question pratique

- l'information n'est qu'un élément qui prend place dans un processus dynamique récursif, toujours "en formation", processus cognitif de régulation des flux, d'adaptation et d'apprentissage, constituant une causalité par les effets, par la fin (pilotage, obligation de résultat), par boucle de rétroaction (feed-back)
- l'information permet une reproduction à l'identique ainsi qu'une durée échappant à l'entropie (au temps physique) grâce aux corrections d'erreurs et régulations (compensation, adaptation, évolution, complexification, optimisation, apprentissage)
- l'information s'inscrit dans une boucle de rétroaction, un pilotage par objectif (cybernétique) où les finalités deviennent cause, une organisation néguentropique, un système de traitement de l'information limitant les pertes d'énergie

- nous verrons enfin que l'information nous rend responsables de l'avenir. L'ère de l'information et de l'intelligence collective, c'est aussi l'ère de l'Ecologie et du développement humain.


 
 


4. La régulation cybernétique (corriger ses erreurs)
Ce concept d’information permet d’entrer dans un univers où il y a à la fois de l’ordre (la redondance), du désordre (le bruit) et en extraire du nouveau (l’information elle-même). De plus, l’information peut prendre une forme organisatrice (programmatrice) au sein d’une machine cybernétique. L’information devient alors ce qui contrôle l’énergie et ce qui donne autonomie.
Edgar Morin

- Information et régulation cybernétique

Vivre n'est pas nécessaire, ce qui l'est, c'est de naviguer (navigar è préciso, viver não è préciso)
devise des Argonautes

CyberneticsTout ce que nous avons vu des caractéristiques de l'information ne serait rien, n'aurait aucune effectivité, aucune place dans le monde concret sans la régulation "cybernétique" et en premier lieu sans la vie qui en répand partout la puissance anti-entropique. L'information insiste par la durée qu'elle donne, en s'opposant aux forces aveugles de destruction, en évitant le pire, en profitant des chances qui se présentent, en permettant d'atteindre nos objectifs vitaux. L'information est donc inséparable d'une régulation cybernétique, pas seulement d'un système de communication, c'est un mode d'existence, un mode d'être au monde. Il n'y a pas d'information sans un organisme qui l'anime et l'actualise.

StalineLe terme "cybernétique" fait peur, il évoque un monde de robots, de "cyborgs", des utopies plus ou moins effrayantes et les outrances de débuts trop enthousiastes sans doute. On a certes raison de vouloir opposer l'humanisme à une dangereuse technophilie d'un optimisme injustifié, mais il y a là un immense malentendu. Le sens originel du mot "cybernétique" a été complètement perdu semble-t-il, n'apparaissant plus que dans les expressions comme "l'espace cybernétique" les "cyber-cafés" ou la "cyber-criminalité", désignant simplement le réseau Internet. Le mot est pourtant très précis, "kubernêtik" c'est le pilotage en grec ou le gouvernail (qu'on retrouve dans "gouvernement", le mot "gouvernance" peut donc être considéré comme une latinisation de cybernétique). C'est à l'évidence une question directement politique qui est celle de l'information et du pouvoir, mais bien éloignée du totalitarisme avec lequel on a voulu la confondre sous la forme d'une "société de contrôle" alors que l'avènement de la micro-informatique a décidé de la fin du totalitarisme soviétique à partir d'Andropov, conscient qu'elle échappait à tout contrôle centralisé ! En fait, la cybernétique, comme "science des systèmes finalisés, c'est-à-dire organisés en fonction d'un résultat", étudie les mécanismes d'évolution d'un système vers un état antérieurement prédéfini (par un niveau d'organisation supérieur). L'idée est celle de fixer un cap et de redresser la barre quand on dérive du but à atteindre.

WienerLa cybernétique, ce n'est pas autre chose que le mécanisme de la rétroaction, mécanisme biologique de régulation et d'adaptation généralisé par Norbert Wiener aux automatismes et régulations sociales alors que volontarisme politique, planification et programmation détaillée multiplient les échecs. C'est la mise en oeuvre de la correction d'erreur essentielle à toute information, c'est le principe vital qu'on ne peut éviter les erreurs mais qu'on peut les corriger et surmonter nos échecs. On avouera que sous cette forme, non seulement il n'y a rien à redire à la cybernétique mais qu'on devrait en prendre un peu plus de la graine. D'ailleurs, la multiplication des agences de régulation indépendantes (comme la Banque Centrale Européenne) procède de la même inspiration. Il y a bien un risque d'automaticité de ces régulations aveugles qui ne tiennent pas compte de nous et se substituent à des contraintes autoritaires. On met facilement sur le dos des automatismes les saloperies qu'on n'oserait pas faire ouvertement. Cela n'empêche pas la nécessité d'une régulation. Il est plus paradoxal de s'effrayer qu'un automatisme puisse tenir compte de ses erreurs et avoir des capacités d'apprentissage, comme s'il nous faisait un peu concurrence. En tout cas, on ne peut faire de la cybernétique un scientisme alors que c'est la reconnaissance des limites de la technique et des risques d'erreur ! Il faudrait plutôt reprendre les intuitions de Wiener avec les 50 ans de recul qui nous permettent d'en corriger les excès et les malentendus.

On retiendra ces trois définitions successives de la cybernétique :
- "la science du contrôle et de la communication dans les machines, les animaux et les hommes" (Wiener, 1948)
- puis "l'art d'assurer l'efficacité de l'action" (Louis Couffignal, 1953)
- enfin, "la science des comportements finalisés, qu'ils soient le fait de la matière vivante ou de la matière inerte" (Georges R. Boulanger, 1956)


- reproduction, rétroaction, finalités

boucleL'information n'existe pas en soi mais prend sens par rapport à un objectif, partie intégrante d'une boucle de régulation anti-entropique qui lui donne effectivité et durée, participant à la reproduction, l'apprentissage et de multiples régulations grâce à ses capacités de correction d'erreurs, de mémorisation et de rétroaction. En plus de ses caractéristiques matérielles et du système de communication sans lequel il n'y a pas d'information, elle possède donc une dimension fonctionnelle néguentropique qui est l'objet même de la cybernétique : comment parvenir à ses fins (l'article précurseur de Wiener s'appelait Behavior, purpose and teleology), science des moyens, de l'organisation, de la modélisation et de l'efficacité.

servomécanisme Les capacités de reproduction de l'information sont absolument essentielles pour la reproduction du vivant comme pour une simple transmission. A partir de cette propriété remarquable, liée à sa discontinuité et permise par sa redondance, l'information va aussi permettre la régulation vitale, le maintien d'une homéostasie interne par le mécanisme de la correction d'erreurs, de la rétroaction et de l'adaptation par réaction conditionnelle. Ce qu'on appelle le feedback n'est pas la boucle de rétroaction elle-même mais seulement l'information reçue en retour. Le principe d'une boucle de rétroaction c'est de se régler sur l'écart entre ce résultat mesuré et la cible pour le réduire ou l'amplifier. C'est un processus récursif, circulaire où l'output contrôle l'input (où l'effet devient cause).

récompenseOn distingue les boucles de rétroaction positive et négative. Une boucle de rétroaction positive, c'est l'effet "boule de neige", c'est un emballement, une inflation, un encouragement, une incitation, une récompense, "le cercle vertueux du développement", un facteur de croissance, d'amplification et de multiplication. C'est un phénomène auto-entretenu. C'est parce qu'une action produit un effet favorable qu'elle se reproduit. On dit qu'elle fait l'objet d'un renforcement positif (on reconnaît là les phénomènes de l'évolution, de l'apprentissage, de l'amour...). On parle de boucle de rétroaction positive pour des phénomènes purement physiques comme le dérèglement climatique, sans que l'information y intervienne en quoi que ce soit. Il faut effectivement des conditions matérielles spécifiques à une boucle de rétroaction qui pour constituer un phénomène "auto-entretenu" doit être alimenté en matière et en énergie (sur le modèle des structures dissipatives de Prigogine). Les phénomènes physique d'amplification sont donc indispensables aux boucles de rétroaction positive, plus que l'information elle-même. Ainsi la vie est sans doute issue de réactions auto-catalytiques permettant à l'ARN de se reproduire, mais cela n'a rien d'une régulation. D'ailleurs, en elle-même, la boucle de rétroaction positive mène à la dislocation d'un système et son épuisement. La boucle de rétroaction négative est beaucoup plus universelle, équilibrant les emportements de la boucle de rétroaction positive et lui assurant stabilité.

homeostasisUne rétroaction négative, c'est, par définition, ce qui envoie des signes négatifs. C'est ce qui maintient l'équilibre interne (l'homéostasie), tamponne et compense les variations externes, corrige les dérives (auto-correction). C'est le principe même des régulations qui procèdent plutôt par l'irritation, le découragement, la punition, la privation de ressources (sur un fond de renforcement positif, d'élan vital). Les systèmes du plaisir et de la peine s'opposent et s'équilibrent mais leur fonction est strictement de rétroactions positive ou négative. En économie ce sont les gains et les pertes qui jouent ces rôles. C'est à travers ces régulations que l'information participe à la lutte contre l'entropie. Cela veut dire qu'il n'y a pas d'information sans "émotion" (positive ou négative). Il n'y a pas de pensée sans corps, comme disait déjà Aristote, puisque la pertinence de l'information consiste à déclencher une réponse conditionnelle adaptée. La rétroaction négative est beaucoup moins liée à des contraintes physiques, on peut même dire qu'elle s'en détache, c'est l'information qui domine cette fois, cela n'empêche pas qu'il y a quelquefois des boucles de rétroaction négative purement physiques, de même qu'il y a aussi de nombreux équilibres résultant de forces antagonistes sans que l'information ou une boucle de rétroaction n'y soient pour rien.

cibleC'est seulement lorsque l'information intervient dans les boucles de rétroaction qu'on a affaire à de véritables régulations, inséparables de finalités anti-entropiques, c'est-à-dire de nos finalités les plus concrètes. Il n'y a d'information que pour un système cognitif, une intentionalité, il n'y a d'information qu'en vue d'une action qui nous préserve de l'entropie (ce qui peut être une définition du travail, ce pourquoi il faut travailler pour vivre). On n'est plus alors dans le domaine des lois physiques mais dans le pilotage par objectif introduisant la finalité dans la chaîne des causes. Alors que la physique est le domaine de la causalité (où les causes ont des effets), le domaine de l'information ou de la vie est celui des régulations et des finalités (où les effets deviennent causes). On n'est plus dans une "obligation de moyens" d'une force aveugle mais dans une "obligation de résultat" vitale qui nous oblige à corriger nos erreurs. C'est ce qu'on fait quand on cultive son jardin, prenant soin des plantes selon leur apparence.

Peter DruckerOn peut tenter une petite synthèse des principes cybernétiques (et systémiques), de la "direction par objectifs", de l'organisation et de l'efficacité de l'action même si ces principes peuvent être la cause des délires d'un "management" qui ne ménage pas les hommes et les réduit à des moyens ; ce qui est une erreur sur les finalités de l'entreprise qui ne peut être le simple profit comme on le croit trop souvent mais plutôt l'efficacité, le savoir-faire, le capital humain qui devrait être cultivé comme le capital le plus précieux. Le dévoiement de ces principes n'empêche pas leur pertinence, et reconnaître cette pertinence devrait encourager à en dénoncer les dérives, ce qui constitue la fonction indispensable de feedback. Ce n'est pas le management ou la direction qui sont à rejeter mais le dogmatisme, l'endoctrinement, l'autoritarisme, l'arbitraire et la bêtise (ou la cruauté telle que Christophe Dejours en dénonce la banalité dans "Souffrances en France"). Il y a certes une perversion à faire fixer par les employés eux-mêmes leurs objectifs, et le summun est de vouloir faire accepter par un subordonné les sanctions prises à son égard, voire son licenciement ! La cybernétique n'y est pour rien, cela existait depuis toujours (des églises aux procès staliniens) et les principes de l'action collective, tels qu'on les résume ci-dessous, s'appliquent à toute "entreprise" humaine, pas seulement aux entreprises à but lucratif. Il est toujours nécessaire de s'adapter aux configurations locales, de corriger nos erreurs et de changer de stratégie en fonction des résultats obtenus. Il ne s'agit que d'en prendre conscience.



Objectif :
- fixer les finalités, délimiter les frontières (constitution, objet)
- observer l'environnement et repérer les opportunités ou les problèmes, les hiérarchiser (degrés de liberté)

- définir un objectif et le délais pour l'atteindre avec les étapes régulières d'évaluation et de correction (temporalités)
- trouver les niveaux pertinents d'organisation et de rétroaction de l'information (structures)
- modéliser le projet, les relations, les contraintes, les ressources, rechercher les points d'amplification (points sensibles, maillon faible, goulot d'étranglement)
- construire des scénarios, définir une stratégie


Direction (organisation et pilotage) :
organisation
- centraliser, valider, filtrer, répartir et distribuer l'information en déterminant à qui on s'adresse (communications)
- les responsabilités doivent être bien définies, les délégations réelles
- développer la formation et les échanges d'information
- chercher la diversité, les compromis et les complémentarités (synergies)
- accepter un certain désordre, les conflits, les échecs, les prises de risque, les explorations, les solutions non conformistes (adaptation)
- maintenir les contraintes, la circulation des flux et les boucles de régulation (homéostasie)
- remplacer les contraintes par l'information, et la discipline ou l'autorité par le contrôle après-coup

rétroaction
- mobiliser les énergies et les capacités disponibles au service du but commun (valorisation)
- agir par incitations et récompenses (reconnaissance) plus que par signaux négatifs
- respecter les temps de réponse

- procéder par ajustements et par itérations (local/global, intérieur/extérieur, structure/fonction)
- procéder par évaluation et correction : valider, analyser, améliorer (apprentissage)
- adapter la stratégie aux résultats, se réorganiser en fonction du terrain, faire preuve de souplesse


Feed back et motivation des acteurs :

- chacun doit savoir ce que l'on attend de lui et participer à la fixation de ses objectifs
- ceux qui sont affectés par une décision doivent pouvoir y participer
- il faut donner les informations sur la suite des actions entreprises
- les capacités et les réussites de chacun doivent être reconnues
- garder une traçabilité des informations et leur historique
- tirer les leçons des expériences positives ou négatives
- avoir la possibilité de corriger ses erreurs




- l'idéologie cybernétique


"Transférer sa responsabilité à une machine, qu'elle soit ou non capable d'apprendre, c'est lancer sa responsabilité au vent pour la voir revenir portée par la tempête".
Norbert Wiener, Cybernétique et société, 1950-1971, 10/18, p459


cyborgLa cybernétique a été accusée de vendre la mèche de notre humanité, en construisant des machines capables d'apprentissage, de vendre notre âme aux robots, en préparant la fin de l'espèce humaine, la substitution de la machine à l'homme, un post-humanisme sans limites, en brouillant les frontières du vivant et des machines, en proclamant "l'obsolescence de l'homme"... C'est avoir une bien piètre opinion de notre âme sans doute, et faire fi du caractère miraculeux de la vie avec son incroyable complexité. Ni les robots, ni l'intelligence artificielle n'ont justifié les espoirs ou les délires dont on les chargeait et si l'on devait renoncer à tous les concepts qui s'appliquent aussi bien aux êtres vivants qu'aux objets ou aux machines, on ne pourrait plus parler ! La machine à calculer de Pascal pouvait déjà être accusée de réduire la pensée à un mécanisme. S'il y a bien substitution des automatismes au travail à la chaîne, substitution des machines à la "force de travail" comme aux calculs manuels, il n'y a rien là qu'on pourrait vraiment regretter, à part bien sûr de mettre des salariés au chômage. La thématique de la "fin du travail" est associée à la cybernétique depuis l'origine, encore doit-on s'entendre sur cette fin du travail qui n'est que la fin du travail animal et servile au profit d'un travail plus qualifié et autonome, en premier lieu celui d'informaticien. Un livre comme "L'empire cybernétique" (seuil 2004) rassemble toutes ces peurs et ces confusions, nourries d'erreurs de fait ou de compréhension. Tout cela n'empêche pas qu'il faut réfuter une funeste idéologie cybernétique trop répandue, aussi bien que l'idéologie de la communication qui elle n'est pas si nouvelle puisque c'était déjà l'idéologie des sophistes. Comme Norbert Wiener, il faut dire la déception de la communication et les limites de la technique, en dénoncer les dangers si elle est confiée aux seules lois du marché, plutôt que rejeter purement et simplement un savoir et des techniques qui nous dérangent et nous effraient plus que de raison.

muscle On ne peut tout réduire à la communication, au circuit, au système, aux réseaux, pas plus qu'une société ne peut se réduire à la circulation et à sa police qui l'assure (circulez!). Il n'empêche qu'un blocage de la circulation bloque tout. Une société ne se limite pas à ses régulations comme s'il n'y avait pas de divisions internes, des contradictions, des luttes sociales, ni des enjeux historiques ou cognitifs. Nous ne sommes pas seulement un noeud de relations car nous avons une intériorité, des savoirs, une histoire. Il est risible de vouloir nous comparer à des machines ou des automatismes. Ce n'est pas une raison pour nier tous nos automatismes, y compris nos automatismes psychiques ; ce n'est pas une raison pour ignorer les influences sociales, celles de l'endroit et du temps, des "structures élémentaires de la parenté" (Lévi-Strauss), d'une "structure socio-cognitive impersonnelle" dont le structuralisme a sûrement abusé mais qui n'en a pas moins une historicité manifeste. Ce n'est pas parce que les régulations ne sont pas tout qu'elles ne sont pas omniprésentes partout. L'information et les régulations cybernétiques peuvent aider à penser l'unité psycho-somatique, les transductions entre systèmes hétérogènes, cela ne doit pas effacer la différence entre le corps et l'esprit, de même que notre part animale ne doit pas effacer notre part humaine qui s'arrache à son animalité, une culture qui se construit contre la nature, une civilisation des moeurs pétrie d'histoire.

évolution

Le souci écologique et la critique de la technique ont été présents dès les débuts de la cybernétique. On peut considérer que le feedback de la modernité industrielle c'est l'écologie-politique qui commence avec la critique du négatif du progrès, de ses dégradations et pollutions, c'est son caractère post-moderne. Il n'y a pas de fatalité de la technique. Il y a des chances à saisir, des catastrophes à éviter. L'évolution technique n'est pas mauvaise en elle-même et contient des potentialités qu'il faut transformer en opportunités. Il n'y a aucune raison de tomber dans un optimisme technologique mais il est de notre responsabilité de tirer parti des techniques disponibles pour tenter de résoudre les problèmes écologiques qui se posent à nous. L'ère de l'information n'est pas l'empire des machines, d'un monde déshumanisé et de robots qui prennent notre place puisque c'est, au contraire, l'ère de l'écologie et du développement humain. Il serait bien curieux que l'information qui nous appartient comme vivant et plus encore comme êtres de parole et de culture puisse signifier une inévitable déshumanisation. On peut considérer au contraire qu'on est de plus en plus humains, autonomes et cultivés, que ce sont nos qualités humaines qui sont mobilisés désormais et non pas notre force animale. Cela n'est pas sans poser de nouveaux problèmes et favoriser de nouvelles tyrannies plus insidieuses et totalitaires, qu'il faudra combattre avec détermination, mais cela n'empêche pas qu'on s'humanise encore et que nous sommes en train de franchir difficilement un nouveau stade cognitif avec la révolution informationnelle.



Préhistoire






 


La révolution informationnelle
(effets et nouvelles responsabilités)





1. L'émergence du concept d'information (aperçu historique)

- la théorie de l'information et la cybernétique

Il n'est pas question ici de faire un véritable historique de la théorie de l'information et de la cybernétique mais seulement d'en donner quelques dates repères. Ce ne serait pas inutile pourtant étant donné le curieux phénomène, souligné par Philippe Breton, d'amnésie collective portant sur la période 1940-1955 qui a présidé à la naissance, puis à l'essor, de l'informatique. Cette amnésie se manifeste notamment par le fait que les livres de cette époque sont introuvables, épuisés depuis longtemps.

Charles Babbage      
Charles BabbageOn a vu que l'information est qualitative, elle est relation, et pourtant c'est comme mesure quantifiable par les statistiques qu'elle a pénétré les sciences. Dès 1832 Charles Babbage (1792-1871) parle déjà de "machines d'information" et de "transmission de l'information", avant même l'invention du télégraphe. Il ne réussira pas à construire sa "machine analytique" préfigurant les ordinateurs mais il faut souligner qu'il travaillait pour les assurances, fondées sur les probabilités. La notion d'information était donc dès l'origine liée aux statistiques et aux grands nombres (ainsi qu'à la prévoyance). Avec le documentaliste Paul Otlet (1868-1944) et son projet de "réseau universel d'information", l'information devient plutôt classification et relation entre contenus.

      Walter Cannon
Walter CannonC'est dans les années 1920 que l'information devient un concept scientifique, à la convergence de trois disciplines : la physique (entropie), les statistiques (probabilités), les télécommunications (bruit). Dès ce moment, on constate que l'information représente le contraire de l'entropie, que sa valeur se situe dans son improbabilité et sa capacité de surmonter le bruit (par redondances et filtres) mais c'est à partir du moment où la biologie s'en mêle, vers 1930, (homéostasie, Walter Cannon 1929) que les concepts d'information, de système (von Bertalanffy) et de boucle de rétroaction vont commencer à s'élaborer. La théorie de l'information pénétrera alors la biologie, l'écologie, la psychologie, la sociologie, l'économie, l'anthropologie, le management, etc.

Alan Turing    
TuringOn peut considérer les mathématiciens et logiciens Alan Turing[1] et von Neumann comme les véritables pères de l'informatique. Dès 1936, ce qu'on appelle "la machine de Turing" (voir plus bas dans la chronologie) préfigure l'ordinateur comme "machine universelle" (General Problem Solver) et même le théorème de Gödel d'indécidabilité. Ce ne sera pas, loin de là, la seule contribution décisive de ce génie hétéroclite bien trop méconnu, pionnier de la transdisciplinarité et persécuté à cause de son homosexualité. Von Neumann est aussi extraordinaire, entre physique quantique, théorie des jeux, programmation et conception de l'ordinateur.

CyberneticsOn peut prendre l'année 1948 comme l'aboutissement de cette longue gestation avec la fondation de la théorie de la communication par Claude Shannon qui publie "la théorie mathématique de la communication", où l'information se signale par une redondance improbable et la quantité d'information (H) représente l'inverse de l'entropie (-S). En même temps Norbert Wiener[2] publie "Cybernetics" qui est aussi essentiel, bien qu'il semble parler de tout autre chose. La cybernétique met en oeuvre le principe de la résistance à l'entropie qui donne sens à l'information avec la boucle de rétroaction négative qui est le principe de la plupart des régulations biologiques et des automatismes se réglant sur leurs effets. Dès les années 1960, la cybernétique sera remplacée par la théorie des systèmes, puis de l'auto-organisation, dite aussi cybernétique de second niveau, insistant sur l'autonomie et la circularité des processus vitaux (autopoiésis) ou d'apprentissage qui peuvent être considérés comme une généralisation de la boucle de rétroaction ("cybernétique des systèmes observants" H. von Foerster). Cette seconde cybernétique débouche sur des systèmes intelligents, puisqu'un système intelligent réagit aux résultats de son action et observe donc son propre comportement (la rétroaction implique le rapport à soi comme identification de l'origine des effets de son action). On est passé depuis aux théories de la complexité qui insistent sur l'imperfection de l'information et son caractère non linéaire, aux effets imprévisibles, sa "rationalité limitée" (Herbert A. Simon).

- théorie des systèmes et de la complexité

Macroscope La théorie des systèmes tentera de rendre compte de l'imbrication des flux d'informations, de matières et d'énergie, de leurs circuits et de leurs régulations en distinguant information circulante et information-structure (ADN). La théorie des systèmes réunit par leur caractère de circuit les flux d'énergie, de matière et d'information. Son défaut sera donc de les mettre trop souvent sur le même plan alors qu'il faut différencier l'information (la commande) de la matière ou de l'énergie. De même la systémique sera menacée par le systématisme et le point de vue global, macroscopique, sera suspecté, souvent injustement, de "prendre la carte pour le territoire", voire de totalitarisme (point de vue extérieur, point de vue du pouvoir). Sinon, la théorie des systèmes intègre régulations et boucles de rétroaction, dans un modèle assez général pour s'appliquer aux organisations comme aux organismes sans aucun biologisme à ce stade. Ce qui rapproche la théorie des systèmes de la cybernétique, c'est le rôle structurant donné à la finalité d'un système, organisant le fonctionnement interne en fonction de son objectif. Cette finalité peut être individuelle (biologique) ou collective (sociale), ce qui change beaucoup de choses mais pas la nécessité d'assurer la collecte et la distribution de l'énergie et des matières, ainsi que de réguler l'ensemble grâce aux informations disponibles.

cognitifCe qui caractérise la biologie, c'est un niveau de complexité bien supérieur aux interactions sociales en général. On peut dire que la théorie de la complexité s'est construite sur l'insuffisance de la théorie des systèmes et sa dogmatisation mais, à part d'inévitables dérives et récupérations idéologiques, on a plutôt l'impression d'avoir affaire au développement d'une même théorie qui se transforme en fonction des problèmes qu'elle rencontre et des centres d'intérêt de l'époque (on parle de "troisième génération"), selon un processus dialectique et circulaire, processus interactif qu'on peut dire cognitif même si le cognitivisme est encore notre avenir, et bien décevant pour l'instant. Il devrait malgré tout constituer la prochaine étape après la "complexité", d'une "connaissance de la connaissance", de la connaissance comme processus historique, d'un savoir réflexif, d'une conscience de soi comme apprentissage qui s'ajuste et se corrige sans cesse, du savoir de notre ignorance dont nous sommes responsables (principe de précaution).

ignoranceQu'on ne s'effraie donc pas de ne pas tout savoir, d'être accablé par tant de choses qu'on ignore ou qu'on ne comprend pas, c'est notre lot commun et plus on progresse dans le savoir et plus notre ignorance s'étend. Il nous faut faire avec et tracer notre chemin, dans la précipitation de l'action, à travers le peu qu'on a pu comprendre. C'est ce que nous tentons ici, malgré trop d'inexactitudes, de maladresses ou d'incompétence sans doute : permettre de se saisir d'enjeux qui nous dépassent mais dont notre vie dépend.

- Chronologie

pascalineQuelques repères :
- 1640 Pascal, machine à calculer
- 1769 machine à vapeur régulée de James Watts
- 1794 télégraphe optique
- 1805 métiers Jacquard, premières machines programmables
machine analytique - 1823 Charles Babbage (1792-1871) conçoit une "machine d'information"  ou machine analytique, programmée par Ada Lovelace en 1840 (algorithme).
- "Les lois de la pensée", G. Boole, 1854 "Le but de ce traité est d’étudier les lois fondamentales des actions de l'esprit par lesquelles s’opère le raisonnement, de les formuler dans le langage symbolique du calcul et sur cette base, établir une science de la logique et en créer la méthode, de recueillir ainsi grâce aux éléments de vérités mis a jour au cours de mes recherches, des suggestions possibles concernant la nature et la constitution de l'esprit humain
".
- la notion d'entropie date de 1865 (Clausius) et celle d'écologie de 1866 (Haeckel)
- Boltzmann constitue la théorie thermodynamique en "mécanique statistique" à partir des années 1870
- Machines à cartes perforées 1884 (recensement USA 1890)



Préhistoire du concept d'information :
- 1895 Paul Otlet, documentaliste veut construire un réseau universel d'information, un réseau des réseaux et parle de mondialisme
- 1910 Saussure, Cours de linguistique générale, le signifiant sépare, il est pure différence, structure, division d'une totalité
- 1914 Torrès y Quevedo, précurseur de l'automatique
- 1920 Fischer introduit la notion de quantité d'information en statistique
- 1921 Fréchet, Théorie des écarts
- 1924 Harry Nyquist, théorie des transmissions (bruit, capacité, code)


Naissance de l'information

- 1928 Hartley définit l'information comme quantité physique (ce qui donnera la mesure H de l'information dans la formule de Shannon). Création de la théorie des jeux par John von Neumann. La boucle de rétroaction de Küpfmüller (voir plus haut) est de la même année.

homeostasie - 1929 Walter Cannon (1871-1945) introduit le concept d'homéostasie dans son livre "Bodily Changes in Pain, Hunger, Fear and Rage". Leo Szilard rapproche entropie et information en remarquant que "le démon de Maxwell ne parvient à faire décroître l'entropie du gaz que grâce à des informations en sa possession".

- 1930 on peut lire dans Science "Un gain d’entropie signifie toujours une perte d’information et rien de plus" (Lewis, Science, 06/06/1930). Premier texte de Louis Couffignal (1902-1966) sur "la nouvelle machine à calculer".

- 1932 Walter Cannon, The Wisdom of the Body

L'élaboration de l'informatique, de la théorie de l'information et des systèmes

Machine de Turing                      
Machine de Turing - 1935 Tansley parle d'écosystèmes. Invention du magnétophone.

- 1936 début de l'informatique avec la machine de Turing, machine universelle, General Problem Solver (la machine détermine un déplacement de la bande à droite ou à gauche, lit la bande et peut la modifier en changeant 0 par 1 ou réciproquement. Une mémoire annexe contient des instructions stockées qui lui permettent d'interpréter chaque emplacement et de choisir la prochaine instruction. Turing prouva que des engins de ce type sont capables des calculs les plus complexes, permettant d'en tester la calculabilité avant Gödel). Tout commence donc avec Turing (1912-1954) qui est le véritable père de l'informatique. Début de la théorie des systèmes de Von Bertalanffy ("théorie du système général", 1922, 1932, 1947, 1949)
- 1938 Début de la théorie de l'information avec Claude E. Shannon qui conçoit des circuits électriques reproduisant la logique booléenne (BIT).
- 1940 Recherche opérationnelle

- 1942 avant-première des conférences de Macy (causalité circulaire et mécanismes téléologiques), Arturo Rosenblueth fait sensation en présentant les "mécanismes téléologiques", la "causalité circulaire" et le "feedback".

- 1943 "Comportement, but et téléologie" de Wiener, Rosenblueth et Bigelow reprend ces idées. A signaler aussi  de Warren S. McCulloch and Walter Pitts, "A logical calculus of the ideas immanent in nervous activity", calcul à base de neurones activateurs ou inhibiteurs. La même année : calculateur "Kolossus" en binaire. Von Neumann introduit les branchements conditionnels (GOTO).

- 1944 Erwin Schrödinger, What is Life? (Cambridge University Press, 1944), parle de negative entropy pour caractériser la vie

- 1945-1946 von Neumann, automate cellulaire, programmation en mémoire (pointeurs)

- 1946 1ère conférence de Macy sur le feedback, lien avec l'écologie (G.E. Hutchinson)

transistor - 1947 Wiener rend visite à Turing. W. Ross Ashby "Principles of the self-organizing dynamic system", début des théories de l'auto-organisation. EDVAC calculateur à programme enregistré de von Neumann. Invention du transistor.

- 1948 Claude E. Shannon and Warren Weaver, The Mathematical Theory of Communication (Urbana, U. Illinois, 1949), improbabilité et néguentropie. Norbert Wiener, "Cybernetics", information et régulation néguentropique. IBM crée un ordinateur à mémoire centrale selon les principes de von Neumann. Création de l'assembleur.


L'informatisation de la société

UNIVAC- 1951 UNIVAC I, (UNIVersal Automatic Computer) à bandes magnétiques. Conception du premier modèle d'un réseau de neurones
- 1953 dernière conférence de Macy
- 1954 P. Drucker introduit la "direction par objectif" (DPO) dans La pratique de la direction d'entreprises
- 1955 premier ordinateur à transistors, création du langage FORTRAN (FORmula TRANslator)
- 1956 1er congrès international de cybernétique (Namur) , G. de Saint Moulin propose déjà de déconnecter le salaire de l'emploi pour faire face aux conséquences sociales de l'automatisation. Ross Ashby, Introduction to Cybernetics.
- 1959 Circuits intégrés, COBOL (COmmon Business Oriented Langage)
- 1960 Maturana et Varela, autopoiésis (cybernétique de second niveau). Forrester (dynamique générale des systèmes).


- 1962 ARPANET (véritable début 1968, origine militaire d'Internet, c'est-à-dire de l'automatisation des transmissions entre ordinateurs). Global village (MacLuhan). L'architecture de la complexité, Herbert A. Simon
- 1964 IBM 360, langage Basic
- 1968 Société américaine de cybernétique et Club de Rome. Les sciences de l'artificiel, Herbert A. Simon (rationalité procédurale)
Intel 4004 - 1970 UNIX et langage C. Le choc du futur, Alvin Toffler (démocratie interactive)
- 1971 Microprocesseur (Intel 4004)
- 1972 Les limites de la croissance (rapport du MIT pour le Club de Rome)

France

- 1969 Groupe des dix (Robin, Laborit, Atlan, Morin, Passet, Rosnay, etc)
- 1972 L'organisation biologique et la théorie de l'information, Henri Atlan
- 1973 Micral, premier micro-ordinateur (A. Truong)
- 1974 La nouvelle grille, Henri Laborit, opposition société thermodynamique, société de l'information
- 1975 Le macroscope, Joël de Rosnay, le point de vue global
Minitel - 1977 La méthode, Edgar Morin, complexité, boucle récursive
- 1979 L'économique et le vivant, René Passet
- 1982 Minitel
- 1989 Changer d'ère, Jacques Robin

Micro-informatique

Apple II- 1973 Interface avec souris et fenêtres (centre de recherche Xerox à Palo Alto)
- 1975 Altair premier véritable micro-ordinateur
- 1977 Apple II, premier ordinateur grand public

- 1981 PC d'IBM (Microsoft Ms/Dos copié sur CP/M)
macs - 1982 Hopfield, retour des réseaux neuronaux
- 1985 Troisième vague cybernétique. Sortie du Mac (souris, fenêtres graphiques).
- 1987 rapport Brutland (développement durable)


Internet

Netscape- 1990 fin Arpanet, début Internet (www en 1991)
- 1993 Mosaic, navigateur en mode texte
- 1994 Netscape (début utilisation de masse)
- 1996 The Information Age, The Rise of the Network, Manuel Castells
- 1997 Véritable début d'Internet en France
- 1998 Fête de l'Internet.





2. Les nouvelles technologies (effets concrets)

- les technologies informationnelles (informatique, biotechnologies, nanotechnologies)

l'acteur des NTIC

kidIl n'y a pas lieu de s'appesantir sur les nouvelles technologies de l'information et de la communication (NTIC). C'est ce que tout le monde connaît bien. A peine nées, elles se répandent partout avec une rapidité surprenante, envahissant notre vie quotidienne comme si elles avaient toujours existé. Les enfants dès le plus jeune âge manifestent leur familiarité avec ces machines interactives.

Technologies numériquesRappelons que les technologies informationnelles commencent uniquement avec le numérique qui leur donne une capacité de reproduction et de communication infinie ainsi qu'un langage commun à tous les supports d'information et qui permet donc leur interopérabilité (multimédia) où chaque nouveauté profite immédiatement des potentialités des autres techniques numériques. Ainsi les caméras numériques permettent grâce à Internet la transmission immédiate de leurs photos. Dans ce domaine la question des normes et de la compatibilité est cruciale (c'est l'existence de "compatibles PC" qui a permis à IBM de vaincre Apple, c'est le besoin de compatibilité qui assure à Microsoft une rente de situation). Il faut noter, cependant, que la combinaison des téléphones portatifs, des GPS (positionnement satellite) et d'Internet promet la généralisation de la surveillance, à laquelle on assiste déjà avec la multiplication des webcams...

CDsLes technologies numériques se divisent en matériel (hardware) et logiciel (software) reproduisant la séparation du signal et du signe, de la matière et de l'esprit (séparation qui n'est pas aussi nette dans les organismes). On peut faire la liste des plus significatives.

- pour le hardware : PC, téléphones cellulaires, cdroms, DVD, graveurs, instruments numériques, scanners, appareils photos numériques, webcam, domotique, télévision numérique, cartes à puce, automatismes, appareils programmables, réseaux, satellites, GPS, horloges, etc.

Tableur- pour le software : traitement de texte, musique, films, photos, graphiques, tableurs, bases de données, logiciels de calcul, de modélisations, de simulations, de formation, jeux, programmation.

Google - Internet introduit de nouvelles fonctions de réseau (courrier électronique, listes de discussion ou de diffusion, sites associatifs, domotique) en plus de l'accès aux "contenus" en ligne grâce à d'extraordinaires "moteurs de recherche" comme Google : encyclopédies, universités, journaux, mouvements politiques, sites personnels, mais aussi vedettes, pornographie (activité la plus importante). Internet permet aussi bien la recherche documentaire, le travail de groupe (wiki) et la domotique que la vidéo surveillance généralisée, le spam ou la multiplication des virus...

puce à ADNLes biotechnologies c'est les OGM, le clonage, mais aussi la thérapie génique et des prothèses diverses qui peuvent être d'une grande aide. Cependant, malgré l'extraordinaire puce à ADN (ci-contre), la génétique est en crise, son modèle s'est révélé bien insuffisant, il faut tenir compte de l'environnement, l'image d'un programme génétique n'est pas tenable (la triple hélice). Il n'empêche que les biotechnologies recèlent un potentiel immense. La difficulté est de ne pas vouloir aller trop vite pour des raisons de profit comme pour les OGM. Il faut prendre le temps de tester les innovations sans prendre de risques dans un domaine aussi "vital", mais le vivant est la plus puissante des machines, à n'en point douter. Les gènes ne sont pas tout mais ils sont tout de même, d'une façon ou d'une autre, la mémoire de l'organisme et de ses stratégies adaptatives, sélectionnée par ses résultats. Certains biologistes jouent avec le feu en manipulant un meccano qu'ils ne maîtrisent absolument pas, voire en introduisant de nouvelles bases dans le code génétique. Il faudrait appliquer ici plus rigoureusement le principe de précaution, prendre le temps de la science avant de se précipiter dans la technique, ce n'est pas nier que les biotechnologies sont bien notre avenir.

nanotechnologiesLes nanotechnologies sont moins connues. Elles n'en sont qu'à leur gestation mais elles aboutiront plus rapidement sans doute que les biotechnologies dans notre environnement car elles sont moins complexes. Là aussi il faut faire preuve de prudence mais, s'il n'est pas exclu qu'une forme de vie existe à cette échelle, la question est certainement beaucoup plus simple qu'avec le vivant. Il y a malgré tout de réels dangers qu'il faut prendre en compte sérieusement. Ce que les nanotechnologies ont d'informationnel, c'est de procéder par une réorganisation de la matière, de l'agencement des atomes, pour créer de toute pièce de nouvelles propriétés ou même des nano-machines (auto-reproductrices pour certaines). Cela peut comporter des avantages écologiques, économisant de la matière et permettant surtout une bien plus large utilisation de l'énergie solaire, première application décisive, mais la dissémination de ces nouveaux produits invisibles crée aussi de nouveaux risques.

informatiqueLes technologies informationnelles sont partout, dans la production, la distribution, la consommation. Elles se caractérisent par leur capacité de reproduction, de contamination pourrait-on dire, d'épidémie car elles ne mobilisent pas beaucoup de ressources pour se multiplier et se répandre. Elles peuvent même en économiser. Ce qu'elles apportent c'est une interactivité qui mobilise de plus en plus notre subjectivité, et nous frisons de plus en plus souvent la saturation, car tout traitement de l'information prend du temps, temps qui manque toujours par rapport aux urgences de l'action, mais c'est l'ensemble de notre monde qui en est transformé.

Don QuichotteLes nouvelles technologies font partie de notre environnement, c'est ce qui est le plus apparent. A l'évidence on ne choisit pas l'état des techniques de son temps, les outils que nous utilisons et qui déterminent largement nos vies. Pourtant ce n'est pas le plus important. Il ne sert à rien de s'extasier sur les dernières nouveautés pas plus que de les maudire. Il ne s'agit pas d'être technophile ou technophobe car ce n'est pas la technique qui est "autonome" et se retourne contre nous, mais les marchés qui l'emploient. Il y a certes une autonomie relative de l'histoire de la technique mais ce qui compte, ce n'est pas l'instrument, ce sont ceux qui s'en servent (on dit "technology push, market pull"). Il n'y a pas de "parti de la technique" que nous pourrions faire reculer, alors qu'il y a de féroces partis libéraux et de puissants intérêts sans scrupules (auxquels ont doit par exemple des OGM comme Terminator, évités de justesse mais prenant des risques démesurés simplement pour protéger leurs "droits de propriété". C'est bien un problème de marché et non pas de technique, plutôt contre-productif au contraire, tourné contre les possibilités de reproduction). On ne peut lutter contre la technique, cela n'a aucun sens, mais on peut lutter contre des intérêts, contre un système économique, contre des projets effectifs. Il ne faut pas se tromper d'adversaire et se battre contre des moulins alors que nous avons à combattre un libéralisme irresponsable et qu'il nous faut construire une alternative au productivisme insoutenable du capitalisme industriel, avec tous les moyens disponibles.


Capitalisme

 
La question primordiale est celle de notre responsabilité, c'est, comme pour tout vivant, de s'opposer à un laisser-faire qui nous mène à notre perte. Norbert Wiener avertissait déjà que l'automation aboutirait à une catastrophe sociale si elle était confiée aux seules lois du marché et des intérêts à court terme. La cybernétique montre en effet, on ne peut plus clairement, qu'il faut se fixer un but pour l'atteindre, que l'organisation est nécessaire pour résister à l'entropie et qu'il ne faut pas rester passif. On ne peut jamais se laisser aller, il faut corriger en permanence les inévitables dérives, même s'il faut développer le maximum d'autonomie et de créativité. La question n'est pas technique, elle est essentiellement économique et politique.

La question clé pour Wiener est celle de l'invention. Par le progrès scientifique et technique, nous avons créé quantité de nouveaux problèmes que nous sommes incapables de résoudre aujourd'hui et nous comptons sur les inventions futures pour arranger les choses. Nos sociétés sont devenues totalement tributaires de l'invention, un processus dont les mécanismes délicats nous sont inconnus. Or la socialisation des inventions est monopolisée par les entrepreneurs et le marché qui ont prouvé leur insuffisance à les mettre au service des populations sans générer des retombées négatives extrêmement importantes.
Guy Lacroix

- l'économie de l'information (gratuité, développement humain, direction par objectifs, précarité, revenu garanti, autorégulation)

Nouvelle économieOn peut bien admettre avec René Passet que depuis toujours l'économique est "une activité de structuration de l'énergie par l'information", cela n'empêche pas que nous sommes rentrés avec la révolution informationnelle et ses réseaux de communication dans une nouvelle économie malgré tout. On pourrait caractériser sans doute cette économie par la globalisation (des communications, des échanges, des firmes) et sa prédominance financière (patrimoniale), après le capitalisme managerial et le capitalisme entrepreneurial (l'actionnaire anonyme après le dirigeant salarié et le propriétaire) mais ce n'est qu'un aspect relativement secondaire de la question.

portableLa rupture essentielle se situe entre l'ère énergétique et l'ère informationnelle avec l'émergence de nouvelles forces productives, ce qui se traduit concrètement par le passage d'une "économie de l'offre", industrielle et quantitative, à "l'économie de la demande" et des services qui prend de plus en plus d'ampleur, caractérisée par une production flexible, en flux tendu, épousant la demande "en temps réel" grâce à la communication immédiate des informations. Cette dictature du court terme et de l'immédiat s'étend à bien d'autres domaines avec, entre autres, la généralisation du téléphone portable.

couts fixesD'autre part, le coût marginal, base de la production industrielle n'a plus grand sens dans l'économie informationnelle. Les capacités illimités de reproduction des logiciels ou de contenus numériques, à un coût pratiquement négligeable, reporte l'essentiel des coûts sur l'investissement initial (fixe) et les coûts de structure (constants). Même dans l'industrie on quitte le domaine de la production de masse, de la planification mécanique et d'une force de travail homogène pour une économie où la production est déterminée, en temps réel, par les informations clients.

Drucker6C'est dans cet environnement incertain et fluctuant que les entreprises sont contraintes d'adopter une direction par objectif (DPO), ce qui est le principe même de la cybernétique. Par contre le travail devient inévitablement de plus en plus précaire et flexible, devenant la variable principale d'ajustement de la production, tout simplement parce qu'il ne sert à rien de produire pour rien ! Ce n'est pas une conséquence de la méchanceté patronale ou du néolibéralisme mais de l'informatisation elle-même.

"La productivité repose avant tout sur l'innovation et la compétitivité sur la flexibilité […]. Le travail humain produira plus et mieux et à bien moindre effort" (M. Castells)

ordinateurs Le travail est complètement transformé par l'arrivée des ordinateurs personnels et de l'automation informatisée. L'ordinateur personnel étant un outil universel, avoir un PC c'est posséder son outil de production, ne plus être un véritable prolétaire qui n'a que ses bras pour travailler. Plutôt que subordination ou force de travail, on demande désormais au travailleur un haut degré d'autonomie, la capacité de résolution de problèmes et d'atteindre ses objectifs. Cette évolution, en soi positive, génère pourtant beaucoup de souffrances, exigeant une plus grande implication du travailleur, voire une mobilisation de la vie entière, mais surtout elle entraîne une extension de la précarité (non-linéarité) et des exclus (réseaux), avec l'apparition d'une "fracture numérique" (formation), pour lesquels les protections sociales actuelles sont scandaleusement inadaptées, développant la misère au sein même des pays les plus riches. Le thème de la "fin du travail" a manifesté, dès l'origine, la préoccupation des cybernéticiens devant les conséquences sociales de l'automatisation. Ce n'est certes que la fin du travail de force et de situations stables mais il faudrait au moins ne plus lier le statut du travailleur à son employeur devenu temporaire et trop aléatoire.

développement humainLa généralisation des technologies informationnelles et des automatismes réduit en effet de plus en plus les besoins de "force de travail". On mobilise désormais les capacités cognitives et créatives voire affectives des salariés, leur capacité de coopération et d'autonomie. Ces nouvelles exigences poussent à l'individualisation de parcours et de formations différenciés dont la contrepartie est trop souvent l'isolement de travailleurs dont on attend qu'ils se forment en permanence et se produisent eux-mêmes sans leur en donner les moyens. Il faudrait s'engager avec détermination dans un véritable développement humain qui valorise la production de soi, la formation, "le capital humain" et non plus la simple productivité immédiate. La précarité, liée au caractère non linéaire de l'information (et qui ne touche pas seulement les moins qualifiés) doit faire l'objet de protections sociales fortes car c'est une destruction de compétences contre-productive en même temps qu'un désastre humain.

rapport mondialLe développement humain n'est pas une chimère, c'est un concept proposé par Amartya Sen, prix Nobel d'économie 1998, et repris par la Banque Mondiale. Le développement humain signifie précisément le développement des capacités et de l'autonomie de chacun. Il est remarquable qu'Amartya Sen arrive à réfuter les politiques ultra-libérales ou monétaristes simplement en "élargissant la base d'information" prise en compte par les économistes. C'est la raison pour laquelle il est à l'origine de l'Indice de Développement Humain qui s'oppose au simple PIB en réintégrant les variables humaines et qualitatives. Il semble bien que cette information puisse être suffisante pour faire, aux yeux de tous, du développement humain la véritable finalité de l'économie ; c'est en tout cas un préalable.

risques et innovationIl faut souligner aussi les conséquences du caractère imparfait et non linéaire de l'information. Ce qui se manifeste, par exemple, dans ce qu'on appelle la "crise de la mesure" affectant l'évaluation du travail. En effet, il devient très difficile d'isoler une performance individuelle de la performance globale de l'entreprise, et complètement impossible de mesurer le travail immatériel au temps passé. Cela met radicalement en cause l'objectivité de la valeur économique, sa "valeur-travail", et donc sa valeur d'échange, favorisant la spéculation et la volatilité, les pures valeurs d'opportunité et de performance. On perd aussi toute proportionnalité entre travail et revenu. Cette incertitude inhérente au monde de l'information favorise le "capital-risque" à court terme plutôt que les investissements à long terme.

revenu garanti Face à cette précarité structurelle, la garantie du revenu s'imposera de plus en plus comme nécessaire, que ce soit pour les retraites, pour les chômeurs, les intermittents du spectacle, les travailleurs pauvres, les minima sociaux, etc. La continuité du revenu doit être assurée malgré la discontinuité du travail pour entretenir et développer nos capacités, concilier à la fois le développement des compétences et l'adaptation à la demande. Cela pourrait être la base d'une nouvelle sécurité sociale, premier pas dans la démocratisation de l'accès à un emploi valorisant, réservé encore aux privilégiés.

L'âge de l'accèsLe monde qui s'ouvre avec la mutation informationnelle (Internet, logiciels libres) devient celui de l'accès, de la coopération et de la gratuité. En effet, la reproductibilité de l'information est incompatible avec les tentatives d'appropriation dans le domaine immatériel. L'information c'est comme la flamme qu'on transmet de bougies en bougies sans la perdre pourtant, ce n'est pas un gâteau qu'on se partage. Dans ce domaine de l'immatériel et du numérique, on le voit bien avec la musique enregistrée, la information libre"propriété intellectuelle" crée de toutes pièces une rareté là où il n'y en avait pas, et ce contrairement aux produits matériels (il n'y a pas de multiplication des pains, ni même des livres). L'appropriation, comme droit d'exclure les autres de la jouissance d'un bien, est ouvertement contre-productive dans le monde de la communication ou de la coopération et déloyale dans celui de l'information et de la démocratie, c'est le contraire de la coopération scientifique pour laquelle Internet a été construit. "Le droit de ne pas être exclu - le droit à l'accès - prend une importance croissante dans un monde qui repose de plus en plus sur des réseaux sociaux et commerciaux informatisés(Jeremy Rifkin)".

Hayek Le concept d'information a donné lieu à des dérives idéologiques paradoxales, comme le néolibéralisme de Hayek. Ce dernier s'oppose avec raison aux théories néoclassiques de l'équilibre au nom de l'imperfection de l'information ainsi qu'aux prétentions dirigistes de la planification autoritaire. Mais, par une sorte de dogmatisation du scepticisme, il prétend devoir en déduire notre totale incapacité à réguler un système complexe sous prétexte qu'on ne peut le connaître parfaitement. C'est ce qui justifierait le laisser-faire rebaptisé auto-organisation ou "ordre spontané", signifiant simplement que c'est une organisation subie que personne n'a voulue (ordre statistique à partir du désordre), ne tenant pas compte des informations disponibles (faire comme si on ne savait rien sous prétexte qu'on ne sait pas tout), ce qui est tout de même très paradoxal. C'est préférer courir au désastre sous prétexte de ne subir aucune contrainte. Bien sûr, le concept d'auto-organisation peut désigner tout autre chose que cette passivité érigée en principe dès qu'il désigne l'auto-organisation de collectifs ou d'institutions grâce à l'information. Il est effectivement indispensable de laisser le maximum d'autonomie à chaque niveau d'organisation cela ne signifie en aucun cas qu'on pourrait se passer de régulations globales et rester simples spectateurs des bouleversements économiques et sociaux.

KeynesContrairement au néolibéralisme, on peut affirmer que l'information, dans son imperfection même, est au principe de toute régulation impliquant organisation et autonomie (ordre à partir de l'ordre). On sait désormais que si les phénomènes chaotiques sont imprévisibles, amplifiant les fluctuations, ils peuvent aussi être assez facilement contrôlés par de petites fluctuations, à condition de contrebalancer en permanence les dérives du système. La longue expérience des régulations keynésiennes des trente glorieuses a largement démontré les avantages de politiques contra-cycliques, au point de rejeter alors dans l'oubli les théories libérales. Il faut certes rendre compte de l'échec des politiques de relance keynésiennes au moment de la stagflation, du passage à la phase dépressive du cycle de Kondratieff, ce n'est pas une raison pour abandonner le souci de régulation économique. Si favoriser les organisations collectives et leur autonomie, est absolument décisif, ce n'est pas pour laisser les phénomènes sociaux "s'autoréguler" aveuglément, sans tenir compte des catastrophes qu'ils produisent.

économie plurielleLes politiques de croissance keynésiennes ne seront pas suffisantes car nous devrions être bien conscients maintenant de leur productivisme insoutenable. L'économie de l'information et les contraintes écologiques exigent la construction d'une alternative au capitalisme salarial productiviste, au moins un basculement massif vers l'immatériel plus économe en ressources, ainsi que la relocalisation de l'économie (coopératives municipales). L'horizon immédiat devrait être la construction d'une économie plurielle avec marché mais structurant aussi d'autres logiques économiques : services publics, économie sociale et solidaire, économie domestique, réseaux coopératifs, commerce équitable, etc.

PNUD Pour cela l'utilisation d'indicateurs qualitatifs au côté du PIB, la transformation des comptabilités publiques, l'introduction de nouveaux moyens d'échange des richesses matérielles et intellectuelles (en particulier des monnaies locales) constituent des systèmes d'information indispensables à cette nouvelle économie de développement local et humain.

- la société en réseaux ("informations", pouvoir des médias, publicité, pornographie, politique spectacle, terrorisme, démocratie interactive, idéologie des réseaux)

réseaux Non seulement informatique et communication bouleversent la production mais la part de la sphère immatérielle et médiatique ne fait que s'étendre à tous les aspects de la vie. Nous passons de plus en plus de temps à communiquer au loin (au détriment de la communication de proximité). Si l'extension des communications renforce les interdépendances et la globalisation, cela renforce aussi les communautarismes et le choc des inégalités (prenant la forme d'un choc des civilisations). De même, derrière une plus grande autonomie apparente des individus, c'est le pouvoir des média qui devient hégémonique.

ppdaLa "société du spectacle" nous habitue à une contemplation passive des images. Les "informations" du soir font partie de notre "programmation", tout comme la publicité omniprésente guide nos comportements, remplaçant de manière encore plus perverse la propagande des anciens régimes autoritaires ou religieux. Il faut voir ce que les autres ont vu pour pouvoir en parler, partager un monde commun mais la communication de masse implique un message hypersymplifié (petites phrases, slogans) car très redondant pour émerger du bruit ambiant. La bêtise est inévitablement dominante, c'est une loi de l'information et du nombre.

11 septembre Le pouvoir de l'information se manifeste dans l'invasion de la pornographie, des signes sexuels si facilement communicables (ce qui en fait l'activité principale sur Internet), aussi bien que dans la dérive de la politique-spectacle ou le terrorisme dont la cible se trouve être surtout les informations télévisuelles. Comme le souligne Derrida, le plus remarquable avec les événements 11 septembre 2001 c'est d'avoir réussi "à en faire exploiter l'image par la cible elle-même", ces images de terreur ayant été diffusées et répétées sans arrêt par les terrorisés !

violences policières Cette violence médiatique ciblée pourrait d'ailleurs avoir pour effet une réduction globale de la violence effective, remplaçant, au moins en partie, la violence par sa représentation. En tout cas, une réelle société de l'information devrait permettre de dépasser la violence des rapports de force qui étaient la règle à l'ère énergétique par le dialogue et la coopération. Pour l'instant c'est plutôt le contraire et de nombreuses violences urbaines sont provoquées par un manque de communications et de liens sociaux, aggravant l'insécurité au quotidien.

Reagan Ce n'est pas d'aujourd'hui que la question de l'information est primordiale pour la démocratie ou les sciences mais avec la multiplication des informations et la complexification des sociétés, la communication est devenue un enjeu central. Le pouvoir est de plus en plus culturel, ou plutôt idéologique et médiatique, même si pour l'instant il est presque entièrement aux mains des marchands. Les élus deviennent des acteurs et les acteurs deviennent présidents mais le pouvoir s'est déplacé du pouvoir de décision (qui ne peut dire que oui ou non) au pouvoir de proposition (qui élabore les modalités). La force brute, la domination, la répression, la contrainte caractérisant l'ère énergétique ne sont pas du tout productifs face à la nouvelle complexité en jeu. De même, la démocratie se ramène de plus en plus au pouvoir de l'information et du débat public. Ce n'est plus tellement le lieu du conflit des forces sociales ou des manifestations de masse. On n'est même plus dans la logique d'une démocratie majoritaire où une mythique "volonté du peuple" s'imposerait à tous. On s'oriente plutôt vers une "démocratie des minorités" respectueuse des différences et des personnes.

BerlusconiL'expérience italienne montre qu'avec le développement des communications, on peut se jeter dans un nouveau totalitarisme, celui du pouvoir de la communication qui détrône l'ancienne propagande et réduit la démocratie à sa pure représentation médiatique. A côté, les réseaux de contre-pouvoirs sur lesquels on s'extasie volontiers ne pèsent pas lourd dans les faits, bien qu'ils pourraient effectivement donner la possibilité d'une véritable participation des citoyens. Il n'est pas anecdotique de constater que Berlusconi a d'abord pris le pouvoir dans la communication avant de s'intéresser à la politique, c'est-à-dire quand il s'est trouvé possesseur du véritable pouvoir, tout simplement. On peut craindre qu'à la suite de Mussolini et Hitler, ce que l'Italie manifeste bruyamment sous forme de farce, avec une sorte de clown à sa tête, ne se transforme ailleurs en tragédie bien plus terrifiante au nom d'un quelconque fanatisme plus résolu et scientifiquement organisé. Car l'extension des communications menace effectivement vie privée et démocratie, même si cela empêche aussi un contrôle totalitaire de la société, du moins à l'ancienne mode (on l'a dit, la chute de l'URSS est due en profondeur à la généralisation de la micro-informatique impossible à contrôler de façon centralisée comme Andropov l'avait déjà compris, contradiction du système soviétique répressif et des nouvelles forces de production).

trainEnfin, si la communication a des vertus bien réelles, ce n'est vraiment pas une nouveauté, au moins depuis le développement des réseaux de chemin de fer et de la poste qui pouvait faire dire à Kierkegaard qu'on était dans l'ère de la communication, ce qui se traduisait à ses yeux par la domination du radotage. Les réseaux d'électricité ont déjà nourri l'utopie de "néotechniques" libératrices, de Kropotkin à Lénine. Il faut comprendre ce qui a pu changer avec le nouveau seuil qui vient d'être franchi donnant accès à l'immédiateté, au "temps réel" et pénétrant toute la production, accélérant les échanges, les connections mais aussi les déconnections (les désaffiliations). Se soucier des communications, de leur invasion de tous les secteurs de la vie est certes nécessaire, ce n'est pas suffisant. Il faudrait se soucier plutôt des bouleversements qu'elles entraînent. Ce ne sont pas les performances des techniques de communication qui comptent, comme si elles laissaient tout le reste inchangé, mais leur contenu et leurs conséquences, ce que les communications transmettent, c'est-à-dire des informations (et si la multiplication des communications est possible c'est grâce aux possibilités de reproduction de l'information numérique).

démocratie activePour améliorer notre intelligence collective, il faudrait certes inventer et expérimenter une véritable démocratie informationnelle en reliant les interdépendances planétaires avec les actions locales, en construisant une démocratie cognitive permettant la participation du plus grand nombre, en utilisant tous les canaux d'informations (sms, courrier électronique, enquêtes, sondages, réunions publiques), non seulement comme outil de communication mais aussi de réflexion, d'anticipation et d'élaboration collective. On en est encore loin. La déception est grande par rapport aux espérances initiales.

réseau Pour y parvenir nous devrons certainement utiliser toutes les ressources des nouveaux réseaux de communication, en les organisant. Ce n'est pas une raison pour tomber dans la récente "idéologie des réseaux" qui représente une vision purement instrumentale et descriptive qui s'en tient à la structure spatiale abstraite, en ignorant les rapports de pouvoir effectifs, les processus, les flux et les finalités. C'est une abstraction qu'on prend pour la réalité sous prétexte que disparaît la visibilité de l'organigramme hiérarchique.

web trace Il faut le reconnaître. Les réseaux informationnels qui fonctionnent sont liés la plupart du temps à des hiérarchies d'entreprise ou des structures politiques. L'étude des réseaux comme Internet montre que leurs connexions ne sont pas égalitaires et démocratiques, c'est-à-dire aléatoires ni même fractales, mais très déséquilibrées et structurées par des supernoeuds. C'est ce qu'on appelle des réseaux invariants d'échelle (ou libres d'échelle ou modulaires) : "Contrairement à la distribution démocratique des liens observée dans les réseaux aléatoires, les lois de puissances s'appliquent à des réseaux où quelques supernoeuds sont reliés à presque tous les autres et dominent les échanges" (Pour la science, 12/03). On peut le regretter, il vaut mieux en tenir compte, reconnaître un pouvoir c'est pouvoir le contester, le tempérer par un contre-pouvoir. On ne peut se passer de hiérarchies de niveaux, ni de hiérarchie des priorités ou de valeurs, c'est un fait. L'organisation est nécessaire au traitement de l'information. Ce n'est pas une raison pour confondre ces hiérarchies fonctionnelles avec une domination ou une oppression (qu'elles sont en général et qu'il faut combattre comme telles).

Déconnexion Les réseaux prennent une importance de plus en plus grande mais ils sont aussi de plus en plus éphémères à cause de l'immédiateté des connexions et déconnections, de leur flexibilité trop grande et d'une surabondance de l'offre par rapport à nos capacités de réception. Les réseaux ont tendance à supplanter les marchés mais aussi à miner la légitimité de l'Etat, accentuant en même temps décentralisation et déterritorialisation (relation avec le lointain).

exclusionDe par nos capacités limitées de réception et d'échange, les réseaux instituent une logique d'accès réservé et donc d'exclusion. Leurs diversités favorisent l'individualisme et la mobilité, l'éclatement des communautés et solidarités sociales, les identités multiples, changeantes et recomposées avec les tentatives d'y remédier, la plupart du temps en se crispant sur des identités traditionnelles complètement mythifiées. Ce n'est pas dire qu'on pourrait se passer des réseaux désormais, leurs capacités de coopération restent trop précieuses, mais Castells a raison de souligner les dangers de l'inévitable "rejet par les exclus de ceux qui les excluent".

mafia Les réseaux, ce sont aussi les réseaux criminels, les mafias, les réseaux clientélistes ou féodaux, les réseaux terroristes enfin qui n'ont pas attendu Internet pour se constituer mais savent en tirer profit pour étendre leur emprise, sans compter la délinquance financière, les ententes illicites, les trafics souterrains, les lobbies, les réseaux d'influence plus ou moins secrets. "L'économie criminelle mondialisée constituera l'un des traits fondamentaux du XXIé siècle, et son influence économique, politique et culturelle pénétrera toutes les sphères de la vie." Castells.

- La fracture numérique

Fracture numérique Une grande confusion règne sur la nature de la "fracture numérique", au point que les politiques mises en oeuvre pour la réduire ne font souvent que l'aggraver en s'imaginant qu'il suffirait de développer les communications à haut débit, par exemple. Si on considère la fracture numérique d'un point de vue géographique, il est certain que la question de l'accès égal aux réseaux est primordial économiquement, leur couverture territoriale plus ou moins complète. Il est donc justifié qu'une politique d'aménagement du territoire s'en préoccupe et que les gouvernements soient soucieux que leur pays ne soit pas marginalisé par rapport aux opportunités des "nouvelles technologies" et l'ouverture aux communications internationales. Cela fait partie des infrastructures indispensables à la compétitivité des entreprises tout comme les réseaux routier, électrique ou téléphonique, externalités positives de plus en plus déterminantes dans la productivité bien qu'elles ne soient pas directement payés par les bénéficiaires mais seulement par le biais des impôts (qui sont donc bien productifs contrairement à la vulgate libérale).

Internet pour tous ? D'un point de vue social, la question de la fracture numérique est tout autre, le développement des communications approfondissant les inégalités sociales comme un fleuve creuse son lit proportionnellement à la force de son débit. Il est certain que l'élévation du niveau des compétences exigées par l'extension des technologies numériques augmente les inégalités, dans l'utilisation ou l'accès à ces techniques, même si la possibilité matérielle en était offerte à tous. L'illétrisme constitue déjà un lourd handicap dans le monde de l'écrit. L'incapacité de se servir d'un ordinateur ou d'Internet est de plus en plus pénalisant dans le monde de l'information, produisant une nouvelle fracture sociale, non seulement pour les pauvres et les exclus, tous ceux qui n'avaient que leur force de travail et dont la situation empire encore, mais aussi pour les plus âgés qui ont beaucoup de mal à s'adapter aux nouvelles technologies, ce qui augmente cette fois la fracture générationnelle.

Fracture Dans ces conditions, on comprend bien que le développement des communications, loin de réduire la fracture numérique ne fait que l'aggraver socialement. C'est une loi générale. L'intensification des flux favorise les différenciations, l'ouverture des marchés approfondit les inégalités sociales au niveau local. Les communications avec le lointain se font inévitablement au détriment des communications avec les proches. En effet, si la suppression des barrières douanières tend à égaliser les prix et homogénéiser les modes de vie du monde entier, on sait que cela fait, par exemple, monter le prix de l'immobilier puisque des acquéreurs éloignés peuvent surenchérir sur l'offre locale, ce qui se traduit dans ce cas par un accroissement des inégalités entre propriétaires et locataires. Circulation et communications donnent aussi la possibilités pour les différentes compétences de trouver mieux à s'employer en se connectant à des demandes plus éloignées et plus spécifiques, mieux adaptées aux talents les plus singuliers mais accentuant, là encore, les différences entre les individus les plus proches.

médiation Plutôt que de se focaliser sur la technique et vouloir accélérer le processus de développement des réseaux de communication, on devrait donc prêter plus d'attention au contenu et aux acteurs, aux questions d'organisation, aux formations requises. La formation elle-même ne peut être suffisante car tout le monde ne peut y avoir accès. La société hypertechnicienne qui est la nôtre a besoin de médiateurs, de traducteurs, d'assistance, d'experts pour s'orienter et compenser les handicaps individuels ou les inégalités sociales. C'est ainsi qu'on réduira le plus sûrement la fracture numérique, par de nouveaux services sociaux, une coopération renforcée, d'autant plus indispensable qu'on prend conscience que toute rationalité est limitée. Il y a toujours surproduction d'information et pénurie d'intelligence ou déficit de l'attention. Personne ne peut tout savoir, tout intégrer, il y a vite saturation. Il ne suffit donc pas de transmettre l'information, il faut créer les conditions pour qu'elle soit utilisée, ce qui implique toute une série de filtres ou de "portails", d'intermédiaires, une organisation finalisée, une direction par objectifs. Loin d'être un monde transparent, sans médiateurs, sans cloisons et sans loi, comme a pu le faire croire ses débuts anarchiques, la société de l'information est tout au contraire une société d'assistance mutuelle, c'est le règne de la médiation sans laquelle il n'y a pas d'accès à l'information. Cette tentative de synthèse et de vulgarisation de la théorie de l'information s'inscrit dans ce cadre.

 

3. Petite philosophie de l'information (enjeux cognitifs)


- philosophie, éthique, responsabilité, finalités


SocrateNous avons cherché à montrer dans les chapitres précédents les conséquences effectives de l'informatisation, dans notre existence concrète, en les reliant aux caractéristiques du concept d'information lui-même. Nous allons essayer pour finir d'aller un peu plus loin dans ses conséquences philosophiques. Il peut sembler téméraire de s'aventurer sur le terrain d'une philosophie de l'information. C'est pourtant indispensable, et ce pour plusieurs raisons.

- On ne peut faire comme si l'information et la cybernétique étaient tout, comme si rien n'avait été pensé avant. Le retour à la tradition philosophique vise d'abord à repousser les tentations scientistes en réinscrivant l'émergence de ces concepts dans la continuité d'une histoire humaine (on ne peut séparer le sujet connaissant de ce qu'il connaît, de son histoire comme processus dialectique d'apprentissage).

- C'est aussi inciter à se servir des réflexions philosophiques pour approfondir les concepts de la cybernétique, les complexifier. Rien de plus énervant que les simplifications abusives qui confondent tout et sont surtout confondantes d'ignorance. Il est ridicule de constater par exemple comme la plupart des cognitivistes travaillant sur l'intentionalité ignorent Husserl et la phénoménologie qui leur éviterait pourtant bien des égarements.

- Enfin, après le structuralisme pour qui tout était langage, éclairant le signifié par le signifiant (les choses par les mots) ; après les philosophies de la communication (de l'agir communicationnel) trop naïves et dépourvues de contradictions ; l'information peut constituer un point de vue plus dialectique et pertinent sur notre monde, plus actuel surtout : c'est le secret de notre monde, avons-nous dit ! A condition de ne pas réduire le langage à la communication d'information et d'intégrer sa dimension d'assujetissement et de relation sociale mais qui passent aussi par des échanges de signes.

MétropolisL'information mérite d'être pensée, on ne peut se contenter de la diaboliser ou d'en avoir une conception simpliste réduisant l'homme à une machine mécanique. Il faut essayer de comprendre comment le dispositif remarquable à plus d'un titre de la boucle de rétroaction, par laquelle finalité et liberté font irruption dans le monde des causes, peut trouver place dans notre paysage philosophique place qu'elle occupe déjà dans notre paysage quotidien, et comment cela peut éclairer par exemple des concepts comme celui de responsabilité, non par l'intention mais par les effets de nos actes.



Note pour ceux qui s'intéressent à la philosophie :
 
Le concept directeur de la cybernétique, l'information, est assez englobant pour un jour soumettre jusqu'aux sciences historiennes de l'esprit à la prétention cybernétique. Ce qui est en passe de réussir d'autant plus facilement que la relation de l'homme d'aujourd'hui à la tradition historique se transforme à vue d'oeil en un simple besoin d'information. Mais tant que l'homme s'entendra encore lui-même comme un être historique libre, il se refusera, il est vrai, à abandonner la détermination de l'homme au mode de penser cybernétique. D'abord, la cybernétique concède elle-même qu'elle tombe là sur des questions difficiles. Elle tient toutefois ces questions pour fondamentalement résolubles et considère l'homme comme constituant encore, mais provisoirement, un "facteur de perturbation" dans le calcul cybernétique.
Heidegger, L'affaire de la pensée, p17

MétropolisOn retrouve dans cette citation d'Heidegger, la plupart des poncifs du genre qui évoquent plutôt l'univers mécanique de Métropolis que celui des finalités humaines et de la correction d'erreurs, même si on peut approuver l'insistance sur l'historicité de la vie humaine. Il y a mieux à faire. Il aurait été beaucoup plus intéressant de se rendre compte que l'information c'est le temps lui-même, l'événement dans sa temporalité. On peut donner quelques autres pistes qui mériteraient de bien plus longs développements : Sans remonter à l'ignorance socratique et sa critique de la réthorique de la communication des sophistes, on pourrait confronter la dialectique de l'information et du savoir avec les dialectiques de Hegel ou Marx (en différenciant l'équilibre de forces matérielles opposées, comme la lutte des classes ou la force des armes, avec l'apprentissage comme confrontation à la pratique ou bien avec "l'arme de la critique"). Il est intéressant aussi de rapprocher les conceptions sartriennes de la conscience comme séparée et de la liberté comme négativité, projet et responsabilité avec les concepts cybernétiques de néguentropie, finalités et circularité (rétroaction, réflexivité, correction d'erreurs).

LibertéLes religieux et les humanistes reprochent surtout à la cybernétique une conception réductrice de la liberté prétendument réduite à un automatisme, ce qui semble bien paradoxal alors que la cybernétique s'oppose au scientisme comme science des finalités, moyens pour une liberté d'atteindre ses objectifs. Il est difficile de discuter sur ce point qui nous entraînerait trop loin mais la conception de la conscience et de la liberté comme manque d'information, conception défendue par Henri Laborit notamment, rejoint la conception qu'en avait Heidegger dans "l'essence de la vérité" comme errance et question. En effet, on peut répondre à Spinoza, et à tous les déterministes, pour qui le sentiment de liberté ne serait dû qu'à notre ignorance des causes, que la liberté est dans cette ignorance même, dans le questionnement, car, comment dire qu'on est déterminé quand on ne sait pas quoi faire ? Il n'y a pas de liberté sans risque, sans désir, sans manque, sans finalité incertaine, sans un objectif extérieur. La liberté, tout comme la santé, c'est de ne pas être dominé par une chaîne de cause mais libre d'utiliser sa raison, c'est-à-dire d'analyser les informations disponibles et celles qui nous manquent.  Pas besoin de supposer une liberté divine, une liberté qui ne serait motivée par rien, qui ne serait qu'un caprice purement arbitraire, pour se sentir libre et engagé par notre espace intersubjectif de liberté et de parole. Nous sommes responsables de notre ignorance même, responsables de nos choix et des conséquences de nos actes, devant les autres au moins. C'est cette "obligation de résultat" qui constitue la cybernétique, pas de nous transformer en robots.
autopoiésis   
autopoiésisIl faudrait surtout repenser pouvoir, gouvernement, régulation, contrôle et hiérarchie hors des mythologies libérales ou libertaires (comme si on pouvait se passer d'organisation !) sans retomber en quoi que ce soit dans le totalitarisme, mais à la lumière d'un monde où le pouvoir de l'information peut remplacer la contrainte et mobilise plutôt l'autonomie de chacun. L'information fait appel à l'autonomie autant qu'à l'organisation. L'autorité de l'information n'est ni légale, ni légitime, ce n'est pas l'autorité du maître, du chef, du père ni même celle du juge, c'est une autorité médiatique ou scientifique, c'est-à-dire intersubjective et rationnelle ou idéologique, plus ou moins complètement intériorisée. Cela devrait permettre d'opposer clairement l'autonomie à l'individualisme car plus un organisme est autonome (plus il dispose de degrés de liberté), plus il est dépendant de son environnement et des informations qu'il reçoit ("Plus un système vivant est autonome, plus il est dépendant" Jacques Robin, Changer d'Ere, p204). C'est du moins la leçon de la cybernétique de second ordre qui comprend l'autonomie comme une construction réciproque, une boucle récursive entre l'organisme et l'environnement (autopoiésis).

Déclaration d'indépendanceComme l'a montré par ailleurs Louis Dumont, l'indépendance des personnes dans le libéralisme se paye d'une dépendance des choses, alors que les dépendances hiérarchiques apportent une certaine indépendance des choses (la famille, la mafia, etc. viennent à votre secours). Ainsi, pour gagner leur autonomie par rapport à la hiérarchie patriarcale les femmes sont devenues dépendantes d'un emploi salarié. Il faut même aller plus loin : l'indépendance absolue est vécue comme désaffiliation, exclusion (voir "La fatigue d'être soi"). L'autonomie nous rend responsable de nos choix mais il ne s'agit toujours que de choisir entre différentes dépendances, dépendre d'un conjoint, de la famille, d'une communauté, des protections sociales, d'un patron, d'un banquier ou de clients... toujours dans un circuit de la dette, qui n'est rien d'autre qu'un circuit et une mémoire de l'information. On peut rêver d'une indépendance absolue comme on peut rêver de repos, mais le repos absolu, c'est la mort. Cela n'empêche pas de se reposer ou de s'isoler par moments, ni de se délivrer d'un certain nombre de dépendances ; pas de toutes !






Comité d'éthiqueCe qui devrait mobiliser notre réflexion c'est en quoi l'information implique une dimension éthique (devoir) autant que cognitive (vérité). L'éthique qu'on peut en déduire n'est pas sûre (on ne peut se débarrasser de notre propre responsabilité dans le choix de nos valeurs). Il ne s'agit pas de réduire l'éthique à la cybernétique, ni le langage à la communication, mais de souligner ce que l'éthique doit à la fonction anti-entropique de l'information, aux régulations vitales, ainsi qu'aux échanges et à la communication :


1) Nous avons vu qu'il y a dans l'information un devoir-être néguentropique, un but pratique, une finalité active, ce qu'on a pu appeler maladroitement "volonté de puissance", et qui ne vaut pas mieux que "la persévération dans son être" ou le "désir de bonheur" ! Formules creuses, comme de vouloir "faire du profit" dans les affaires alors qu'il s'agit de parer à l'imprévu et de réussir son coup, ce qu'on ne peut réussir toujours. La finalité d'un système dépend d'un niveau d'organisation supérieur (de l'interaction avec d'autres systèmes) et implique le maintien de son organisation hiérarchique interne, d'une hiérarchie de valeurs. Les valeurs dépendent des finalités.

Human rights watch 2) Il y a une autre dimension qui est celle d'une éthique de la communication et du langage, du rapport à l'autre et de la réciprocité, de l'authenticité et de la bonne foi. C'est le domaine de la responsabilité et de la dette envers autrui, d'une justice équitable et de la parole donnée, d'une loi morale universelle et de la considération de l'interlocuteur. Remarquons que cette éthique de la re-connaissance (des faits, de notre responsabilité, de l'autre) reste liée au caractère indirect du signe, permettant l'illusion (méprise, mensonge, mépris), ainsi qu'à sa possible répétition dans le re-connu. Si le niveau animal est très éloigné de la morale humaine, la réciprocité et la reconnaissance n'en sont pas absents.

pavés 3) Hegel remarquait déjà qu'il ne suffisait pas de vouloir "aimer son prochain", encore fallait-il savoir quoi faire pour cela, et ne pas lui nuire sous prétexte de l'aider (l'enfer est pavé de bonnes intentions et le mal qu'on nous fait, c'est presque toujours pour notre bien !). La question de la vérité et de l'accès à l'information, de la formation et de l'apprentissage, est donc une question éminemment éthique puisque c'est se préoccuper des conséquences de nos actes. Il y a dans l'information un mouvement vers le réel, son approche, son approximation. La vérification de nos informations n'est pas seulement un devoir pour les journalistes ou les détectives. On doit considérer tout aussi important notre devoir de rétroaction, d'information, de dénonciation, ainsi que la liberté de circulation de l'information.

météo 4) Enfin, les informations qui nous viennent des quatre coins de la Terre, nous rendent tous responsables du monde et de notre avenir commun. Les images satellites nous rapprochent. Notre responsabilité ne peut plus s'arrêter aux limites étroites de notre famille ou de notre clan. C'est le côté positif d'une globalisation dont la contrepartie négative est l'éloignement du prochain, une trop grande déterritorialisation qui nous prive de sol, nous déracine et fait de nous des étrangers où que nous allions (mais cet exil n'est-il pas celui du monde de l'information?).

responsabilitéLes informations qui nous parviennent déterminent nos responsabilités et c'est notamment à la mesure des informations que nous avons sur les menaces écologiques (entropiques) que nous pouvons y remédier et que nous devenons responsables de l'avenir des équilibres planétaires (nous devrons corriger nos erreurs). Au moins en cela, l'écologie dépend de l'ère de l'information, car ce qu'on ne sait pas, il n'y a aucune chance qu'on s'en préserve et pour s'en préserver, nous aurons besoin de régulations "cybernétiques" et de la circulation des informations vitales.

Nos objectifsSi notre responsabilité dépend bien des informations que nous recevons et qui devraient nous pousser à l'action, à corriger nos dangereuses dérives, engagés dans un difficile pilotage à travers les écueils d'un monde incertain, ce sont nos finalités humaines qui donnent sens à l'information, finalités opposées à l'entropie "naturelle", objectifs que nous voulons atteindre, risques que nous essayons de prévenir. C'est bien sûr un raccourci de dire que l'information nous rend responsables, il serait plus exact de dire qu'elle nous met en face de nos responsabilités et si la prise en compte de l'information nous rend responsables du devenir des sociétés humaines et de l'avenir de notre planète, cela pose d'abord la question de nos finalités humaines, nous oblige à l'action ainsi qu'à choisir notre camp, bien qu'on manque toujours d'informations...

ComplexitéEn effet, il n'y a d'information que dans un monde complexe et incertain, soumis aux aléas, à l'imprévisibilité du temps, aux phénomènes chaotiques. Il est difficile de faire des choix, encore plus de s'accorder collectivement, il faut toujours rester conscient qu'on peut se tromper et rester attentifs aux effets négatifs de notre action (auto-critique). Mais ce n'est pas parce qu'on ne sait pas tout qu'il faut faire comme si on ne savait rien, de même qu'il ne faut pas prendre prétexte que rien n'est sûr pour mentir effrontément (en cachant soigneusement la vérité). Le scepticisme libéral ne porte jamais sur ses propres intérêts !

L'information permet d'établir des relations, de stocker les régularités de l'environnement et d'enregistrer ses changements pour s'y adapter ; sa fonction est pratique, cognitive et reproductive. On n'atteint jamais la certitude totale, il reste toujours une dimension de pari, on ne peut se reposer sur ses lauriers, il faut se corriger sans cesse mais ce n'est pas une raison pour se voiler la face, se boucher les oreilles et rester là sans rien faire quand tout s'écroule autour de nous. Nous sommes au moins responsables de nos finalités, de notre projet, de nos rêves, de notre désir d'humanité, de nos actes autant que de notre passivité. Notre intervention est décisive, c'est en chacun de nous que se décide le sort du monde. Un mot, un homme, un petit groupe peuvent tout changer, ce n'est plus une question de nombre ni de force mais d'information, de justesse et de pertinence (trouver le lieu et la formule).
 

- dualisme, ignorance, liberté (la lutte contre l'entropie)

Vivre, c'est être un autre. Et sentir n'est pas possible, si l'on sent aujourd'hui comme l'on a senti hier: sentir aujourd'hui la même chose qu'hier, cela n'est pas sentir.
Fernando Pessoa

séparationIl faut insister sur le fait que l'information est complètement solidaire d'une conception dualiste du monde : entre émission et réception, entre le signe et ce qu'il désigne, entre la conscience et son objet (on retrouve Sartre). C'est le monde de la séparation de l'intériorité et de l'extériorité, de l'organisme et de l'environnement (l'adaptation n'est pas immédiate), monde extérieur reconstitué indirectement petit à petit, par informations partielles (par essais et erreurs). L'information est une intériorisation de l'extériorité, ce qui transfiltre à travers la frontière d'un monde étranger qui peut nous émerveiller de son hospitalité ou nous terrifier de son hostilité mais nous étonne toujours un peu. Le signe n'est pas l'envers de la matière, c'est un tout autre monde, monde des formes, des symboles, des idées, du savoir, du langage...

Principe de précautionCe dualisme de la pensée et de l'étendue, de l'esprit et du corps, implique qu'il n'y a pas de savoir préalable, de connaissance immanente, mais un voile qu'il faut lever, une séparation (léthé) qu'il faut surmonter (aléthéia), une saisie indirecte, par l'intermédiaire de l'information justement, d'un monde qui nous reste extérieur. Le monde de l'information est un monde plein de leurres, d'erreurs et de mirages car c'est un monde connu par ouï-dire, indirectement, à travers nos sens et laissé à notre représentation. L'illusion est un risque qui fait parti du jeu, tout comme la folie est le risque de la liberté. Le monde de l'information est paradoxalement celui de l'ignorance (l'ignorance n'a pas de sens en dehors de l'information qu'elle appelle et l'information c'est toujours ce qu'on ne savait pas). Il n'y a pas d'accès à l'être disait déjà Montaigne, pas de prise directe (mystique) sur le réel, sauf à s'y cogner. Le mystère nous précède, l'ignorance est première justifiant la plus grande prudence dans l'exploration des possibles (principe de précaution). La leçon la plus surprenante de la cybernétique, bien loin des caricatures d'un monde de robots, c'est que le savoir de notre ignorance ne décourage pas l'action et n'en condamne pas la réussite dès lors qu'on en tient compte, qu'on se sent responsables de ce qu'on ignore et qu'on va y voir de plus près en apprenant à corriger ses erreurs.

Complexité du vivant Le monde de l'information est un monde d'événements improbables, plein de risques, d'une existence singulière à chaque fois miraculeuse (voir "L'improbable miracle d'exister"). Le monde vivant comme défi aux hasards matériels est déjà une réflexion de l'évolution matérielle, apparition d'une intériorité, d'une mémoire cumulative, de la subjectivité opposée à l'extériorité objective. C'est en réponse à l'imprévu, à des informations improbables, que la liberté se manifeste dans sa dimension cognitive d'apprentissage et d'histoire. L'information qui nous renseigne sur le passé s'adresse à une liberté c'est-à-dire à une réaction indécise qui regarde toujours vers l'avenir, vers l'objectif à atteindre, vers un monde extérieur. Comme dit Bergson, la liberté n'a pas de causes, elle a des motifs. Elle vise une finalité, un effet. Mais, surtout, la liberté est toujours une question, moment d'indétermination où l'on ne sait pas encore ce qu'on va faire. La liberté comme la conscience s'éprouve dans le manque d'information, l'insuffisance du savoir, dans l'indécision où il nous laisse. Pas de liberté sans savoir, mais pas de liberté non plus sans ignorance, sans l'espace de l'information entre les deux. C'est bien loin des représentations religieuses, aristocratiques ou moralistes de la liberté.
 
résistance Alors que la physique est le domaine de la causalité passive (où les causes ont des effets), le domaine de l'information ou du vivant est celui des régulations et des finalités actives (où les effets deviennent causes), on peut dire que c'est le domaine de la liberté. Loin d'être la finalité de la matière, la finalité du monde vivant est de s'opposer à l'entropie et donc aux causes matérielles, l'information fournissant les moyens pour y parvenir. Il ne suffit pas de suivre le mouvement pour exister, il faut réagir, se distinguer, prouver son existence. Le monde de l'information est le monde des finalités et de l'action, du négatif, de la lutte contre l'entropie, d'un sujet qui se pose en s'opposant, d'une existence qui se manifeste par sa résistance au cours du monde, exception improbable qui laisse une trace de son parcours, imprime sa marque sur l'avenir ou grain de sable qui bloque la machine...
 

note sur évolution et liberté, contrôle de soi et psychothérapie :
 
évolutionNous pouvons nous aventurer encore plus loin dans une philosophie de l'information, ce qui n'est pas inutile si nous devons nous interroger sur nos finalités pour nous fixer un objectif commun. Où trouverons-nous un fondement, une origine et un destin, un mouvement qui nous porte, nous unisse et nous dépasse ? Si nous ne sommes pas en continuité avec l'univers physique et son devenir, ne sommes-nous pas, du moins, les continuateurs de l'évolution et de la vie ? On peut en douter en ceci que nos capacités d'apprentissage arrêtent notre évolution biologique en supprimant le renforcement naturel d'avantages génétiques. L'histoire, c'est-à-dire un apprentissage cumulatif de générations en générations, a pris le relais de l'évolution et s'en détache tout-à-fait puisqu'elle tend à remplacer la violence d'une sélection extérieure par l'intériorisation de la culture et la réaction aux informations disponibles. Est-ce à dire alors que nous devrions simplement continuer notre histoire et faire confiance à son progrès ? C'est ce qui n'est plus tenable après Auschwitz et Hiroshima, depuis que nous avons toutes les informations sur le négatif de notre industrie (les "externalités négatives"), sur le caractère insoutenable de notre développement et ses conséquences catastrophiques sur le climat entre autres. Notre époque est dite post-moderne (ou modernité réflexive) en ce qu'elle ne peut plus croire à une modernité que l'écologie met en cause, ni qu'une nouveauté soit forcément une bonne nouvelle. Pas de progressisme béat non plus, donc ! On ne peut s'appuyer sur l'histoire, encore moins sur sa fin qui serait déjà donnée et se passerait de nous. Il nous faut toujours nous dresser contre le mouvement du monde, résister au désastre, maintenir le cap, redresser la barre. Trouverons-nous alors en nous-mêmes, dans notre corps, dans nos cellules, nos gènes (!) nos raisons de vivre et nos finalités humaines ? On voit bien que ce serait absurde. Les finalités sont sociales et prises dans les discours du moment.
 

émotionsIl y a une dimension de l'éthique que nous n'avons pas abordée et qui conditionne la possibilité même d'une éthique, c'est le contrôle de nos émotions, la possibilité de se fixer une conduite, de se plier à un objectif. Sur ce point, les percées actuelles de la neurobiologie (Damasio) rejoignent la psychanalyse pour nous confirmer qu'afin de contrôler une émotion, il nous faut d'abord en prendre conscience, et tenir compte des informations disponibles. On savait déjà que le cerveau est l'organe du dépassement de l'animalité par sa plasticité et la capacité de bloquer les réponses instinctuelles. Sa construction en 3 cerveaux superposés (reptilien, limbique, néocortex) correspond à chaque fois à l'inhibition du niveau inférieur, retardant la réaction immédiate afin de prendre en compte d'autres informations et stratégies. En tout cas, nous ne sommes pas complètement le jouet de nos émotions, du moins c'est une définition de la santé tout autant que de la liberté : ne pas être dominé par une chaîne de causes. Cela signifie qu'on ne saurait trouver nos finalités dans le corps (ou nos pulsions vitales) mais seulement dans les informations extérieures qui l'orientent et que servent nos émotions comme capacités d'agir, disposition du corps. Il y a une dimension qui n'est pas prise en compte par la neurobiologie c'est le caractère de signe des émotions comme l'amour, la plainte, la peur, la colère, le rire ou les pleurs perçues par l'entourage.

L'extérieur d'où proviennent nos finalités humaines, c'est essentiellement le langage, l'histoire et la société, ce qui ne veut pas dire qu'on ne ferait que suivre les modes mais on ne peut en nier l'incidence (nous avons dû changer de mode plus d'une fois dans notre vie !). Il faut même tenir compte du fait que plus une idéologie est répandue et plus elle doit être redondante et appauvrie pour émerger du bruit ambiant. Le simplisme, ou plutôt le dualisme (le manichéisme), est toujours dominant. Canguilhem opposait société et corps par le fait que la société ne possède pas de régulations naturelles. Elle n'a pas la sagesse du corps qui sait garder l'équilibre et "fuit la démesure plus que l'incendie" alors que la société passe d'excès en excès contraires selon un processus historique et dialectique d'apprentissage collectif. Ses régulations et ses lois, il faut qu'elle se les donne et les éprouve en expérimentant leurs effets aux yeux de tous.
 
rupture
En tout cas, il est vain de vouloir se faire l'esclave de ses gènes ou revendiquer un élan vital qui n'en demande pas tant ; nous restons responsables de nos finalités, sans pouvoir se reposer sur un mouvement cosmique qui se ferait sans nous mais au nom d'une humanité à venir plutôt, une projection dans le futur, d'un idéal qui est nourri de nos rêves et auquel nous travaillons contre tout ce qui nous renie, contre la Terre entière s'il le faut. La seule façon d'exister, dans le monde de l'information, c'est de se faire remarquer et ne pas se laisser faire. C'est pourquoi nous sommes toujours à la fois dans la continuité d'une histoire, d'un "retour à l'origine", d'une "tradition révolutionnaire", et dans la rupture historique où les routes bifurquent, où se décide aujourd'hui le sort du monde, et pour chacun, en acte, qui nous sommes vraiment. L'histoire n'est rien d'autre que l'histoire de ces bifurcations et de cet apprentissage. L'information a besoin de nouveautés, qui ne sont souvent que des (re)trouvailles. Cette contradiction "continuité de l'histoire humaine / discontinuités historiques" reproduit celle de la vie, de son animation, et de l'information elle-même, son apprentissage où elle doit prendre place dans un savoir constitué en le modifiant, improbabilité surgie d'un océan de probabilités.

Insister sur la rupture entre le corps et l'esprit ne doit pas escamoter leur unité "psychosomatique" ou "psychobiologique", le concept d'information permettant effectivement d'unifier toutes les psychothérapies avec les processus biologiques.
La psychobiologie de la guérison psychocorporelle repose sur une idée de base essentielle : c'est l'information qui constitue à la fois le concept-clef et le lien entre toutes les sciences, y compris les sciences humaines et l'art thérapeutique. La psychologie, la biologie et la physique ont désormais un nouveau dénominateur commun : l'information. Pour comprendre vraiment comment cela est possible, il faut garder à l'esprit le fait que "toutes les formes d'organisation sur le plan psychologique, physique et biologique, sont en fait des expressions de l'information et de ses transformations" (Stonier, 1990). Rossi, Psychobiologie de la guérison, p45
Structure Rendre compte ainsi de l'influence du corps sur l'esprit (état maladif) ou de l'esprit sur le corps (stress psychologique, hypnose, yoga, hystérie) implique qu'on peut modifier l'esprit en modifiant le corps (drogues) et soigner parfois le corps par l'esprit (guérir par des paroles) mais ne signifie par pour autant qu'on pourrait tout réduire à des problèmes de communication (analyse transactionnelle, psychothérapies systémiques, etc) où tous les niveaux se confondent. Ce n'est pas nouveau puisque les sophistes voulaient déjà réduire la vérité à une question de rhétorique et de commerce. En fait de communication, la plupart des psychothérapies et techniques de communication (publicité) relèvent de la normalisation et de la propagande, de la suggestion ou de la manipulation, voire de la culpabilisation ou de l'hypnose (méthode Coué, pensée positive, coaching, coping, "thérapies orientées solutions", comportementalisme, etc). Ce qui n'est pas sans effets mais qui ramène souvent au pire disait Lacan. Il y a des problèmes de communication mais ce sont le plus souvent des symptômes qui renvoient à une situation sociale qui doit être traitée à son niveau et que les techniques de communication veulent refouler, leur but étant paradoxalement d'ignorer des informations dérangeantes en les "psychologisant" (réduire la base d'information à quelques paramètres psychologiques, refuser la rétroaction négative, exclure la vérité du témoignage). Il ne suffit pas de changer d'état d'esprit pour régler une contradiction sociale, c'est pourtant toujours le point de vue du pouvoir et de la propagande: circulez, il n'y a rien à voir... ce qui est exactement le contraire d'une véritable éthique de l'information. L'idéologie de la communication suppose un monde sans conflits, sans intériorité et sans mémoire, où nous sommes tous interchangeables (tous dominants!). Ce serait tout autre chose si la "psychothérapie" (psychanalytique) prenait le symptôme comme signal, se bornant à favoriser l'expression des contradictions, leur verbalisation et leur mise en acte ; mais alors elle ne peut servir de maître, elle peut même être dangereuse pour le pouvoir puisqu'elle devient directement politique.

Au-delà du contrôle de soi et de la communication, l'éthique renvoie à l'authenticité et donc à la question de nos finalités, ce qui débouche sur leur réalisation politique.



- politique, écologie, sciences, projet (nos tâches actuelles)

partage des richessesIl nous faut revenir pour finir sur les leçons politiques qu'on peut tirer d'une philosophie de l'information, de la compréhension des lois du monde de l'information et de son fondement dans nos finalités humaines qui lui donnent sens. En premier lieu, et contrairement à l'idéologie dominante, libérale et individualiste, nous ne devrions pas nous laisser enfermer dans nos singularités et laisser nos sociétés et nos vies exposées à l'entropie naturelle. Nous devrions plutôt utiliser les informations disponibles pour préserver notre avenir commun, résoudre ensemble les problèmes collectifs, nous organiser, construire un projet politique qui nous rassemble dans nos diversités et permette un véritable développement humain. L'enjeu, on le voit, est considérable. C'est le retour aux lumières de la raison et du dialogue politique, mais délestées de l'idéologie du progrès : passage de l'histoire subie à l'histoire conçue, de l'irresponsabilité collective au souci des conséquences de nos actes et de notre industrie, investissement dans l'avenir afin de rendre notre monde plus durable, donner sens à notre existence et forme à l'humanité à venir. Pour cela nous devons viser un destin commun, nous devons nous tourner vers le futur.

objectif mondeLe monde de l'information, c'est celui de l'écologie. Que ce soit comme réponse aux destructions industrielles ou conscience planétaire, l'écologie-politique s'identifie au passage de l'ère de l'énergie à celui de l'information, en effet :

Club de Rome - l'écologie-politique constitue la réaction collective aux informations inquiétantes fournies par la science sur les conséquences insoutenables de notre production, pouvant aller jusqu'à mettre en cause les conditions d'habitabilité de notre planète. C'est bien l'information qui nous rend responsables (rapport de Rome) et qui doit être améliorée sans cesse.

recycler- l'écologie comme régulation des cycles vitaux et responsabilité de l'avenir est dépendante des technologies informationnelles. En effet, si l'écologie-politique est bien née des impasses de l'économie énergétique et quantitative, du productivisme marchand, c'est pour exiger un passage au qualitatif, à la régulation de nos ressources, à l'information donc. L'écologie-politique impose de régler nos actions sur leurs effets sans plus se fier aveuglément ni aux forces sociales ni aux forces du marché pour préserver la "qualité de la vie" et développer l'autonomie de chacun (diversité et créativité).

décroissance - enfin les technologies informationnelles sont indispensables pour sortir du productivisme, pour entamer une décroissance de la consommation matérielle au profit de la production immatérielle. Le basculement de l'économie vers l'immatériel est l'urgence du moment. Cela ne suffira pas pour rendre l'économie actuelle écologiquement soutenable, mais c'est absolument indispensable pour construire une économie plus écologiste. C'est une condition nécessaire, même si elle n'est pas suffisante.

noeud borroméenLe dévoiement du terme du développement durable sert à couvrir une croissance purement marchande (et sans doute peu riche en emplois), qui est insoutenable énergétiquement et matériellement. Pourtant un développement écologique sans croissance quantitative est bel et bien possible comme processus de complexification, de spécialisation et d'optimisation de ressources (économie d'énergie, réduction de l'entropie grâce au traitement de l'information). Ce n'est pas autre chose qu'un développement local et humain. Si on doit se soucier des générations futures, on ne peut négliger les générations actuelles ! On a vu que c'est la nature des nouvelles forces productives qui fait du développement humain une priorité économique, pour des raisons d'efficacité plus que de morale. Cela n'empêche pas le développement humain d'être à la fois la seule finalité possible d'une communauté humaine et ce que doit viser l'écologie autant que ce qu'exige l'économie de l'information. Il y a une totale solidarité entre l'ère de l'information, l'écologie et le développement humain, l'un appelant les deux autres.

TransdisciplinaritéFace aux menaces écologiques et la place qu'y occupe la techno-science, la politique retrouve une fonction vitale et cognitive. Cette dimension cognitive de la politique dans la construction de l'avenir, implique un difficile rapport transversal aux sciences. La transversalité comporte en soi une critique épistémologique des sciences spécialisées, soupçon sur le savoir, reconnaissance de la part d'ignorance et d'idéologie que toute science garde en son coeur, mais aussi de sa puissance parfois démesurée et de la fragilité du monde. Les savoirs étant toujours imparfaits et limités, la division des savoirs nous incite au dialogue et aux échanges, entre scientifiques et citoyens, entre le laboratoire et l'espace public, entre experts et profanes (comme dans les conférences de citoyens). Il y a une dimension politique de la science, de ses limites et de ses investissements parfois considérables, ce qui exige une discussion publique par des non-spécialistes puisque ces questions doivent faire l'objet d'un débat politique et de contre-expertises indépendantes. La nécessaire construction d'une démocratie cognitive exige d'apporter à la démocratie le savoir disponible, son effectivité, d'être capable ainsi d'apprendre des erreurs du passé, mais aussi de débattre démocratiquement (donc philosophiquement) des objectifs des techno-sciences et de leur signification humaine. C'est une ambition de ce livre de participer à cette transversalité et faciliter l'appropriation citoyenne des sciences et des techniques.


mondeTout phénomène laissé à lui-même va à sa perte selon les lois de l'entropie universelle. C'est ce monde imparfait et fragile qui est entre nos mains et auquel nous devons redonner sens. Il faudra bien se donner un but pour avoir une chance de l'atteindre. Pas moyen d'éviter de nous prononcer sur nos finalités humaines, de nous accorder sur une vision collective de notre avenir commun. Il faut comprendre le monde avant de le changer, manifester notre liberté vivante en le sauvant de sa destruction et le rendre plus durable afin de continuer l'aventure humaine.


Petit princeC'est dire combien il est essentiel de dresser les grandes lignes d'un projet de société alternatif à la croissance et au productivisme du capitalisme industriel et salarial. Il ne suffira pas de réformer aux marges le système actuel, il faut construire dès maintenant de nouvelles structures de production avec de nouvelles protections sociales en relocalisant l'économie (coopératives municipales, monnaies locales, revenu garanti). Il faut s'adapter à la "nouvelle donne", aux nouvelles forces productives de l'ère de l'information, mais surtout tirer parti des chances qu'elle nous apporte et faire face aux responsabilités qu'elle nous donne, en s'engageant dans un développement humain qui préserve notre planète, pour nous et les générations futures...


La tâche n'est pas facile de réappropriation de nos vies et de libération des nouvelles forces productives, encore moins d'assumer collectivement nos responsabilités écologiques. Elle apparaîtrait même désespérée en l'état, mais nous n'avons pas le choix. Il nous faudra beaucoup d'intelligence, de prudence et de détermination. Nous devrons faire des prodiges à hauteur des catastrophes qui s'annoncent.


Si tu n'espères pas l'inespéré, tu ne le trouveras pas.
Il est dur à trouver et inaccessible
Héraclite XVIII





 

ANNEXE
L'entropie et la lutte contre l'entropie

1. L'entropie
RuinesPourquoi parler de l'entropie ? Parce que l'information a été identifiée à l'entropie depuis les années 1930, et surtout parce que l'entropie fait partie intégrante du monde de l'information puisque l'information ne prend sens que dans un monde incertain, pour lutter contre l'entropie, justement. L'information remplit une fonction, ce n'est pas un simple état, et cette fonction étant de lutter contre l'entropie, il peut être utile d'essayer de comprendre ce que c'est que l'entropie.

Clausius  
Clausius 1865 Qu'est-ce donc que l'entropie ? Chacun croit le savoir alors que les plus grands savants doutent de bien le comprendre et qu'une grande confusion règne sur le sujet. En tout cas, il est certain que l'entropie nous concerne intimement puisque ce terme introduit par Clausius en 1865 veut dire que tout passe, tout casse, tout se dégrade, vieillit et meurt, c'est le temps irréversible qui nous ronge, tous ces bonheurs perdus qui ne reviendront plus...

- la dégradation de l'énergie

Hélice "L'entropie croissante de tout système clos" constitue le second principe de la thermodynamique. C'est un principe d'évolution vers l'équilibre, vers l'état le plus probable, vers l'in-différence où l'entropie est maximale. Mais il ne faut pas aller trop vite. Cela veut dire précisément que l'énergie se disperse et ne reste pas localisée. L'entropie mesure cette dispersion. C'est à l'origine le phénomène de diffusion de la chaleur du chaud vers le froid jusqu'à égalisation des températures. On peut utiliser ce différentiel de température (d'énergie) pour produire un travail (pousser un piston) mais on ne peut pas revenir en arrière, l'énergie consommée est perdue, partie en fumée.

- l'entropie n'est pas l'énergie

W+Q = 0  Le premier principe de la thermodynamique dit pourtant que l'énergie se conserve toujours, mais ce n'est pas la même énergie. Le principe de conservation de l'énergie exige simplement que la somme travail (W) + chaleur (Q) soit constante dans un système clos mais il peut y avoir transformation de chaleur en travail ou de travail en chaleur. L'entropie mesure une perte "d'énergie utilisable", perte d'une différence, d'un déséquilibre initial, et donc mouvement vers l'équilibre (des températures), c'est-à-dire vers l'état le plus probable, le plus aléatoire (la moyenne), qui est aussi le moins ordonné, ne permettant plus aucun travail puisque ce qui permet le travail c'est la différence de température, c'est l'ordre artificiel de départ qui permet un mouvement d'ensemble qu'on peut canaliser dans une même direction.

L'énergie globale est bien conservée mais la partie transformée en chaleur ambiante n'est plus récupérable en l'état pour un travail. Ce qui montre que l'énergie est conservée malgré tout, c'est qu'on peut de nouveau utiliser cette chaleur globale si on la relie à une "source froide" extérieure. Cela montre aussi à quel point l'entropie dépend du point de vue, du système qu'on a isolé ainsi que de considérations pratiques.


- Gain et perte d'énergie entropique (ordre et désordre)

glaçonsLa différence entre le premier et le second principe affirme clairement que l'entropie n'est pas l'énergie comme on le croit trop souvent. Du moins c'est une autre sorte d'énergie (ce qu'on appelle énergie d'ordinaire !) qui, elle, ne se conserve pas (ce qu'on sait bien quand on la dépense). L'entropie est un principe négatif qui énonce qu'à chaque coup l'on perd, ce qui ne peut être toujours vrai car pour perdre (ce qui est "en trop") il faut bien qu'il y ait eu création d'ordre à un moment ou à un autre, c'est-à-dire diminution d'entropie. Ainsi le simple refroidissement, phénomène de diffusion (qui augmente l'entropie) va créer de l'ordre en gelant la glace (ce qui diminue l'entropie). On s'en tire en disant que cela n'est possible qu'à augmenter l'entropie globale mais c'est contestable et cela n'a guère de sens lorsqu'on n'est plus dans un système fermé.

Jack PotEn restant dans le cadre de la thermodynamique des systèmes clos, il faut souligner que le second principe ne peut supposer aucune proportionnalité entre diminution d'entropie d'un côté (différenciation, ordre, travail) et augmentation d'entropie de l'autre comme on le croit trop souvent. C'est plus grave puisqu'il stipule qu'on perdra toujours plus qu'on ne peut gagner, du moins en moyenne comme au Casino. On peut perdre juste un peu plus (frictions) mais on peut aussi tout perdre (dispersion) et travailler en vain. Il faut toujours un peu plus de travail (d'énergie) pour produire une énergie utilisable (de l'air comprimé par exemple) qu'on ne pourra en récupérer ensuite ; l'énergie de différenciation "loin de l'équilibre" doit être plus forte que l'énergie libérée par le retour à l'équilibre, c'est ce qui rend théoriquement impossible une diminution spontanée de l'entropie (ou le mouvement perpétuel) et rend la perte d'énergie irréversible.

structures de TuringLa tentation d'étendre l'entropie thermodynamique à toute forme d'ordre n'est pas sans poser des problèmes, la notion d'ordre étant très subjective puisqu'elle dépend du point de vue et de l'échelle considérée. L'ordre thermodynamique est quelque chose de très précis, c'est une différence de température capable de produire un travail par le mouvement du chaud vers le froid. Il faut distinguer au moins deux types de création d'ordre : spontané et dirigé. Les phénomènes chaotique comme les structures dissipatives sont des créations d'ordre à partir du désordre, ce qu'on appelle les phénomènes d'auto-organisation produits par l'énergie qui les traverse en se diffusant. C'est une création d'ordre spontanée, de différenciation, phénomène thermodynamique dans le cas des structures dissipatives (vortex, structures de Turing cf. photo ci-dessus). A l'opposée, les phénomènes informationnels ou organisationnels sont des créations d'ordre à partir de l'ordre. Ce qui est tout autre chose (autocatalyse, boucles de rétroaction, reproduction, correction d'erreur).

En tout cas, il y a bien des phénomènes de création d'ordre, réductions (locales) d'entropie, ce que Boltzmann appelait des "fluctuations" d'entropie, même si la production d'entropie est toujours beaucoup plus probable. Seulement, voilà, il ne s'agit que d'une probabilité, certes très élevée mais qui n'a de sens qu'au niveau d'une moyenne statistique laissée à elle-même (c'est pourquoi on parle d'augmentation "spontanée" d'entropie).

- Les deux sources de l'entropie (mécanique et statistique)

FrottementsLa difficulté, c'est qu'on peut dire qu'il y a deux sources d'entropie. Une source physique : l'énergie n'est pas stable. Elle a tendance à se transformer spontanément (désintégration des particules par exemple). C'est au fond ce qu'implique le premier principe car si l'énergie se conserve dans ses transformations, c'est bien qu'elle se transforme. Il faut ajouter que si l'énergie se transforme, il y a des pertes dans cette transformation comme dans toute interaction. On ne retrouve pas la totalité de l'énergie initiale dans la force qui en résulte car il y a des fuites, des frottements, une dissipation dans d'autres formes d'énergie de façon plus ou moins résiduelle. C'est une entropie qu'on peut dire mécanique, mais ce n'est pas une perte d'énergie qui puisse être convertible en travail.

La véritable source de l'entropie est toute autre et beaucoup plus générale, c'est son caractère statistique de retour à l'équilibre, d'évolution vers la moyenne et le mélange.

Entropie mécanique et statistique

Mécanique
Statistique
Dispersion de l'énergie
division entre différentes formes
délocalisation dans l'espace sans changement de forme
Niveau
microscopique
macroscopique
Cause
frictions, interactions
retour à l'équilibre, probabilités
Travail
énergie gaspillée, sans pouvoir produire un travail
le flux d'énergie entropique (énergie potentielle ou libre) vers l'état d'énergie liée (chaleur, équilibre thermique), peut produire un travail


On peut dire que la source de l'entropie dans les deux cas (frictions ou retour à l'équilibre) est "spontanée" bien que les frictions soient produits par un travail alors que le retour à l'équilibre est ce qui permet de produire un travail ! Le travail consiste en effet à canaliser, quand c'est possible, cette énergie entropique spontanée de retour à l'équilibre (en la transformant en mouvement dans une direction donnée). Il n'y a donc pas de travail sans consommation d'énergie potentielle, sans augmentation de l'entropie thermodynamique.

beurreOn ne revient jamais en arrière et les pertes d'énergie sont irréversibles pour la simple raison : 1) qu'on ne peut avoir le beurre et l'argent du beurre, on ne peut faire un travail sans dépenser de l'énergie entropique ; 2) dans tout travail (toute interaction) il y a de la perte, toute l'énergie entropique n'est pas utilisable, il y a toujours du gaspillage 3) Enfin, la raison la plus spécifiquement entropique, c'est que le temps est un mouvement évoluant spontanément d'une improbabilité de départ vers le plus probable, ce mouvement statistique constituant l'énergie entropique elle-même. L'entropie s'applique ici à tous les phénomènes statistiques (sans que l'énergie de dispersion soit forcément utilisable en dehors de la thermodynamique). Le caractère irréversible d'une évolution vers l'état le plus probable se traduit par une impossibilité de reconstituer l'état précédent, de revenir en arrière à partir de l'état présent. On peut déduire le futur, pas reconstituer le passé.

- l'entropie est statistique (loi des grands nombres)

KondratieffIl faut rester très prudent dans l'extension des principes de l'entropie à toute sorte d'ordres, sans aucun rapport avec la température et qui n'ont donc plus rien à voir avec l'entropie thermodynamique qui reste inchangée. En tout cas, il faut rejeter toute tentation de les appliquer à des cas singuliers (microscopiques), alors que c'est une loi statistique (macroscopique). Il n'y a de loi que du général. On sait qu'une probabilité de cours boursier ne permet absolument pas de prévoir le cours du lendemain et qu'on peut gagner de l'argent même pendant une dépression !

Diffusion Il y a de multiples interprétations du second principe qu'on ne peut discuter ici, la plupart identifiant l'entropie à l'énergie et convertissant en simple loi mécanique ce qui n'est pourtant qu'une loi statistique qui ne s'applique donc pas au niveau individuel (sinon peut-être en "durée de vie" des particules mais c'est tout autre chose). Il est difficile de comprendre ce que signifie ce caractère statistique de l'entropie alors que dans le domaine thermodynamique au moins, il n'y a aucune chance que la diffusion de chaleur se fasse autrement que du chaud vers le froid.

gazCe qui rend nécessaire la représentation statistique, c'est le fait d'expliquer la température par l'énergie cinétique des atomes (leur vitesse, leur agitation) et la diffusion de la chaleur par leurs interactions mécaniques où leurs vitesses se transmettent et s'amortissent... selon un détail complètement inaccessible au calcul. L'entropie est supposée ne pas s'appliquer au niveau microscopique où les collisions de particules sont sensées respecter le principe de conservation de l'énergie (cinétique) conformément aux lois de la mécanique. Il n'y aurait pas de perte d'énergie cinétique dans le phénomène de diffusion. Ce qu'on peut contester, comme nous l'avons vu, car dans toute interaction il y a des pertes marginales, mais ce n'est pas ce qui constitue l'originalité du concept d'entropie qui est bien statistique. L'énergie entropique ne vient pas de l'énergie cinétique des particules, certes indispensable à son dynamisme, mais de la loi des grands nombres. En tout cas, c'est uniquement au niveau macroscopique que l'entropie statistique s'applique, en terme de probabilités de répartition et d'énergie potentielle. On va essayer de l'expliquer.

billardPour démontrer le caractère statistique de l'entropie il suffit de faire l'hypothèse d'un billard séparé à moitié par une cloison et de 6 boules qu'on suppose rebondir indéfiniment (ce qui est complètement irréaliste pour des boules de billard mais correspond à ce qui se passe avec les particules d'un gaz). Si on met les 6 boules dans le compartiment de gauche, très vite les boules vont se répartir à égalité entre les deux compartiments. Cela ne veut pas dire qu'il est impossible qu'elles se retrouvent à nouveau toutes dans le compartiment de gauche, c'est seulement très improbable.

Pourquoi ? Parce qu'il n'y a qu'une seule manière d'avoir les 6 boules à gauche, alors qu'il y en a déjà 6 d'avoir 5 boules à gauche et 1 à droite. Pour un nombre de boules N, la probabilité (P) de chaque combinaison entre la gauche (g) et la droite (d) est P= N! / (g!*d!) ce qui donne une probabilité maximale pour g=d, c'est-à-dire la moyenne de 3 de chaque côté. Cela signifie qu'il y a un plus grand nombre de combinaisons qui aboutissent à la moyenne (20 dans ce cas), il y en a un peu moins pour g=4 et d=2 (15). Avec 6 boules, on reste dans un nombre raisonnable de probabilités, il n'est donc pas du tout impossible de voir se recréer l'ordre de départ. Avec un gaz dont le nombre de particules est immense (nombre d'Avogadro 6,022*1023mol-1) cela devient complètement impossible.

Il faut retenir de tout cela que l'entropie augmente avec le nombre d'éléments car plus il y a d'éléments et plus il y a de manières d'arriver à l'état le plus probable, plus le retour à l'équilibre est probable, jusqu'à être absolument certain pour un gaz ou la diffusion de la chaleur. L'entropie, c'est la loi des grands nombres, qui ne s'applique donc qu'au niveau macroscopique.

- l'entropie est une perte de contrainte (retenez-moi ou je travaille!)

air compriméCette simple combinatoire permet de rendre compte de la diffusion entre l'état déséquilibré, ordonné et improbable de départ vers l'état le plus probable et désordonné (dispersé), l'état d'équilibre autour de la moyenne. On peut l'illustrer par une bouteille remplie d'oxygène pur, ce qui représente un état improbable qu'il a fallu produire d'abord sous contrainte. Lorsqu'on ouvre la bouteille on enlève cette contrainte, c'est la raison pour laquelle le gaz s'échappe et l'entropie augmente. De même si on met une goutte de bleu de méthylène dans un verre d'eau, la goutte va se diluer et teinter tout le liquide car plus rien de les sépare, ce n'est qu'une question de temps de diffusion.

Chute d'eauL'entropie n'est pas une fatalité d'ordre mécanique mais seulement une tendance statistique vers l'état de plus grande probabilité, résultant du mouvement à partir d'un différentiel de départ, sous contrainte initiale, et qui se disperse dès que la contrainte se relâche. Ce n'est pas le hasard qui est la cause de l'entropie. Le hasard n'est la cause de rien (Aristote, Physique), c'est la disparition d'une contrainte initiale qui est en cause. C'est une causalité négative même si elle est très forte jusqu'à sembler identifier l'entropie avec l'énergie puisque ce mouvement de retour à l'équilibre, de production d'entropie, est ce qui constitue l'énergie utilisable (mettre la vapeur ou relâcher l'eau d'un barrage fait marcher les turbines). Il n'y a effectivement pas de raison que l'improbabilité de départ persiste en l'absence d'une nouvelle contrainte. D'une certaine façon le deuxième principe est une tautologie résultant du caractère statistique de la thermodynamique puisqu'il énonce simplement la plus grande probabilité qu'un système tende vers son état de plus grande probabilité dès lors que rien ne l'en empêche !

Amas de galaxies Ce caractère statistique veut dire pourtant qu'on peut échapper en partie à l'entropie, qu'il y a des fluctuations et donc des phénomènes de diminution d'entropie, de création d'ordre, d'auto-organisation. Ce n'est pas impossible, seulement très improbable et c'est la fonction de l'information de saisir cette improbabilité, du moins au niveau macroscopique où l'on peut intervenir, la vie réalisant le miracle d'une diminution d'entropie locale. On a vu que l'entropie n'est pas une contrainte mais seulement une absence de retenue, il n'y a donc pas besoin de grandes forces pour y résister. Ainsi, on peut constater qu'il y a des phénomènes purement physiques de création d'ordre (diminution d'entropie) résultant de l'épuisement d'une force organisatrice qui laisse émerger des forces de différenciation plus faibles qui n'avaient pas pu s'exprimer auparavant et qui deviennent décisives alors qu'elles étaient négligeables (comme la gravitation qui est négligeable à l'échelle atomique et décisive au niveau cosmique). Il y a bien dans ce cas création d'un ordre qui n'était pas préexistant et s'amplifie avec le temps. Les phénomènes chaotiques procèdent aussi par amplification de très faibles fluctuations externes (ce n'est pas une "causalité par le bruit" indifférencié, mais la différenciation d'une composante du bruit, une bifurcation).

Capteurs solairesCela n'empêche pas qu'on ne pourra jamais se passer d'énergie utilisable pour effectuer un travail qui "dépense de l'énergie". On exploite pour cela les différentiels d'entropie disponibles, dont nous héritons (carbone fossile). Ce sont des ressources qui sont perdues par définition une fois utilisées si ce ne sont pas des énergies renouvelables. Comme il ne peut y avoir création d'énergie et que le travail dépense de l'énergie, il faut puiser cette énergie dans une énergie potentielle, une énergie entropique, énergie de dispersion d'une contrainte préexistante. Notre crise "énergétique" est bien en réalité un problème entropique, puisque l'énergie reste égale à elle-même en conformité avec le premier principe. C'est une question pratique, "anthropique", d'utilisation de l'énergie entropique disponible. Du fait que nous ne sommes pas dans un système clos, cette crise entropique est une crise technologique et non pas une limite insurmontable dès lors qu'on pourra plus efficacement récupérer l'énergie solaire grâce aux nanotechnologies. On pourrait aller jusqu'à dire que notre Terre étant un système ouvert est limitée pour tout (ressources matérielles, effet de serre, etc.), sauf pour l'énergie...
 


2. La lutte contre l'entropie (la néguentropie)


- l'entropie c'est le contraire de l'information


Tout ceci peut sembler bien loin de l'information. Pourtant l'identification de l'entropie et de l'information est apparue assez vite du fait de l'utilisation des mêmes probabilités. Sauf que l'information apparaît comme exactement le contraire de l'entropie ! "Un gain d’entropie signifie toujours une perte d’information et rien de plus" (Lewis, Science, 06/06/1930). Plus des liquides sont mélangés (entropie) et moins on peut les distinguer (information). Alors que l'entropie représente le mouvement vers la plus grande probabilité, la valeur d'une information réside dans son improbabilité. L'information et l'entropie sont donc considérés comme identiques, au signe près!

livreCe rapprochement est embarrassant car il affecte l'entropie de la dimension subjective de l'information mais cette dimension est bien déjà présente dans la notion d'énergie utilisable. Il semble qu'on a là effectivement les deux faces d'un phénomène dont on ne peut dissocier les aspects objectifs et subjectifs. Maxwell avait déjà attiré l'attention (en 1878) sur le fait que les notions d'ordre ou de désordre, et donc d'entropie ou d'énergie utilisable, sont relatives au point de vue et aux techniques disponibles. Les caractères d'un livre peuvent être considérés comme aléatoires ou strictement ordonnés selon qu'on sait lire ou pas. L'entropie n'est pas une notion aussi objective qu'on a pu le croire d'abord, ce que manifeste pourtant le fait qu'elle ne s'applique qu'au niveau macroscopique, c'est-à-dire humain, et non pas au niveau microscopique, de sorte qu'il faut bien admettre son caractère anthropique !

sondagesL'utilisation des probabilités pour mesurer l'entropie manifeste le côté subjectif du point de vue qui a constitué et délimité son objet, point de vue global s'exprimant dès lors en pourcentages d'une totalité préconstituée. Il n'y a pas tant accumulation de données que division d'une totalité en probabilités relatives de choix. La catégorie de totalité trahit l'intervention d'une subjectivité qui procède toujours par division d'une totalité, comme Saussure l'a montré pour le langage. L'information met plus encore en relief ce côté subjectif de l'entropie, mais cela n'empêche pas que la valeur d'une information est dans son objectivité tout autant...


- Le démon de Maxwell et la lutte contre l'entropie

Yin-YangOn voit comme ces notions d'entropie et d'information entremêlent le subjectif et l'objectif (l'observateur et la chose observée). Pour définir l'information nous avons eu besoin de définir l'entropie car l'information c'est, en effet, le contraire de l'entropie et cela manifeste le caractère "anthropique" de l'entropie tout autant que de l'information. Cette difficulté à isoler entropie et information n'est pas une curiosité formelle, c'est plus fondamentalement parce que le rôle de l'information est de lutter contre l'entropie (ce que Léon Brillouin a nommé la négentropie, contraction de negative entropy utilisé par Schrödinger pour caractériser la vie. On l'écrit plutôt "néguentropie" en français). Le monde de l'information et de la vie est celui de la lutte contre la destruction et la mort, c'est celui de la différenciation et de la complexification défiant l'usure du temps.


Démon de MaxwellIl s'agit de jouer le rôle du "démon de Maxwell" que le grand physicien avait imaginé capable de trier les particules selon leurs vitesses afin d'inverser l'entropie entre une source chaude dont il ne laisserait partir que les particules lentes (froides) et où il ne laisserait entrer que les particules rapides (chaudes). C'est bien sûr impossible au niveau microscopique, exigeant plus d'énergie qu'on n'en pourrait gagner. Au niveau macroscopique, le bilan est bien plus favorable. Il s'agit simplement d'utiliser les informations en notre possession pour continuer à vivre, cultiver notre jardin, éviter les accidents, profiter des chances qui se présentent, ne pas laisser la mort nous gagner, ne pas nous laisser agresser passivement, peser de tout son poids dans le bon sens. C'est ce que nous faisons en permanence.

- L'incertitude entropique

DèsEn dehors de la thermodynamique et de probabilités globales, le bilan entropique d'une action particulière n'est jamais connu d'avance. Ce n'est pas comme le croient la plupart qu'une diminution d'entropie locale se paye toujours d'une augmentation de l'entropie globale, même au niveau strictement énergétique où cela peut sembler effectivement justifié, des mesures d'économie d'énergie peuvent dégager un bilan positif. Le problème c'est qu'on est dans les probabilités et que le résultat n'est plus du tout proportionnel à l'énergie dépensée, ni dans un sens, ni dans l'autre. Le bilan entropique d'une action particulière reste complètement aléatoire, comme un travail de recherche peut avoir été fait en pure perte ou tout changer par ses découvertes.

Gaston LagaffeCe long détour n'aura pas été fait en vain s'il a pu permettre de comprendre que le monde de l'information est aussi important que l'information elle-même, que c'est un monde improbable qui tend inexorablement vers l'équilibre et la mort si l'information n'y met pas bon ordre. C'est dans cette aventure que nous sommes.




[1] Il a dirigé durant la seconde guerre mondiale, les recherches pour déchiffrer le code secret de la machine enigma des nazis, aboutissant à la construction du calculateur "Colossus" en 1943. A partir de 1947 il travaille sur les réseaux neuronaux et l'intelligence artificielle (test de Turing en 1950, premier programme de jeu d'échecs en 1952). Il s'intéressera aussi à la biologie et la parthénogenèse, découvrant les structures de Turing. Inculpé en 1952 pour homosexualité (!) il se suicide en 1954.

[2] Avant de s'occuper de cybernétique, le mathématicien Norbert Wiener, a construit en 1923 une mesure de probabilité sur l'espace des fonctions continues dépendant du temps, donnant ainsi un "poids", la mesure de Wiener, aux trajectoires du mouvement brownien. Il faut souligner que les principaux pionniers de l'informatique et de la cybernétique étaient des mathématiciens travaillant sur les probabilités (von Neumann, Turing, Shannon, Wiener).

Jean Zin 19/07/04
http://jeanzin.fr/ecorevo/sciences/mondinfo/mondinfo.htm


Index